
输出没有信号,
This thread has been locked.
If you have a related question, please click the "Ask a related question" button in the top right corner. The newly created question will be automatically linked to this question.
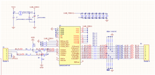
您好,上述波形是靠近CLKIN0的输入端的波形吗?我看您是差分输入,这只是其中一端的输入波形吧?
另外,CLKOUT的这几路输出都没有输出是吗?是在靠近输出引脚端测的吗?
那么REFOUT有输出吗?因为我看到REFOUT_EN您将其拉高了, 那么REFOUT应该是和输入时钟一样的输出,是否有输出?
电路没什么问题,建议输出端的100ohm终端电阻在输出的AC耦合电容后,靠近接收端。
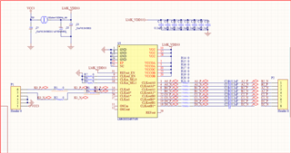
您好,AC耦合电容的目的是当发送端和接收端的共模电压不同时,我们可以使用AC耦合,然后在接收端建立新的共模电压(可通过上下拉电阻搭建分压电路)满足接收端的要求。
如果电平标准相同的话,可直接使用DC耦合。
LMK00334输出的是4-output HCSL差分信号,如果您的接收端可以接收HSCL电平,则可以使用DC耦合。 否则的话需要AC耦合。
终端匹配电阻一般则是靠近接收端端接的。