ADC3561: adc3561 时钟输入

Part Number: ADC3561


我在使用ADC3561时发现数据输出存在一个2mVpp的噪声,排查问题过程中我发现将示波器探头点到时钟输入管脚可以消除此噪声。
我的时钟是由FPGA直接提供给AD3561的,最初提供的是LVDS信号,我还能提供2.5V VCCO下的差分电压时钟。通过测试,我发现如果提供1.8V单端时钟,也可改善此噪声信号。
在datasheet中并没有对输入时钟电平的要求,请问应该提供什么电平的时钟?

  • 您好,

    已经收到了您的案例,调查需要些时间,感谢您的耐心等待。

  • 请参考手册的Figure 8-14 8-15. AC Performance vs Clock Amplitude 以及8.3.2.1 Single Ended vs Differential Clock Input的说明

  • 你好,根据图中描述,如果提供差分时钟,时钟幅度可以>1.8V。但是根据我们实测结果,对2.5V时钟信号进行分压,降低至1.8V后噪声得以缓解。
    另外,此时钟是否能接收LVDS电平?

  • 你好,根据图中描述,不管是单端还是差分时钟电平可以>1.8V,但根据我们实测结果,对单端时钟,将时钟信号从2.5V衰减至1.8V噪声得以缓解,这可能是之前共模不对导致的,但对差分信号,我们目前是按照手册要求提供了2.5V的差分电压信号,送入ADC之前用100n电容进行交流耦合,测试发现有2mV左右的噪声。如果用示波器探头点时钟,噪声便消除了。如果在其中一路时钟位置按照示波器探头寄生参数并一个容阻,噪声也可以得以缓解。是否是因为我们的时钟处理有问题?
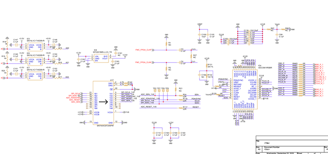
    我们的ADC原理图如下图所示,时钟接到A7 FPGA HR bank,VCCO=2.5V

    当R1或R2放一个1M并联100pf时,噪声大幅降低,但是只能放在R1或R2,两个同时放置也没有用。
    我没有配置ADC寄存器,而是使用REFBUF对芯片进行配置,使用内部参考,差分时钟输入

  • 双侧加容阻会破坏差分平衡,反而可能引入新的共模噪声。解决这个问题,就得检查PCB布局,测量差分走线阻抗等。可以参考下手册9.4 Layout(www.ti.com/.../adc3561.pdf
    输入幅度超限可能导致内部放大器饱和等,如果上述PCB布局检查没有效果,既然1.8V噪声得以缓解,用1.8V就可以。