Part Number: ADS1296R
Other Parts Discussed in Thread: ADS1296
Hi TI工程师 你们好!
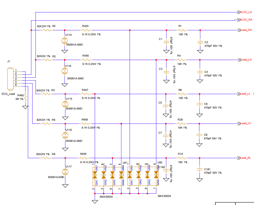
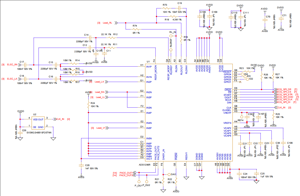
有个非常紧急的问题需要贵司技术人员支持:目前我用贵司的ADS1296R做5导联心电监护仪设备,在进行导联切换时,采集到的心电波形数据问题如下第一张图:
1、红色圆圈处是每次切换导联时出现的尖峰,目前无法知道产生原因。
2、在导联切换时,基线高度不在同一高度或者说两种导联切换时的基线高度相差很大。
针对以上1和2问题点,目前算法和领导怀疑是硬件问题,但我不知道哪里出了问题;所以请帮忙看下第2、3两张图,它是导联输入和心电芯片设计图,其中AVDD是+2.5V,AVSS是-2.5V,DVDD是3.3V,
请TI工程师帮忙评估一下以上出现的两个问题的可能原因,同时帮忙评估下原理图有哪些问题点待改进,如果需要我进一步提供一些详细参数请告诉我,非常感谢,拜托了!!!盼回。



