使用ADS1248来测量热电偶的电压,上电一段时间后,从ADS1248读出的ADC的值就基本为零,外面的温度变化引起的热电偶的电压变化,ADS1248探测不出来,如果我重新上电,那么就可以得到正常的值。

This thread has been locked.
If you have a related question, please click the "Ask a related question" button in the top right corner. The newly created question will be automatically linked to this question.
使用ADS1248来测量热电偶的电压,上电一段时间后,从ADS1248读出的ADC的值就基本为零,外面的温度变化引起的热电偶的电压变化,ADS1248探测不出来,如果我重新上电,那么就可以得到正常的值。

1. 图太模糊,建议用附件发上来。
2. 整个系统几套电源?输出为0的时候从电源留出的电流值与正常工作值是否一样?如果有偏差,多大?
那么如果ADC的读数是逐渐变成0还是跳变成0?另外,ADC读数为0时,用万用表量一下热电阻两端电压,看看这个电压是掉到0还是维持正常值。
那从ADC给出正确值开始,到输出开始降低,大概有多长时间?你采样率给的是多快?我怀疑decimation filter那边可能出问题了。
或者是不是在应用中为了省电的考虑,让ADC一段时间工作在正常模式,一段时间工作在睡眠模式,而睡眠模式唤醒的时序没设对?
我没有将芯片工作在睡眠模式中,问题还是没有解决啊。情况是这样的,工作一段时间后测量出来的值就不正确。
1. 你的电路图里有Sensor1,sensor2,PT100三个输入,那么经过一定时间后,这三个输入对应的输出都为0?还是只有一路为0?
2. 输出不正常时从电源流出的电流和正常值到底有没有偏差?“经过一段时间”究竟是多少分钟/秒?采样率到底是多少?
3. ADS1248的产品文件夹里有建议的供电设计,你对照看一下。
4. 可以去ADS1248 EVM的产品文件夹看看,里面有User Guide,看看你的设计和参考设计有没有什么区别。另外,可以申请一块EVM来测试。
通过测试,我的这两路sensor输入,一路是正常的,另外一路是异常的,而且通过ads1248测量的值也不是为零,但是是一个错误的值。”经过一段时间“没有一个确定的时间,但是上电开始是正常的,采样速率为20sps。
我把100uF的电容去掉之后,现在暂时是正常的,不知道是不是这个原因,也麻烦你帮忙研究一下。谢谢啦。
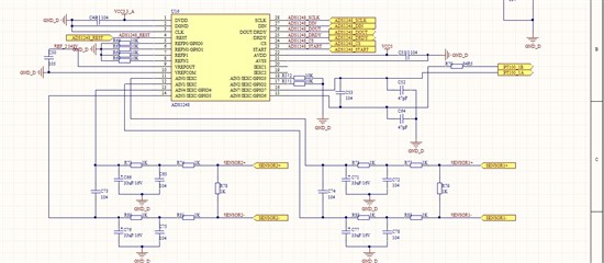
没有在你的电路图上发现100uF啊?你指的是104的100nF?去掉的是哪一颗电容?
在图中是表示为33uF的电解电容,实际我使用为100uF的,去掉的就是这个电容。
可能是这个电容的原因,用TINA仿了一下你的前端电路,结果是在1Hz的地方衰减已经到4dB了。也就是说通带的截止频率设的太低了,有可能交流成分会被衰减掉。此时由于是差分信号,直流成分再做个减法,也变成0,所以输出就会不正常了。试试看把这个电容换成2uF或以下,情况会不会有改善。
