This thread has been locked.

If you have a related question, please click the "Ask a related question" button in the top right corner. The newly created question will be automatically linked to this question.

ADS1292R: 检测问题

Part Number: ADS1292R
Other Parts Discussed in Thread: ADS1292,

ADS1292的模拟部分采用+/-2.5V供电,配置内部参考电压4.033V,采样频率2kHz,其他默认。

当在ADS1292管脚IN1N和IN1P两端输入直流信号100mV时,采的信号大约为100mV。

当在ADS1292管脚IN1N和IN1P两端输入直流信号-100mV时,采的信号大约为-100mV。

当在ADS1292管脚IN1N和IN1P两端输入正弦信号,频率为180Hz,幅度为100mV(有效值)时,采的信号在-3mV~2000mV范围内。

但是当ADS1292采芯片内部的测试信号(频率1Hz,幅值+/-4033mV/2400=1.68mV)时,采的信号为+/-1.676mV。

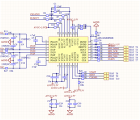
问题是什么原因造成不能采正弦信号?附图是电路原理图。

  • 您好,

    附件没有显示,您可以重新上传电路原理图吗?

  •  您可以附上您完整的输入电路吗?

    另外,RLDOUT和CH14INN网络接在哪里了?

  • 1、之前回复的电路是完整的了,连接网络“G1-”、“G1+”直接连接到信号源输出的正负极。“G2-”和“G2+”配置短接。

    2、RLDOUT和CH14INN网络没有连接。

    3、也尝试过 RLD_SENS配置为0x2C,然后将RLDOUT网络连接到“G1-”处,结果还是一样的。

  • 4、另外ADS1292R是否可以直接采集肌电信号呢?肌电采集范围为0~1000uV。

    肌电试验是如下图连接的。(因为测试的时候1mV以下都采集不到信号,所以才直接连接到信号源)

    S为信号源,R1=100kΩ,R2=100Ω,图中虚线表示屏蔽壳,连接到大地参考点。

  • 您是使用信号发生器产生的180Hz的正弦波是吗?您可以附上您的寄存器配置吗?

    关于第4、信号源S是否与ADS1292有公共参考点?或者说是否满足ADS1292的共模输入电压范围?

    关于输入差分电压,输入的是R2两端的电压,即信号源S在电阻R1和R2分压中R2上的电压,这相当于对信号源幅值衰减了1000倍,输入信号幅值最大1000uV,那么输入的差分电压最大值是1uV。而ADS1292的输入噪声和输入失调都大于这个值,那么ADS1292是不能识别这个信号的;

  • 信号发生器产生的180Hz的正弦波。寄存器配置如图。

    关于第4、前面测试时,不管信号源S与ADS1292是否有公共参考点(将信号源S和网络“G1-”短接到AGND),得出的结果是一样的。另外是否可以将RLDOUT作为公共参考点?如能,如何连接和配置?

    关于信号源幅值衰减1000倍的问题,可能没有表达清楚。测试是通过输入1mV~1000mV衰减1000倍后,获得1uV~1000uV信号。

  • 您仅配置了这四个寄存器、其余的寄存器采用的默认值,是吗

    另外是否可以将RLDOUT作为公共参考点?

    这里是什么意思?作为什么的公共参考点?

    关于信号源幅值衰减1000倍的问题,可能没有表达清楚。测试是通过输入1mV~1000mV衰减1000倍后,获得1uV~1000uV信号。

    这里您的意思是:上图中信号源S的幅值是1mV~1000mV?如果是这样的话,那么输入信号中幅值较低的部分不能被ADS1292识别,即淹没在输出误差中。

    当在ADS1292管脚IN1N和IN1P两端输入直流信号100mV时,采的信号大约为100mV。

    当在ADS1292管脚IN1N和IN1P两端输入直流信号-100mV时,采的信号大约为-100mV。

    当在ADS1292管脚IN1N和IN1P两端输入正弦信号,频率为180Hz,幅度为100mV(有效值)时,采的信号在-3mV~2000mV范围内。

    但是当ADS1292采芯片内部的测试信号(频率1Hz,幅值+/-4033mV/2400=1.68mV)时,采的信号为+/-1.676mV。

    上述测试中,没有改变寄存器配置,仅改变的输入信号是吗?

    上述正弦信号有效值是±100mV是吗?信号发生器与ADS1292共地?您是否可以将正弦信号直接接入ADS1292的模拟输入管脚,以排除其他外接电路的影响?

    在上述电路图中,模拟输入端的电容是否没有焊接?我看到上面标着NC,再向您确认下;

  • 是的,仅配置了这四个寄存器、其余的寄存器采用的默认值。

    另外是否可以将RLDOUT作为公共参考点?

    这里是什么意思?作为什么的公共参考点?

    我的意思是是否可以将RLDOUT配置为模拟输入公共参考点。

    当在ADS1292管脚IN1N和IN1P两端输入直流信号100mV时,采的信号大约为100mV。

    当在ADS1292管脚IN1N和IN1P两端输入直流信号-100mV时,采的信号大约为-100mV。

    当在ADS1292管脚IN1N和IN1P两端输入正弦信号,频率为180Hz,幅度为100mV(有效值)时,采的信号在-3mV~2000mV范围内。

    但是当ADS1292采芯片内部的测试信号(频率1Hz,幅值+/-4033mV/2400=1.68mV)时,采的信号为+/-1.676mV。

    上述测试中,没有改变寄存器配置,仅改变的输入信号是吗?

    上述正弦信号有效值是±100mV是吗?信号发生器与ADS1292共地?您是否可以将正弦信号直接接入ADS1292的模拟输入管脚,以排除其他外接电路的影响?

    在上述电路图中,模拟输入端的电容是否没有焊接?我看到上面标着NC,再向您确认下;

    仅在采用芯片内部测试信号的时候,才修改寄存器配置。

    正弦信号是有效值100mV。信号发生器的负极与网络“G1-”都短接到AGND。按照你的回复将正弦信号直接接到ADS1292模拟输入管脚,得出的结果一样。

    模拟输入端的电容都没有焊接。

  • 可以将RLDOUT配置为模拟输入公共参考点,但是请注意使模拟输入在ADS1292要求的范围内;

    正弦信号是有效值100mV。信号发生器的负极与网络“G1-”都短接到AGND。按照你的回复将正弦信号直接接到ADS1292模拟输入管脚,得出的结果一样

    这里的意思是:输入信号峰峰值是±50*√2V?

    您可以附上SPI(DRDY、CS、SCLK、DOUT)读取转换结果的通信时序图吗?看下程序读取值与DOUT输出值是否一致?

  • 将RLDOUT配置为模拟输入公共参考点,应该如何配置?

    可以将RLDOUT配置为模拟输入公共参考点,但是请注意使模拟输入在ADS1292要求的范围内;
  • 上述采集正弦信号AD转换输出结果异常的问题是否已经解决?

    RLDOUT仅是RLD 运放的输出电压,它当然可以作为一个信号的参考点,回答您“应该如何配置?”前,您需要告诉我您为什么将RLDOUT输出作为模拟输入公共参考点?

  • 还没有,手头上没有仪器能测通信时序(示波器也只有2个通道),不过测试内部信号是对的,通信时序应该是没有问题。

    上述采集正弦信号AD转换输出结果异常的问题是否已经解决?

    因为您之前提到信号源S与ADS1292公共参考点,所以试着确认一下将RLDOUT输出作为模拟输入公共参考点是否能解决AD转换异常问题。另外在实际应用中也要使用其增强系统的抗干扰能力。

    RLDOUT仅是RLD 运放的输出电压,它当然可以作为一个信号的参考点,回答您“应该如何配置?”前,您需要告诉我您为什么将RLDOUT输出作为模拟输入公共参考点?
    关于第4、信号源S是否与ADS1292有公共参考点?或者说是否满足ADS1292的共模输入电压范围?

  • 内部测试信号也是通过MUX接入PGA的,测量外部信号与内部信号的区别仅是MUX连接的信号源不同,我真的觉着很奇怪为什么您连接外部信号就不能正确采集;

    您可以将外部信号输入为与内部信号一样的交流信号吗?即频率为1HZ、幅值为±1.68mV的方波信号,然后看是否可以正确采集?

  • 从外部输入频率为1HZ、幅值为±1.68mV的方波信号是否可以正确采集?

  • 从外部输入频率为1HZ、幅值为±1mV的方波信号,采集到的是-0.569mV~1.428mV的方波信号(有0.4mV左右的直流分量)。在信号的下降沿和上升沿有±5mV的干扰信号。

    从外部输入频率为1HZ、幅值为±1.68mV的方波信号是否可以正确采集?
  • 也就是说您采集内部方波可以正确采集,但采集外部方波有异常,那应该是前端输入电路有问题,或有干扰信号对输入信号造成了干扰,ADS1292模拟输入信号走线长不长?检查下模拟输入信号附近是否有电源信号或高频信号?