This thread has been locked.

If you have a related question, please click the "Ask a related question" button in the top right corner. The newly created question will be automatically linked to this question.

ADS1299-4: 寄存器配置

Part Number: ADS1299-4


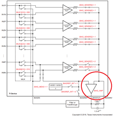
想请问BIAS_SENSP寄存器和BIAS_SENSN这两个寄存器需要配置吗?我用的是4通道1299,其余寄存器配置如下:con1:F6h,con2:d0h或者c0h;con3:ech;通道配置:38h。此外若我采集脑电信号是否con2的配置会对其产生影响吗?