Other Parts Discussed in Thread: DAC5652
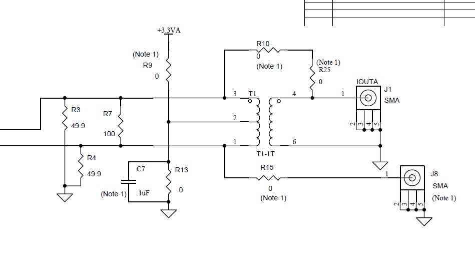
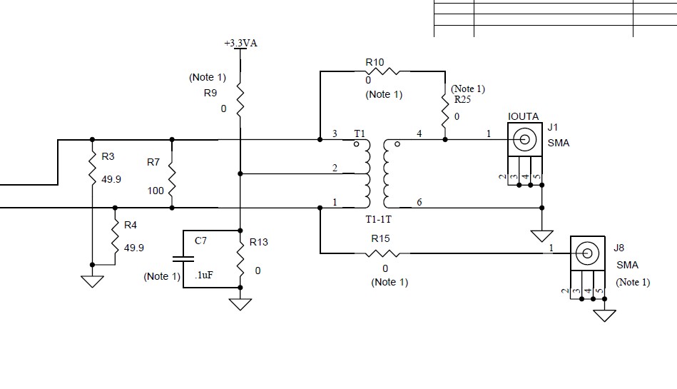
最近有人问我DAC5652的问题:1.这是一个双路输出的DAC,但是每一路都有两个输出,那个EVM板子上,设计了一个耦合线圈,把通一组输出耦合在一起了,但我不知道为什么???可以只用一路输出的一段么?如只用IOUTA1??
2:就是时钟要怎么给啊??我打算用STM32单片机控制,不知道速度够不够??
或者说就是我改怎么给时钟信号DAC
现在的问题就是输出那段??为什么会有IOUTA1和IOUTA2??为什么加个耦合线圈??那个耦合线圈改怎么做??
可不可以只要IOUTA1?那样和用线圈耦合输出有什么区别??
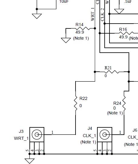
还有就是为什么要有CLK-1和CLK-2??(或是WRT-1和WRT-2)是不是说,我两路可以用好不同的时钟??写进不同的数量?就可以两路输出不同的波形??
还有就是我那个电源是不是要求很严??TI有没有相应的电源管理芯片???
麻烦各位,谁明白这个的。解答一下!!多谢啦!!

