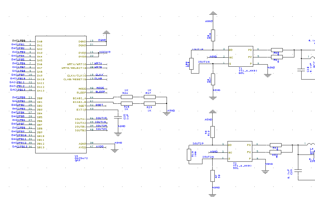
使用DAC5672做数据转换,FPGA与DAC5672相连,输出数据和写、时钟信号。
目前写和读写时钟信号都是6.25MHz,并且同相位。
14位数据都为高电平,按理说输出的模拟信号应该是一个1.2V的高电平,但是现在输出端没有任何信号。
mode为Dual-BusData,sleep也设置的对的。
请专家帮忙看看怎么回事,是不是与PCB走线有问题。
下面是相关的电路原理图,图上高地位弄反了,但是如果全为1的话,应该没有影响的吧。
This thread has been locked.
If you have a related question, please click the "Ask a related question" button in the top right corner. The newly created question will be automatically linked to this question.
你说的" 读写时钟信号"是什么意思?这个芯片应该不存在读吧.
这是一个275M的高速DAC, 输出电容5PF, 所以你想输出一个直流信号我觉得不合适.请输入交变信号测中射频性能
另外这是一个对于一个275 MSPS的高速DAC来说,6.25M的转换速率太低了,请提高
我写错了,是写信号,没有读信号。
我之前用的是50M的时钟,想输出一个三角波,也是没有波形。
这是我们的EVM板给你参考,你确认下相关的控制管脚和外围电路, 如果电路正确,加上时钟和数据后至少能有一些输出频谱
还是dac5672的输出问题,我用100M的时钟和写信号,就可以输出波形,但是换成50M就不能输出。Robin Feng 说:这是我们的EVM板给你参考,你确认下相关的控制管脚和外围电路, 如果电路正确,加上时钟和数据后至少能有一些输出频谱
这是什么问题呢?
如前面给你说的,高速DAC频率还是不能太低. 100M降50M你改了什么?100M可以证明硬件上应该没什么问题.
你看下是频率低,交流耦合幅度降低导致的. 还是软件上的问题.谢谢.
我只是把100M通过分频到50M的,其他的什么都没有改动。
EXIO输出脚上的电容大小会有问题吗?如果采用的是内部参考。
交流耦合幅度降低是什么意思呢?Robin Feng 说:如前面给你说的,高速DAC频率还是不能太低. 100M降50M你改了什么?100M可以证明硬件上应该没什么问题.
你看下是频率低,交流耦合幅度降低导致的. 还是软件上的问题.谢谢.
电容通交隔直,低频可能有衰减,你看信号到器件上是否都收到,幅度够
DAC5672和DAC5672A虽然可以pin to pin,但是貌似软件上有差别。我DAC5672A调试出来了,DAC5672倒是没有波形,很奇怪!