Part Number: ADC3664EVM
如下图所示,对EVM进行改版后实现了下图功能
请问,此时EVM的采样信号和DCLKIN信号均由FPGA进行提供的话,那么是否还可以继续使用ADC35XX EVM GUI这个软件进行配置呢(我需要使用1-wire、decimation=8的配置,而这并不是默认配置)?还是说需要进行EVM电路板的更改(即把R133到R137之间的电阻都给焊接上)从而通过FPGA进行配置呢
This thread has been locked.
If you have a related question, please click the "Ask a related question" button in the top right corner. The newly created question will be automatically linked to this question.
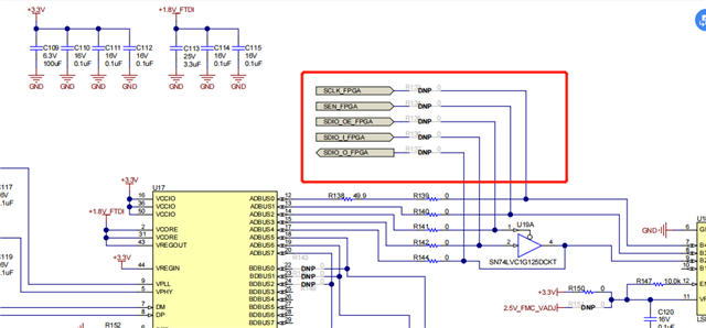
Part Number: ADC3664EVM
如下图所示,对EVM进行改版后实现了下图功能
请问,此时EVM的采样信号和DCLKIN信号均由FPGA进行提供的话,那么是否还可以继续使用ADC35XX EVM GUI这个软件进行配置呢(我需要使用1-wire、decimation=8的配置,而这并不是默认配置)?还是说需要进行EVM电路板的更改(即把R133到R137之间的电阻都给焊接上)从而通过FPGA进行配置呢
您好,抱歉回复晚了。
您附上的文档截图,就是通过FMC connector 用FPGA提供DCLKIN和采样信号的步骤。具体EVM 如何更改,在附件的PPT里都给出来了,您可以参考下:


您好,由于我手头上没这块EVM板,所以也无法复制您的现象,R133~R137这几个电阻在EVM user's guide中没找到。
1 wire mode话如何配置我需要再确认下。
您好,您的问题我这边帮您确认了:
如果这些 IO (FPGA 侧)的状态为高阻态,则只要决定通过 USB 进行连接并使用 GUI 进行编程,就可以实现这一点。 否则,这些线路中的任何一条都可能存在争用,这将不允许 SPI 接口正常工作。