This thread has been locked.

If you have a related question, please click the "Ask a related question" button in the top right corner. The newly created question will be automatically linked to this question.

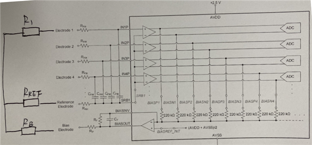
ADS1299: ADS1299 交流阻抗检测

Part Number: ADS1299


工程师你好,请问将ADS1299芯片以Referential Montage的方式连接,其AC Lead-OFF的阻抗检测功能线性度是否还是2 × (ILeadoff × Zinp + ILeadoff × Zinm),寄存器应该如何配置,阻抗检测的模型做星型是否合适?