This thread has been locked.

If you have a related question, please click the "Ask a related question" button in the top right corner. The newly created question will be automatically linked to this question.

TXS0108E输出变为正弦波

Other Parts Discussed in Thread: TXS0108E

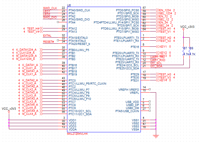
用飞思卡尔单片机模拟PS2,PS2输入时接了TXS0108E做电平转换,

按下键盘,在接TXS0108E时,输入输出波形都变为正弦波,不接都是正常的方波。

帮忙解决一下,谢谢