This thread has been locked.

If you have a related question, please click the "Ask a related question" button in the top right corner. The newly created question will be automatically linked to this question.

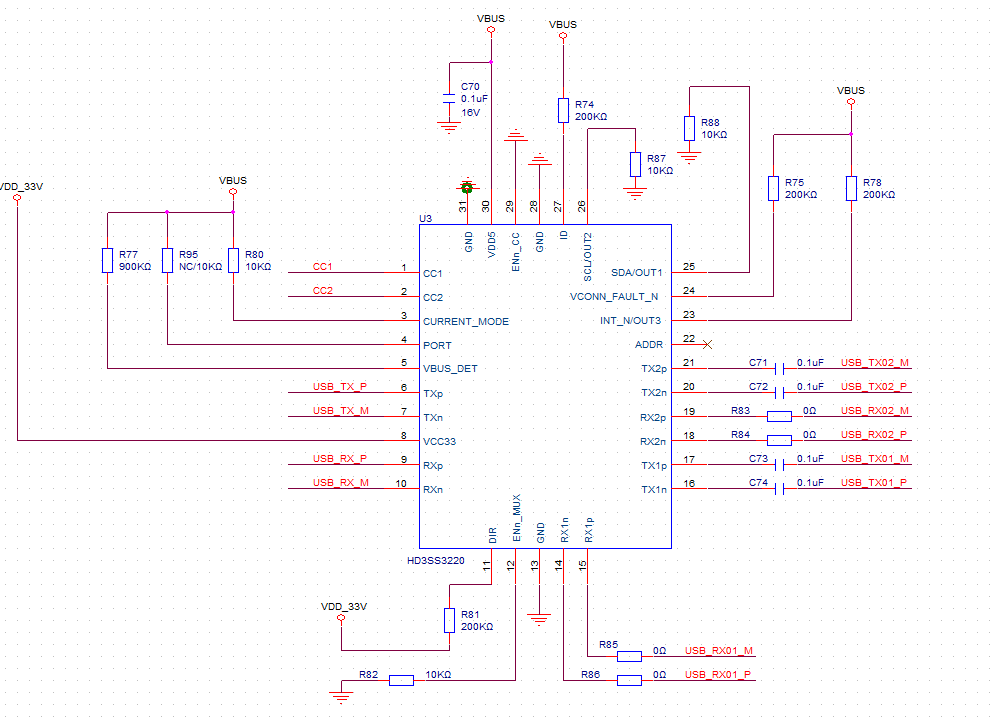
请帮忙协助,HD3SS3220 按照数据手册做的原理图,无法识别USB3.0信号



       大家好:

              我按照数据手册搭建了一个电路图,打样回来后无法识别USB3.0的信号。请帮忙看看是哪里有问题了?谢谢