This thread has been locked.

If you have a related question, please click the "Ask a related question" button in the top right corner. The newly created question will be automatically linked to this question.

LMK04828时钟无输出问题

Other Parts Discussed in Thread: LMK04828

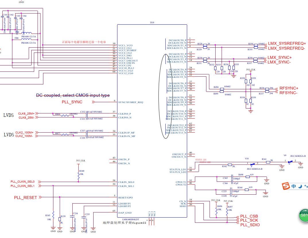
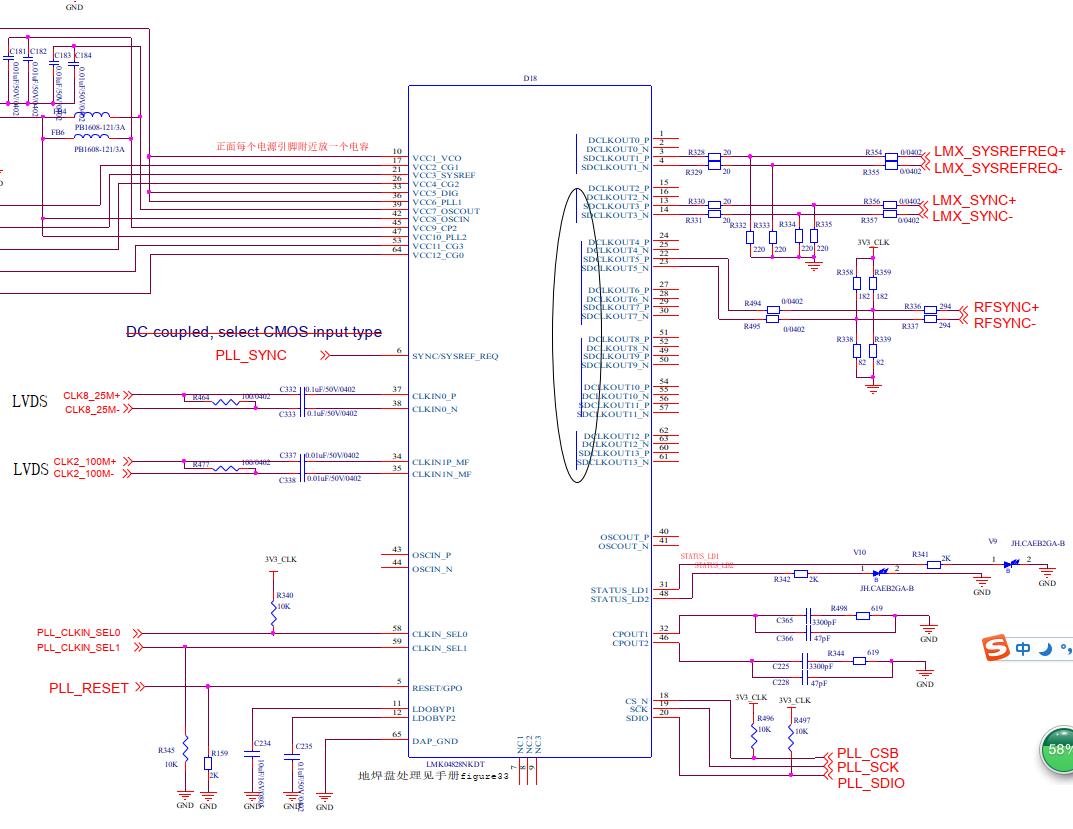
我用了LMK04828芯片,仅用到了时钟同步功能,未使用PLL,因此芯片43/44引脚的参考时钟悬空未接。

输入时钟是LVDS电平,在CLKIN0、CLKIN1都接有时钟,输出配置使用TICS,将CLKIN1配置为FIN,在开发板上输出正常,但在我自己的电路板上输出接口一直无任何波形输出。

  • 您好,能否附上TICSPro的配置看下?
  • 您好!这是我们的配置文件

    R0 (INIT)	0x000090
    R0	0x000000
    R2	0x000200
    R3	0x000306
    R4	0x0004D0
    R5	0x00055B
    R6	0x000600
    R12	0x000C51
    R13	0x000D04
    R256	0x010001
    R257	0x010155
    R258	0x010255
    R259	0x010302
    R260	0x010400
    R261	0x010502
    R262	0x0106D0
    R263	0x010710
    R264	0x010801
    R265	0x010955
    R266	0x010A55
    R267	0x010B02
    R268	0x010C00
    R269	0x010D12
    R270	0x010E70
    R271	0x010F10
    R272	0x011001
    R273	0x011155
    R274	0x011255
    R275	0x011302
    R276	0x011400
    R277	0x011512
    R278	0x011670
    R279	0x011710
    R280	0x011801
    R281	0x011955
    R282	0x011A55
    R283	0x011B00
    R284	0x011C20
    R285	0x011D12
    R286	0x011E78
    R287	0x011F17
    R288	0x012001
    R289	0x012155
    R290	0x012255
    R291	0x012300
    R292	0x012420
    R293	0x012512
    R294	0x012678
    R295	0x012717
    R296	0x012801
    R297	0x012955
    R298	0x012A55
    R299	0x012B02
    R300	0x012C00
    R301	0x012D12
    R302	0x012EF8
    R303	0x012F11
    R304	0x013001
    R305	0x013155
    R306	0x013255
    R307	0x013300
    R308	0x013420
    R309	0x013511
    R310	0x013678
    R311	0x013717
    R312	0x013845
    R313	0x013900
    R314	0x013A00
    R315	0x013B01
    R316	0x013C00
    R317	0x013D00
    R318	0x013E03
    R319	0x013F06
    R320	0x014080
    R321	0x014100
    R322	0x014200
    R323	0x0143D1
    R324	0x014400
    R325	0x01457F
    R326	0x014608
    R327	0x014713
    R328	0x014802
    R329	0x014942
    R330	0x014A02
    R331	0x014B16
    R332	0x014C00
    R333	0x014D00
    R334	0x014EC0
    R335	0x014F7F
    R336	0x015003
    R337	0x015102
    R338	0x015200
    R339	0x015300
    R340	0x015402
    R341	0x015500
    R342	0x01560A
    R343	0x015700
    R344	0x015801
    R345	0x015900
    R346	0x015A0A
    R347	0x015BD4
    R348	0x015C20
    R349	0x015D00
    R350	0x015E00
    R351	0x015F0B
    R352	0x016000
    R353	0x016101
    R354	0x016224
    R355	0x016300
    R356	0x016400
    R357	0x016509
    R369	0x0171AA
    R370	0x017202
    R380	0x017C15
    R381	0x017D33
    R358	0x016600
    R359	0x016700
    R360	0x016801
    R361	0x016959
    R362	0x016A20
    R363	0x016B00
    R364	0x016C00
    R365	0x016D00
    R366	0x016E13
    R371	0x017320
    R386	0x018200
    R387	0x018300
    R388	0x018400
    R389	0x018500
    R392	0x018800
    R393	0x018900
    R394	0x018A00
    R395	0x018B00
    R8189	0x1FFD00
    R8190	0x1FFE00
    R8191	0x1FFF53
    

  • 您好, 我是想看下TICSPro的CLKin and PLLs页面以及Clock output 页面的配置,一般情况下配置好了, 生成的寄存器没问题的。
    那么 您是否正确配置每个通道的输出情况,比如CLKoutX_Y_PD是否power down了导致没有输出?
    另外,未使用PLL,是否将PLL disable 了?
  • 陈老师您好,PLL在配置软件中勾选了PD选项,对应需求的输出通道也均已打开,具体通道配置和tcs已添加附件,劳烦再帮忙确认下是否哪里配置不当,另外如果可以的话,能否麻烦您私下联系电话跟你直接请教一下,麻烦您了,感谢。

  • 您好,抱歉回复晚了,不知您的问题解决了没,您是否已经将TICSPro的配置加载到您的板子中了?
    另外,配置寄存器R2 为power down状态,是否能观察电流降下来了? 从而来判断芯片是否在工作。