Part Number: TFP401A
Other Parts Discussed in Thread: SN75LVDS83B, , TFP401, SN75LVDS83
LVDS屏幕是18Bit的 SN75LVDS83B是按照手册18Bit接线

屏幕官方手册原理图

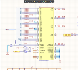
TFP401A原理图

花屏

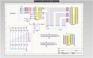
PCB截图 去耦电容都没焊 SN75LVDS83B 焊接的时候发现引脚不上锡 买了好长时间了 估计是受潮氧化了
新买的芯片还没到 做过这种方案的大神 帮帮看看原理图有没有问题

This thread has been locked.
If you have a related question, please click the "Ask a related question" button in the top right corner. The newly created question will be automatically linked to this question.
Part Number: TFP401A
Other Parts Discussed in Thread: SN75LVDS83B, , TFP401, SN75LVDS83
LVDS屏幕是18Bit的 SN75LVDS83B是按照手册18Bit接线

屏幕官方手册原理图

TFP401A原理图

花屏

PCB截图 去耦电容都没焊 SN75LVDS83B 焊接的时候发现引脚不上锡 买了好长时间了 估计是受潮氧化了
新买的芯片还没到 做过这种方案的大神 帮帮看看原理图有没有问题

您好,花屏有可能和layout有关,比如RGB的走线长度不要太长。
看了下18bit的data mapping都没问题。
RGB不需要等长。附图中的走线看起来没问题。
另外,TFP401 的clock是上升沿触发还是下降沿触发? 要和LVDS83一致,SN75LVDS83的CLKSEL引脚决定clock触发模式。
同样TFP401A的OCK_INV 引脚的配置要和CLKSEL匹配。
看了下原理图没什么问题,就是LVDS83输出的LVDS信号,在靠近显示屏端是否有端接100ohm匹配电阻?
另外,layout中这几对圆弧状是差分走线吗?

我觉得最好是在LVDS83的输出端用示波器测量下LVDS的波形,或者眼图,看下信号完整性问题。
好的,显示屏内部集成100ohm匹配电阻的话, 外部就不需要端接了。
原理图我没看出有什么问题来,建议如果新买的芯片到了,把电源去耦电容都加上,更换新的试试是否还出现花屏。
另外,这是一篇关于LVDS design guideline的应用手册,包括LVDS 差分走线规则。可以参考下: