可以把AB上升沿和下降沿引脚并联一起,检测输入信号边沿变化吗?既可以检测上升沿,也可以检测下降沿,不用2片分别检测上升和下降
This thread has been locked.
If you have a related question, please click the "Ask a related question" button in the top right corner. The newly created question will be automatically linked to this question.
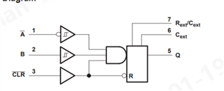
A,B 引脚其实是边沿检测,假设AB连接一起B上升沿,A检测不到上升沿内部保持状态不变,同理A下降沿,B检测不到上升沿,这样就可以实现边沿检测、
另外我在另一个论坛上看到有网友,连在一起使用过
关于使用SN74LVC1G123同时检测上升沿和下降沿的电路图,下面手册使用的是2个 SN74LVC1G123,如下截图所示,并没有将A和 B输入引脚连接在一起仅使用1个SN74LVC1G123。
https://www.ti.com.cn/cn/lit/an/zhcaad2a/zhcaad2a.pdf
关于仅使用1个SN74LVC1G123实现上述功能,我这边没有找到相关说明资料,也不确定是否存在潜在的不妥。
鉴于上述链接文档的应用电路和数据手册中真值表也没有列出这一使用状态,我建议您还是使用2个SN74LVC1G123去实现上述功能,以免产品使用后期出现问题。
