请注意,本文内容源自机器翻译,可能存在语法或其它翻译错误,仅供参考。如需获取准确内容,请参阅链接中的英语原文或自行翻译。
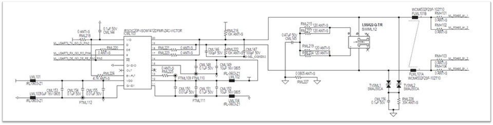
器件型号:ISOW1412 工具/软件:
尊敬的专家:
请帮助进行原理图检查并提供反馈。非常感谢

此致、
Barton
This thread has been locked.
If you have a related question, please click the "Ask a related question" button in the top right corner. The newly created question will be automatically linked to this question.
工具/软件:
尊敬的专家:
请帮助进行原理图检查并提供反馈。非常感谢

此致、
Barton