工具/软件:
您好:
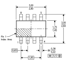
DCN 封装的封装图文档似乎缺少焊盘图案信息。 您是否能够提供包含机械和电路板布局信息的 DCN 封装图纸文档的更新版本?
DCN 封装图: DCN (R-PDSO-G8
我已经提出了这个问题的几个不同的其他软件包,有缺失的信息. 有时文档只具有 3D 预览、根本没有机械数据和焊盘图案。 我想知道这是否仍然是一个正在调查的问题、或者可能已经在处理中。
Ultra Librarian BXL 文件是否也是获取封装轮廓/推荐焊盘图案信息的可靠替代参考? 这些文件是否也会通过 TI 的内部 QA?
感谢你能抽出时间。





