Other Parts Discussed in Thread: TLV9164, TLV9364
器件型号: TLV9364
主题中讨论的其他器件: TLV9164、
你好。
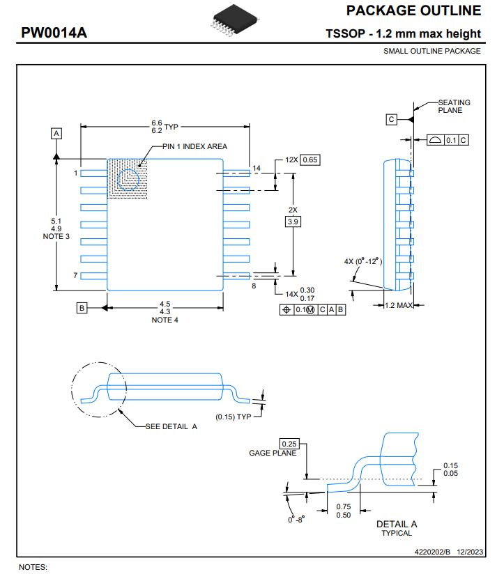
在查看数据表时、我写信询问 TSSOP (14) 封装的正确尺寸:第一页上的尺寸或第 46 页上封装轮廓中的尺寸。
此外、
对于使用电压跟踪同相放大器的应用、您是否可以推荐具有 4 个或更多通道、0.8mV 或更低失调电压、5MHz 频率或更高以及 12V/us 或更高压摆电压的超小型、超实惠的运算放大器?
此致、 

This thread has been locked.
If you have a related question, please click the "Ask a related question" button in the top right corner. The newly created question will be automatically linked to this question.
Other Parts Discussed in Thread: TLV9164, TLV9364
器件型号: TLV9364
主题中讨论的其他器件: TLV9164、
你好。
在查看数据表时、我写信询问 TSSOP (14) 封装的正确尺寸:第一页上的尺寸或第 46 页上封装轮廓中的尺寸。
此外、
对于使用电压跟踪同相放大器的应用、您是否可以推荐具有 4 个或更多通道、0.8mV 或更低失调电压、5MHz 频率或更高以及 12V/us 或更高压摆电压的超小型、超实惠的运算放大器?
此致、 

您好:
查看数据表时、我写信询问 TSSOP (14) 封装的正确尺寸:第一页的尺寸或第 46 页封装轮廓中的尺寸。
首页表和封装图与两个屏幕截图中的尺寸相匹配。 之所以产生混淆、可能是因为封装图显示容差的上限和下限、而首页表显示的是上限和下限之间的典型值。
使用我们的在线交叉参考工具、我已筛选出您分享的标准。 您可以修改以下链接、以进一步筛选适合您工程的器件。
TLV9164 是成本最低的四通道选项、几乎可满足您的规格要求。 为了提供尽可能多的满足其他要求的选项、我将 Vos 滤波器设置为 1mV。 希望这对您有所帮助。

此致、
Chris Featherstone