请注意,本文内容源自机器翻译,可能存在语法或其它翻译错误,仅供参考。如需获取准确内容,请参阅链接中的英语原文或自行翻译。
部件号:LMV342 主题中讨论的其他部件:TINA-TI, TLV342
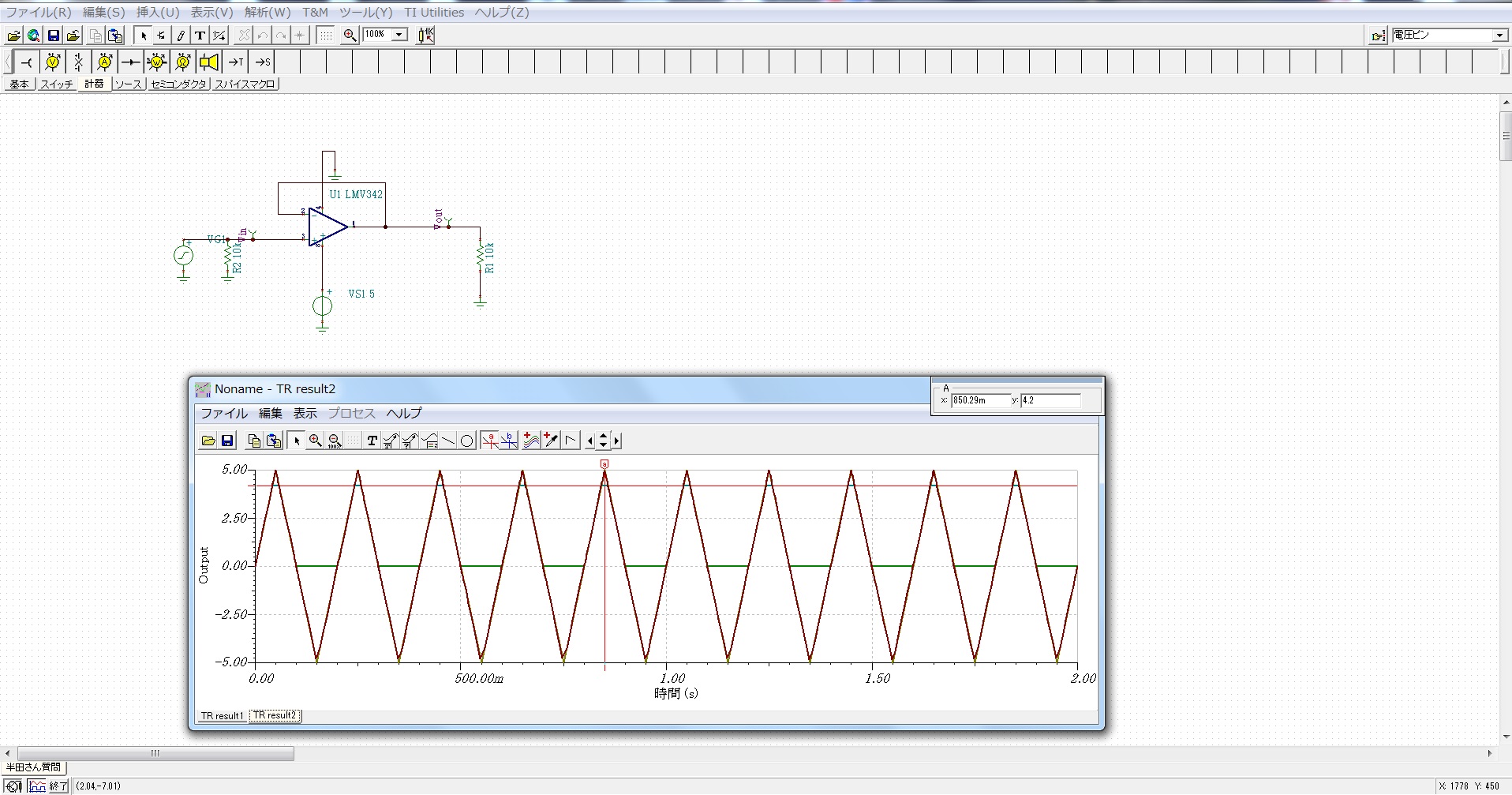
工具/软件:TINA-TI或Spice模型
尊敬的各位:
您能否告诉我TINA-TI结果与实际值不同的原因?
I输入5V时,TINA-TI的输出电压为4.2V。
而另一方的实际输出值则为4.8V。
为什么会出现这种差异?
此致,
This thread has been locked.
If you have a related question, please click the "Ask a related question" button in the top right corner. The newly created question will be automatically linked to this question.