主题中讨论的其他部件: OPA1622, TLV376
你(们)好
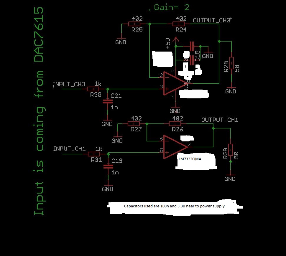
我正在使用LM7322QMA/NOPB,这是一个双运算放大器。 我在非反相配置中连接了两个运算放大器,并且使用402欧姆电阻器将增益设置为2。
例如,如果我在输入第一个运算放大器1.8 电压时申请,我得到 的3.6 电压是正确的
如果我在第二个运算放大 器1.8 伏特的输入处应用, 我得到 的是2.8 伏特,而不是3.6 伏特。
您知道吗´原因是什么? 为什么会发生这种情况
我想要高输出运算放大器,这就是我使用此运算放大器的原因




