This thread has been locked.

If you have a related question, please click the "Ask a related question" button in the top right corner. The newly created question will be automatically linked to this question.

[参考译文] THS4551:SLOA054E 的噪声分析

Guru**** 2386620 points
Other Parts Discussed in Thread: THS4551, THS4531A, TINA-TI
请注意,本文内容源自机器翻译,可能存在语法或其它翻译错误,仅供参考。如需获取准确内容,请参阅链接中的英语原文或自行翻译。

https://e2e.ti.com/support/amplifiers-group/amplifiers/f/amplifiers-forum/1095131/ths4551-noise-analysis-from-sloa054e

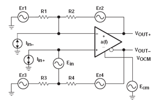
器件型号:THS4551
主题中讨论的其他器件: THS4531ATINA-TI

您好!

我有一个与 THS4551噪声分析相关的问题(但问题与所有 FDA 相关)。

当电阻器不同时、我尝试计算噪声增益。 关于 James Karki 的 SLOA054E、结果为2 /(Beta1 + Beta2)。

我理解在 SLOA054E 上进行的计算、但我不理解为什么每一个单端都有一半的 EOD。

1/是否只是为了简化计算?

2在实际生活中,如果我测量差分噪声,它将与在每个单端输出上测量的噪声相同,但乘以大约 sqrt (2),我错了吗?

3/是否可以使用公式§8 (如公式15)计算噪声增益?

非常感谢

  • 请注意,本文内容源自机器翻译,可能存在语法或其它翻译错误,仅供参考。如需获取准确内容,请参阅链接中的英语原文或自行翻译。

    您好、Matthieu、

    下面是有关全差动放大器噪声的另一个应用手册:

    e2e.ti.com/.../snoa506a.pdf

    Kai

  • 请注意,本文内容源自机器翻译,可能存在语法或其它翻译错误,仅供参考。如需获取准确内容,请参阅链接中的英语原文或自行翻译。

    尊敬的 Kai:

    感谢您的反馈。 尽管如此、我已经阅读了此应用手册、但我正在搜索以了解具有不平衡反馈电阻器的噪声公式。

    SLOA054E 是我在这方面发现的唯一应用手册、非常有用、但在将一半的 EOD 分配给每个单端时、我一开始就感到困惑。

    Matthieu

  • 请注意,本文内容源自机器翻译,可能存在语法或其它翻译错误,仅供参考。如需获取准确内容,请参阅链接中的英语原文或自行翻译。

    为什么会不平衡它们、这会产生许多伪影、例如输入到 CM 转换。  

  • 请注意,本文内容源自机器翻译,可能存在语法或其它翻译错误,仅供参考。如需获取准确内容,请参阅链接中的英语原文或自行翻译。

    您好、Michael、

    我并不想真正平衡反馈网络、但我想了解 SLOA054E 中给出的通用方程及其起点。

    Matthieu

  • 请注意,本文内容源自机器翻译,可能存在语法或其它翻译错误,仅供参考。如需获取准确内容,请参阅链接中的英语原文或自行翻译。

    在关注 FDA 配套资料的少数人中、只有 Karki 倾向于探讨理论上的失配问题-有趣、但对最终应用程序没有过度的用处。  

  • 请注意,本文内容源自机器翻译,可能存在语法或其它翻译错误,仅供参考。如需获取准确内容,请参阅链接中的英语原文或自行翻译。

    好的、我明白了。 还有两个问题。

    1/在实际生活中、如果我测量差分噪声、它将与在每个单端输出上测量的噪声相同、但乘以大约 sqrt (2)、对吧?

    2、因此可以使用标准公式通过 Vout_diff / Vin+计算噪声增益、对吧? 我知道结果是1 + RF/Rg、但如何计算它、它是否像一个 V+= V-的标准反相放大器?

    PS:是否可以联系 Karki?

    Matthieu

  • 请注意,本文内容源自机器翻译,可能存在语法或其它翻译错误,仅供参考。如需获取准确内容,请参阅链接中的英语原文或自行翻译。

    您好、 Matthieu、

     1.正确。 THS4554的数据表包含一个噪声分析部分、其中显示了主要术语、并显示了各个噪声源如何影响最终估算的 FDA 噪声:

         

      此外、这里是标准与 FDA 噪声分析电路:

         

     FDA 的噪声增益与标准放大器的噪声增益相同。 此视频系列(视频1和2)逐步介绍了如何计算 FDA 的噪声增益:

       training.ti.com/ti-precision-labs-op-amps-fully-differential-amplifiers-introduction-fdas-and-differential

  • 请注意,本文内容源自机器翻译,可能存在语法或其它翻译错误,仅供参考。如需获取准确内容,请参阅链接中的英语原文或自行翻译。

    您好、Matthieu、

    通过使用具有平衡电阻器的电路可获得数据表中的噪声规格。 由于输出噪声是相关和不相关噪声的复杂总和、并且从平衡电阻器变为不平衡电阻器会改变这些噪声源的混合、因此在更改为不平衡电阻器时、数据表中给出的噪声规格将不再有效。

    这不是真正的限制、因为不管怎样、使用不平衡电阻器运行 FDA 是没有意义的。

    Kai

  • 请注意,本文内容源自机器翻译,可能存在语法或其它翻译错误,仅供参考。如需获取准确内容,请参阅链接中的英语原文或自行翻译。

    好的、Matthieu、我不是很想看、但我认为这里是您遇到问题的第13页部分、  

    Karki 是在平坦频谱噪声和 RMS 噪声之间来回跳动的一种方法。 但是、当说下面的内容时、我认为他是为了表示每个输出上有1/2的输出 Vpp 噪声(取差分 RMS 乘以噪声功率带宽)-根据定义、 从差分转换为单端-如果您想考虑输出 RMS 差分噪声-不是很确定将其转移到0.707的两侧有多大意义、因为它们显然是相关的-毫无疑问、这是令人困惑的、  

  • 请注意,本文内容源自机器翻译,可能存在语法或其它翻译错误,仅供参考。如需获取准确内容,请参阅链接中的英语原文或自行翻译。

    我知道这是电阻器不平衡时的一个特殊情况、但它有助于我了解 FDA 中的更好噪声。

    因此、如果噪声在 FDA 的 OUT+和 OUT-之间相关、则差分噪声将是每个单端的两倍、而不是 sqrt (2)?

    我进行了一些测量、发现了 sqrt (2)比率、但这可能是由于我的测量方法(在输出侧使用平衡-非平衡变压器、在频谱分析仪上使用输入)。

  • 请注意,本文内容源自机器翻译,可能存在语法或其它翻译错误,仅供参考。如需获取准确内容,请参阅链接中的英语原文或自行翻译。

    您好、Sima、

    关于 FDA 的噪声增益、我的问题更多是当电阻器不平衡时。

  • 请注意,本文内容源自机器翻译,可能存在语法或其它翻译错误,仅供参考。如需获取准确内容,请参阅链接中的英语原文或自行翻译。

    您好、Matthieu、

     我不能完全确定上述内容是否仍会影响非对称/不匹配反馈。 由于 Vocm 引脚随失配增加而产生的额外噪声会导致更多噪声、这将高于 sloa054e 应用手册中的推导噪声。  

     此外、正如 Michael 在先前的响应中所示、由于 Beta1和 beta2之间的不匹配、不平衡路径的 EOD 将会不同。 因此、电路的噪声增益将与标准单端电压反馈放大  器不同、具体取决于 sloa054e 应用手册中图11至14的说明中所示的不匹配情况。 如果 NG 不同、则 在上述估算的简化 FDA 噪声分析电路中替换时会抛出相应的值。  

    谢谢、

    Sima  

  • 请注意,本文内容源自机器翻译,可能存在语法或其它翻译错误,仅供参考。如需获取准确内容,请参阅链接中的英语原文或自行翻译。

    您好、Sima、

    您是否知道是否可以就此与 James Karki 联系?

    谢谢

    此致

  • 请注意,本文内容源自机器翻译,可能存在语法或其它翻译错误,仅供参考。如需获取准确内容,请参阅链接中的英语原文或自行翻译。

    嗯、Mathhieu、Jim 已经退休了几年了、可能不会对这项2002年的努力感到困扰。 我模糊地记得、早期的 LTC FDA 数据表中的一些数据表也可能涉及到不模糊的反馈比。  

  • 请注意,本文内容源自机器翻译,可能存在语法或其它翻译错误,仅供参考。如需获取准确内容,请参阅链接中的英语原文或自行翻译。

    好的、Michael、我现在明白为什么无法与 James 联系、没有问题。

    我将在 LTC 上进行检查。

    再说一次、我的最后一个问题、即使在平衡 FDA 中也是如此。

    输出差分噪声是否是 FDA 单端输出上产生的每种噪声的两倍? 另一方面、两个单端输出上的输出噪声是否相关? 我谈论的是来自 FDA 本身的噪声、而不是电阻器。

    我进行了一些测量、发现了 sqrt (2)比(差分和单端之间)、但这可能是由于我的测量方法(在输出侧使用平衡-非平衡变压器、在频谱分析仪上使用输入)。

    我还使用 THS4531A 模型进行了一些仿真、该模型对噪声进行了建模、结果是差分噪声是噪声的两倍。

    因此、我的仿真和测量结果不一致、谁有罪?

    再次感谢

  • 请注意,本文内容源自机器翻译,可能存在语法或其它翻译错误,仅供参考。如需获取准确内容,请参阅链接中的英语原文或自行翻译。

    您好、Matthieu、

     对于平衡 FDA、我预计单端噪声将接近 sqrt (2)。 如果不平衡、比率将更大。 根据平衡-非平衡变压器的性能/平衡、这将改善测量。  

    谢谢、
    Sima  

  • 请注意,本文内容源自机器翻译,可能存在语法或其它翻译错误,仅供参考。如需获取准确内容,请参阅链接中的英语原文或自行翻译。

    您好、Matthieu、

    我将绘制一个具有分立式晶体管的全差分放大器、因此需要对晶体管级别进行一些 SPICE 仿真。 这是了解哪些噪声源是相关的、哪些不是相关的最简单方法。

    请记住、第一个晶体管级产生的噪声最大、并且不平衡电阻器会使两个晶体管产生不同的噪声部分。 因此、您需要在每个输入端添加单独的噪声电压源。 另一方面、用于仿真 FDA 输入噪声电压的单个噪声电压源仅对平衡电阻器有效、因为两个输入晶体管的行为几乎与噪声完全相同。

    Kai

  • 请注意,本文内容源自机器翻译,可能存在语法或其它翻译错误,仅供参考。如需获取准确内容,请参阅链接中的英语原文或自行翻译。

    尊敬的 Kai:

    感谢您的反馈。

    我还有一个问题(希望是最后一个问题)。 在具有不平衡电阻器的 FDA 上、R2对纹波的噪声贡献是多少。

    在 SLOA054E 中、噪声直接施加到输出端。

    这也是我的第一种感觉。 但是、我已经通过 Spice 仿真检查了这一点、但情况似乎并非如此。

    通过计算运算放大器 V-上 R2的噪声贡献、我可以获得与 Spice 相同的结果。 我找到了 ER2 *(R1 /(R1+R2)。

    然后、我将该值乘以噪声增益(2 /(Beta1 + Beta2))。 这样、结果与 Spice 仿真相同、但与 R2的噪声在输出端施加的是不可时钟的事实相矛盾。

    请听我说。

  • 请注意,本文内容源自机器翻译,可能存在语法或其它翻译错误,仅供参考。如需获取准确内容,请参阅链接中的英语原文或自行翻译。

    您好、Matthieu、

      如果考虑其热噪声、R2将具有相同的影响、但会根据其对其他电阻器的值而增大/减小。 Kai 指出、每个输入的输入电压噪声 Ein 将有所不同。 此外、您还将具有不同的 Betas。  

    谢谢、

    Sima  

  • 请注意,本文内容源自机器翻译,可能存在语法或其它翻译错误,仅供参考。如需获取准确内容,请参阅链接中的英语原文或自行翻译。

    您好!

    好的、Jim 编写的公式可能包含一个错误?

    R2对 EOD 的贡献似乎是(2*ER2*Beta2)/(Beta1+Beta2)²而不是 Er2²。 我还无法严格证明、但仿真也同意了这一点。

    谢谢

  • 请注意,本文内容源自机器翻译,可能存在语法或其它翻译错误,仅供参考。如需获取准确内容,请参阅链接中的英语原文或自行翻译。

    您好、Matthieu、

      这是否仅适用于 ER2而不适用于 Er4?  

      您是否能够共享仿真文件或仿真原理图?  

    谢谢、

    Sima  

  • 请注意,本文内容源自机器翻译,可能存在语法或其它翻译错误,仅供参考。如需获取准确内容,请参阅链接中的英语原文或自行翻译。

    您好、Sima、

    不、这也适用于 Er4、我专注于 R2只是为了简化。

    我使用以下原理图在 PSpice 上进行仿真:

    鱼头平衡 FDA

    sqrt (ntot (Rx))的值是 Rx 对 Voutp 和 Voutm 之间的总输出噪声的贡献。 这些值由仿真输出。

    现在、我将 R1更改为500欧姆

    现在、R2产生了3.2571nV/srtq (Hz)的输出噪声。

    我可以使用以下公式计算该值、下面是我的建议:

    Matthieu

  • 请注意,本文内容源自机器翻译,可能存在语法或其它翻译错误,仅供参考。如需获取准确内容,请参阅链接中的英语原文或自行翻译。

    您好、Matthieu、

     我不在办公室,将进一步研究最后一个答复。

    谢谢、
    Sima  

  • 请注意,本文内容源自机器翻译,可能存在语法或其它翻译错误,仅供参考。如需获取准确内容,请参阅链接中的英语原文或自行翻译。

    您好、Sima、

    好的、我将等待您的反馈。

    谢谢

  • 请注意,本文内容源自机器翻译,可能存在语法或其它翻译错误,仅供参考。如需获取准确内容,请参阅链接中的英语原文或自行翻译。

    您好、Matthieu、

     很抱歉耽误你的时间。 我随函附上了一个 Word 文档、其中介绍了 THS4531A 平衡和不平衡版本的仿真和计算。 它与使用 Karki 和 Michael 等式的仿真非常匹配。 我无法包含共模噪声、因为数据表中未指定共模噪声、这也意味着它也不是建模的。 但是、在实践中、由于不匹配、您会看到更高的共模噪声。 此外、如前所述、由于阻抗与输入晶体管级不匹配、每个输入的 Ein 将有所不同。 这在文档中没有考虑。  

     如果您对文档中的内容有疑问、请告诉我。

    感谢您的耐心等待、

    Sima  

     e2e.ti.com/.../THS4531A-Noise-Analysis.docx

  • 请注意,本文内容源自机器翻译,可能存在语法或其它翻译错误,仅供参考。如需获取准确内容,请参阅链接中的英语原文或自行翻译。

    您好、Sima、

    我阅读了您的文档、并有一些意见:

    ——关于迈克尔在一个平衡的案例中的等式,我毫无疑问是真的。 尽管如此、我发现23.089 nV/sqrt (Hz)而不是23.073 nV/sqrt (Hz)、但并不十分重要。

    关于 Jim 的不平衡版本等式,我很怀疑。 您将 ER1、ER2替换为功率噪声、但我假设 Jim 在电压中使用噪声(因为他使用的是方形噪声)。

    即使没有这个、我认为很难使用总结果来生成最终公式。 您的仿真可提供27.3nV/sqrt (Hz)。 如果我将 Jim 的公式用于电压噪声、我会发现27.07 nV/sqrt (Hz)。 如果我使用 Jim 提供的方程式、但将 ER2和 Er4替换为我之前写过的一篇文章、我会发现27.12 nV/sqrt (Hz)。

    两个结果相似。 这就是为什么我使用 PSpice 而不是 Tina TI。 在 PSpice (也在 LTSPICE 中)中、我们可以检查一个电阻器对总输出噪声的噪声贡献。 我在 Tina TI 不知道该函数、但可能是这样的。 通过使用 PSpice 和 LTSpice 进行检查、我再次发现 R2和 R4不直接贡献输出、而是将其噪声乘以2*Beta2/(Beta1+Beta2)或2*Beta1/(Beta1+Beta2)。

    Matthieu

  • 请注意,本文内容源自机器翻译,可能存在语法或其它翻译错误,仅供参考。如需获取准确内容,请参阅链接中的英语原文或自行翻译。

    您好、Matthieu、

     感谢您在 Word 文档中查看示例。  

      抱歉、我没有意识到工具检查了每个组件的噪声贡献。 我不相信 TINA-TI 有能力、但我可能会被误解。 我正在检查总噪声。 现在我看到您说的、放大器的输出中已经考虑了这些噪声源、而不是需要对器件的输入进行重新计算。 尽管我认为您的上述公式工作原理是正确的、但当 VOD 直接包含 ER2和 Er4时、我认为不会以这种方式包含噪声。 类比将包括直接位于  电路输出端的基准电压。 Bruce Trump 的这篇文章更详细地介绍了这篇文章: www.edn.com/.../

      我确实看到该值更接近于您的公式进行仿真。 我需要与同事进行讨论、并在星期四之前回复您。  

      我对答复之间的持续拖延表示歉意。  

    谢谢、
    Sima  

  • 请注意,本文内容源自机器翻译,可能存在语法或其它翻译错误,仅供参考。如需获取准确内容,请参阅链接中的英语原文或自行翻译。

    您好、Matthieu、

     一般反馈是值差异相似、但在实际应用中、电路板上的噪声仍然会增加。  

      上面的类比将应用于输出反馈电阻器噪声项。  

    谢谢、

    Sima  

  • 请注意,本文内容源自机器翻译,可能存在语法或其它翻译错误,仅供参考。如需获取准确内容,请参阅链接中的英语原文或自行翻译。

    您好、Matthieu、

    如果这不仅是一个学术问题、而且是一个实际问题、我会构建两次相关电路、一个具有平衡反馈电阻器、另一个具有不平衡反馈电阻器。 然后、对两者执行噪声测量。

    正如我之前所说、全差动放大器仅在具有平衡反馈电阻器的情况下才有意义、因为差动放大器的本质是在两个输入端看到相同的情况。 因此、大多数甚至不是所有参数、如噪声等、都是针对平衡反馈电阻器指定的。

    Kai

  • 请注意,本文内容源自机器翻译,可能存在语法或其它翻译错误,仅供参考。如需获取准确内容,请参阅链接中的英语原文或自行翻译。

    您好 Kai 和 Sima、

    我理解您的反馈。 是的、这是一个学术性更高的问题、因为正如您所说的、我们在平衡模式下使用 FDA。 我将在下周与一些同事讨论这一点、并向您提供我们的反馈。

    谢谢

  • 请注意,本文内容源自机器翻译,可能存在语法或其它翻译错误,仅供参考。如需获取准确内容,请参阅链接中的英语原文或自行翻译。

    您好!

    很抱歉、我延误了、但一些同事本周已不上班、因此我将在下周二之前与我们讨论。 我希望下周二能通知您。

  • 请注意,本文内容源自机器翻译,可能存在语法或其它翻译错误,仅供参考。如需获取准确内容,请参阅链接中的英语原文或自行翻译。

    您好、Matthieu、

     感谢您的更新。

    此致、

    Sima

  • 请注意,本文内容源自机器翻译,可能存在语法或其它翻译错误,仅供参考。如需获取准确内容,请参阅链接中的英语原文或自行翻译。

    您好!

    我们对方程式进行了一些内部讨论,我们同意 R2 (和 R4)对输出噪声的噪声贡献为2*Beta2/(Beta1+Beta2)(和 2*Beta1/(Beta1+Beta2))。

    因此、我们认为 SLOA054E 上的 VOD 最终等式存在误差(即使对总噪声的影响很弱、等式似乎也是错误的)。

    此致

  • 请注意,本文内容源自机器翻译,可能存在语法或其它翻译错误,仅供参考。如需获取准确内容,请参阅链接中的英语原文或自行翻译。

    您好、Matthieu、

     提议的方程式确实导致了一个稍接近的答案。 对于单端放大器的噪声分析、我们还直接应用了这些噪声项。  

    1. https://www.ti.com/lit/an/sboa066a/sboa066a.pdf?ts=1654670794841&ref_url=https%253A%252F%252Fwww.google.com%252F (第4页)
    2. https://www.ele.uva.es/~lourdes/docencia/itl/Presentaciones/noiseTI.pdf (第14页)

     但是、在上述链路中、该术语确实会通过组合减小、从而产生受增益网络影响的类似术语。

    谢谢、

    Sima  

  • 请注意,本文内容源自机器翻译,可能存在语法或其它翻译错误,仅供参考。如需获取准确内容,请参阅链接中的英语原文或自行翻译。

    您好、Sima、

    是的、在单端放大器中、R2的电阻器噪声直接施加到输出端、因为负输入端的电压为0V。

    但 FDA 的情况并非如此、因此我们认为下面的公式错误、Spice 仿真证实了这一点。

    此致

  • 请注意,本文内容源自机器翻译,可能存在语法或其它翻译错误,仅供参考。如需获取准确内容,请参阅链接中的英语原文或自行翻译。

    您好、Matthieu、  

    我想这里对噪声源如何应用于放大器有一些简单的误解。 如上文 Sima 所述、我们可以将反馈电阻器的电压噪声建模为位于放大器输出端的电压源。 运算放大器和 FDA 都是如此。 在这种情况 下、输出端电压源的增益必须仅为1V/V、因此电阻器的噪声将直接显示在输出端。 我们可以通过几种方法使用仿真来展示这一点。  

    首先、我们可以使用 FDA 的理想模型来消除放大器产生的任何噪声。 (1T 电阻器仅用于收敛)。  

     

    在本示例中、我已将所有电阻器的绝对温度设置为-273.15摄氏度、这将使其无噪声。 但我将电阻器 R3保持在27摄氏度  

    运行输出噪声仿真可产生4.071nV/rtHz 的噪声、这正是27°C 时1kOhm 电阻器的值  

    我们也可以对实际的放大器模型进行类似的实验。 在下面的电路中、我使用 THS4551放大器模型。  

    在我的第一次仿真中、我再次将所有电阻器温度设置为-273.15摄氏度、以使其无噪声。 这样、 在1MHz 下测得的输出噪声值为6.67nV/rtHz、仅表示放大器的噪声。 然后、我将电阻器 R1设置为27°C 的温度。如果反馈电阻器噪声确实正如我所说的那样直接添加到输出中、那么的结果应为 TOTAL_Noise = SQRT (Noise_AMP^2 + Noise_R1^2)、在这种情况下、1MHz 时的噪声应为7.81nV/rtHz。  

    当我在启用电阻器噪声的情况下运行仿真时、我确实会根据理论预测在1MHz 下准确仿真7.81nV/rtHz。 我希望这澄清了反馈电阻器噪声在放大器总输出噪声中的存在方式。  

    此致、  

    Jacob

  • 请注意,本文内容源自机器翻译,可能存在语法或其它翻译错误,仅供参考。如需获取准确内容,请参阅链接中的英语原文或自行翻译。

    您好、Jacob、

    我同意您和您的仿真、但您的情况是平衡电阻器。 SLOA054E 中的公式适用于所有情况、如果电阻不平衡、则公式似乎错误。

    换言之、如果您在仿真中更改了 exemple 的 R4 (仅 R4)值、我猜 total_noise 不会是 SQRT (noise_AMP^2 + noise_R1^2)、而是 SQRT (noise_AMP_RTI * NG)^2 +([2*Beta2/(Beta1 noise +a2)]]^R1)。

    Noise_AMP_RTI 为6.67nV/sqrtHz / 2 = 3.335nV/sqrtHz、因为在平衡设计中 NG 为2。

    只是为了清楚:

    -在平衡的情况下,没有问题,一切都好。

    -在不平衡的情况下,方程式似乎是错误的,我们对这一点以及对建议更正有信心。

    此致