请注意,本文内容源自机器翻译,可能存在语法或其它翻译错误,仅供参考。如需获取准确内容,请参阅链接中的英语原文或自行翻译。
器件型号:LMV321 尊敬的专家
客户发现预处理过程中的故障率很高,请就此申请提供一些建议!
输入:

我们发现良好的单位输出如下所示:

异常输出:

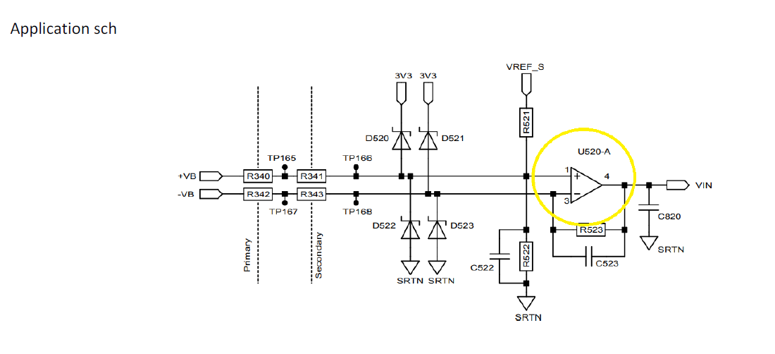
原理图:

This thread has been locked.
If you have a related question, please click the "Ask a related question" button in the top right corner. The newly created question will be automatically linked to this question.
尊敬的专家
客户发现预处理过程中的故障率很高,请就此申请提供一些建议!
输入:

我们发现良好的单位输出如下所示:

异常输出:

原理图:
