请注意,本文内容源自机器翻译,可能存在语法或其它翻译错误,仅供参考。如需获取准确内容,请参阅链接中的英语原文或自行翻译。
器件型号:TLV9061 大家好、
目前,我们使用 TLV9061IDBVR (不是 S 版本),但我们无法获得 TLV9061IDBVR。
因此、我们将 TLV9061SIDBVR (S 版本)作为替代方案。
然后、我们对 S 版本有两个问题。
----
[第1季度]
您能告诉我们绝对最大额定值(AMR)的/SHDN 引脚吗?
我们在数据表中找不到 AMR 的/SHND。
我们猜 AMR 的/SHND 是“(V+)+ 0.5”。
我的理解是否正确?
----
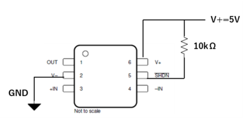
[第2季度]
为了使其工作方式与非 S 版本相同(因此我们不使用/SHND 引脚。 )、我们将考虑以下电路。
如果您有任何疑虑、请告知我们吗?

----
此致、
隐藏