This thread has been locked.

If you have a related question, please click the "Ask a related question" button in the top right corner. The newly created question will be automatically linked to this question.

[参考译文] OPA350:输出电压不正确

Guru**** 2756835 points

Other Parts Discussed in Thread: LM339, OPA350

请注意,本文内容源自机器翻译,可能存在语法或其它翻译错误,仅供参考。如需获取准确内容,请参阅链接中的英语原文或自行翻译。

https://e2e.ti.com/support/amplifiers-group/amplifiers/f/amplifiers-forum/976908/opa350-do-not-output-proper-voltage

器件型号:OPA350
主题中讨论的其他器件:LM339

大家好、团队、

我的客户遵循两种配置。
在这两种情况下、10A 直流电流通过感应电阻器。
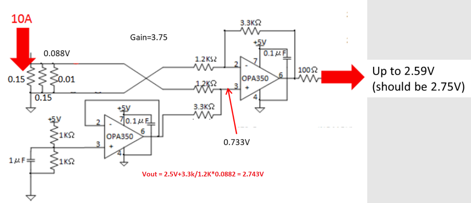
但上图的输出高达4V、下图为2.59V。
在我的上图计算中、电压应为5V (最高 Vcc)、低于2.75V。

您能否估计输出为何不遵循我的计算?

两个负载均为 LM339 (比较器)的7引脚(1IN+)。

此致、
Koyo

  • 请注意,本文内容源自机器翻译,可能存在语法或其它翻译错误,仅供参考。如需获取准确内容,请参阅链接中的英语原文或自行翻译。

    科约

    低于测量误差的电路最有可能是寄生布线电阻和/或输入共模电压范围超出 OPA350的原因- TP17在10A 分流电流下的电压是多少?  它看起来与运算放大器 GND 不同。  运算放大器负电源轨和分流低侧电压之间的任何布线电阻都将改变输入共模电压。

    下面的电路是一个增益为2.75 (3.3k/1.2k)的差分放大器。  因此 Vout = Vref +2.75* Vshun

    读数误差2.59V 而非2.743V 可能由用于增益信号的电阻器的5%容差和/或分流电阻器的容差解释  

  • 请注意,本文内容源自机器翻译,可能存在语法或其它翻译错误,仅供参考。如需获取准确内容,请参阅链接中的英语原文或自行翻译。

    尊敬的 Marek:

    很抱歉我迟到了。

    我了解第二张图片。

    蓝色是流经感应电阻器(0.01、0.02 Ω)的电流波形。
    (请忽略绿色和黄色)。
    蓝色来自电机、峰值电流为7.45A、电机的 Fsw 为20kHz。

    OPA350的 GND 为10mV 至30mV、输出断开。

    我想电流的均方根非常小、因此输出无法达到5V。

    此致、
    Koyo

  • 请注意,本文内容源自机器翻译,可能存在语法或其它翻译错误,仅供参考。如需获取准确内容,请参阅链接中的英语原文或自行翻译。

    您好、Koyo、

    我直到现在才意识到您的分流电流频率相对较高。  因此、您看到的问题是由 C1与 R2和 R3反馈电阻器一起创建的低通滤波器引起的。 使用 10nF 的 C1过滤掉高于160Hz 的信号、因此您会看到错误的读数。

    因此、您必须调整 C1、使其转角频率 fc 高于分流电流的频率。 将 C1更改为10pF 会将 fc 增加至160kHz、从而在数十 kHz 范围内正确读取输入信号–请参阅下文。