Other Parts Discussed in Thread: BUF634A, BUF634
主题中讨论的其他器件: BUF634
您好!
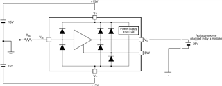
BUF634A 数据表的第8.3.3节 介绍了 ESD 保护特性并提供了以下原理图。 据说"如果共模电压可能高于电源电压、则必须在输入端添加限流电阻器"。 Rin 是原理图中的限流电阻器 foor VIN。

还说过、保护二极管通常可以支持10mA 的连续电流。 它是否也适用于输出 Vo? 在需要低输出阻抗(即不能使用限流电阻器)的应用中、如何保护输出免受过压影响?










