Other Parts Discussed in Thread: THS7372, THS7376
主题中讨论的其他器件: THS7376
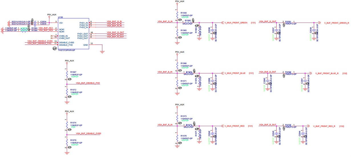
大家好、
现在,我们将 VGA 上升/下降时间测试失败(>spec time)作为附加的测试报告。
我们担心 VGA 迹线上的下电阻器、串联电阻器和 π 型滤波器。
请仔细检查原理图、并建议如何改善上升/下降时间。
谢谢
e2e.ti.com/.../2U-Steel_5F00_Front-VGA_5F00_Test_5F00_Results_2D00_0828.xlsx


