Other Parts Discussed in Thread: SYSCONFIG, INA740B
主题中讨论的其他器件:SysConfig、
工具与软件:
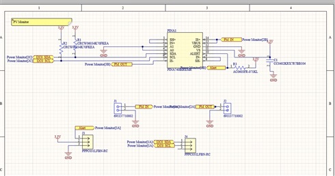
您好、我将 INA740B 数字功率监控器用于大学项目。 我已将其焊接到测试板上、并且正在通过其供电3.3V LED。 我的电源显示3.3V 时的 LED 消耗的功率为0.014A、消耗的功率为0.044W。 不过、我通过功率监控器得到的结果是2.825V、0.0072A 和0.0202W。 为了对功率监视器进行编程、我使用了通过 TI SysConfig 生成的 C 代码、并让其在 Raspberry Pi Pico 上运行。 代码位于 zip 文件附件中。 功率监控器通过 I2C 进行连接就正常、并且正在读取一些数据、尽管这似乎并不准确。 我想可能是以下4件事中的一件:
- 这可能太低了、器件无法准确测量。
- 我没有正确读取其中一个寄存器(电流、电压、功率)。
- 需要调整 ADC 转换时间。
- 电路接线错误或微控制器出现问题。
非常感谢您提供有关此问题的任何建议或建议。

