请注意,本文内容源自机器翻译,可能存在语法或其它翻译错误,仅供参考。如需获取准确内容,请参阅链接中的英语原文或自行翻译。
器件型号:INA296A-Q1 工具与软件:
团队成员、您好!
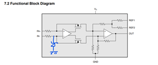
我们的客户想知道该器件是否具有连接到 IC 内部 IN+和 IN-的某种保护功能、例如连接到 GND 的 ZD。 如果您能更详细地介绍内部电路、那将会非常有用。 下图表明客户希望在 GND 和 IN+/IN-之间连接 ZD:

这个问题的背景是、由于 IN+和 IN-被连接到他们系统的电源线、他们担心当器件发生故障时、它可能会通过运算放大器的内部电路短接至 GND。
此致!
胜