This thread has been locked.

If you have a related question, please click the "Ask a related question" button in the top right corner. The newly created question will be automatically linked to this question.

[参考译文] LM48580:打开弹出式单击

Guru**** 2635015 points

Other Parts Discussed in Thread: LM48580

请注意,本文内容源自机器翻译,可能存在语法或其它翻译错误,仅供参考。如需获取准确内容,请参阅链接中的英语原文或自行翻译。

https://e2e.ti.com/support/audio-group/audio/f/audio-forum/1077212/lm48580-turn-on-pop-up-click

部件号:LM48580

您好,

我们正在努力将 MEMS 扬声器集成到产品中。
LM48580放大器用于驱动 MEMS 扬声器。

MEMS 扬声器需要驱动信号的直流偏移。 为此,我们使用 LM48580的 Vbst,通过10kOhm 电阻器耦合到 out+路径,并通过2.2µF Ω 直流块电容器从输出(out+)分离。

当我们启用放大器时,扬声器会发出咔嗒声噪音(这也会在两个输入都与接地连接时发生)。

我们想知道的是,在这种情况下,是否有办法避免放大器启动时发出咔嗒声?

我已附上相关的示意图供您参考。

感谢你的帮助!

  • 请注意,本文内容源自机器翻译,可能存在语法或其它翻译错误,仅供参考。如需获取准确内容,请参阅链接中的英语原文或自行翻译。

    您好,  

    我似乎看不到所附的原理图。 您可以尝试重新连接它吗?

    从您的解释中可以听到的声音是,弹出噪音可能来自扬声器上 Vbst 电压的上升边缘。  

    如果是这种情况, 然后,您可以通过增加10kOhm 电阻器和2.2uF 电容器来缓解一些流行噪音。这将增加 RC 时间常数,扬声器看到的上升边缘将会变慢。这可能会降低噪音的可察觉性。

    阿瑟  

  • 请注意,本文内容源自机器翻译,可能存在语法或其它翻译错误,仅供参考。如需获取准确内容,请参阅链接中的英语原文或自行翻译。

    您好,Arthur,

    感谢您的提示! 上传过程中出现了问题。

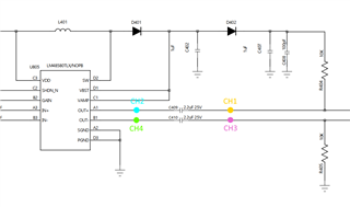
    请查看以下示意图:

    巴西
    米歇尔

  • 请注意,本文内容源自机器翻译,可能存在语法或其它翻译错误,仅供参考。如需获取准确内容,请参阅链接中的英语原文或自行翻译。

    嗨,米歇尔,

    感谢您重新附加原理图。  

    我认为,在这种情况下,您所能做的就是减缓 Vbst 电压的上升边缘。

    我建议增加 C402,C407或 R404

    此致,

    阿瑟

  • 请注意,本文内容源自机器翻译,可能存在语法或其它翻译错误,仅供参考。如需获取准确内容,请参阅链接中的英语原文或自行翻译。

    您好,Arthur,

    感谢你们的提示,我实际上能够模拟电路的这一部分,并在10公里到10万公里之间通过 R404。
    结果与您的预期相符。 但是,与改变 R404相比,增加的 C402和 C407的影响要小得多。
    无论如何,我也实施了硬件更改,结果看起来(和听起来)不错。

    您可以在下面看到我的范围录制文件。
    第一个图显示了测量点。

    在这里,您可以看到信号的时间行为(红色=数学= CH1-CH3),然后再将 R404更改为100kOhm。

    此图显示更改后的曲线。 (我意外更换了通道3和通道4)。



    出于好奇心;在第一个示波器照射中,您可以看到通道3 (粉红色)显示的波形似乎类似于放电曲线。 我想知道这是否是放大器在输出输出输出输出输出输出时产生的信号?
    基本上是因为输入没有差异而试图减小差分输出信号的安培数?

    非常感谢您的帮助!
    米歇尔