This thread has been locked.

If you have a related question, please click the "Ask a related question" button in the top right corner. The newly created question will be automatically linked to this question.

[参考译文] TAS5760M:PBTL配置的开机顺序

Guru**** 2521290 points
Other Parts Discussed in Thread: TAS5760M, TAS5760XXEVM

请注意,本文内容源自机器翻译,可能存在语法或其它翻译错误,仅供参考。如需获取准确内容,请参阅链接中的英语原文或自行翻译。

https://e2e.ti.com/support/audio-group/audio/f/audio-forum/639489/tas5760m-power-on-sequence-for-pbtl-configuration

部件号:TAS5760M
主题中讨论的其他部件: TAS5760XXEVM

您好,

以下TAS5760M数据表中提及的PBTL配置的通电顺序不符合此顺序。
如果在加电后通过I2C总线设置寄存器之前,外部组件已在PBTL配置中设置,当/SPK_SD引脚在几秒钟内被取消断言为“高”时,您是否有任何问题?
此时,I2C时钟已应用到TAS5760M,但零数据作为音频源输入到TAS5760M。

此致,
加藤

  • 请注意,本文内容源自机器翻译,可能存在语法或其它翻译错误,仅供参考。如需获取准确内容,请参阅链接中的英语原文或自行翻译。

    您好Kato San,

    我相信它会损坏TAS5760设备的通电顺序:

    TAS5760的输出配置默认为BTL模式。 通过您的通电顺序,SPD_SD#在I2C将其切换到PBTL模式之前会变高。 我假设您的描述:"此时,I2C时钟已应用于TAS5760M,但零数据输入TAS5760M作为音频源",应该是"已应用I2S时钟..."。 在这种情况下,TAS5760的CHA和CH-B将发送自己的D类PWM信号,但是,通过PBTL的硬件连接,输出+和输出的PWM将短接在一起并损坏此设备。


     如果您有任何建议,请随时通知我。

    谢谢,此致,

    陈耀恩
    2017年14月11日

  • 请注意,本文内容源自机器翻译,可能存在语法或其它翻译错误,仅供参考。如需获取准确内容,请参阅链接中的英语原文或自行翻译。

    您好,韦恩-桑,

    感谢您的快速响应。

    请参阅随附的开机顺序并再次向我提供您的建议。

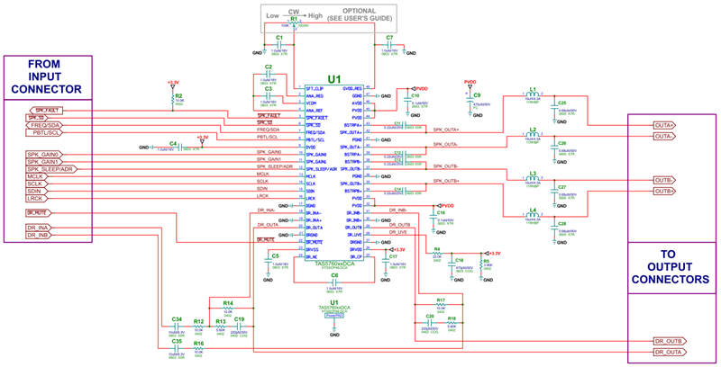
    根据我的理解,TAS5760M可以在PBTL配置(如TAS5760XXEVM原理图)中的LC过滤器之后,从SPK_OUA+(SPK_OUTB+)连接到SPK_OUA-(SPK_OUTB-)后检测到OCE事件吗?

    此致,
    加藤

  • 请注意,本文内容源自机器翻译,可能存在语法或其它翻译错误,仅供参考。如需获取准确内容,请参阅链接中的英语原文或自行翻译。
    您好Kato San,

    感谢您提醒我。 TAS5760具有过电流保护机制,可防止此设备在您的PBTL配置中受到损坏,而我建议在PBTL配置后将SPK_SD#声明为高,以避免触发OCE。

    谢谢,此致,

    陈耀恩
    2017年14月11日
  • 请注意,本文内容源自机器翻译,可能存在语法或其它翻译错误,仅供参考。如需获取准确内容,请参阅链接中的英语原文或自行翻译。

    您好,韦恩-桑,

    感谢您的及时回复。
    我了解情况,如果我收到客户的其他问题,我将与您联系。

    此致,
    加藤