This thread has been locked.

If you have a related question, please click the "Ask a related question" button in the top right corner. The newly created question will be automatically linked to this question.

[参考译文] CCS/TLV320ADC3101EVM-K:噪音问题

Guru**** 2392555 points


请注意,本文内容源自机器翻译,可能存在语法或其它翻译错误,仅供参考。如需获取准确内容,请参阅链接中的英语原文或自行翻译。

https://e2e.ti.com/support/audio-group/audio/f/audio-forum/666851/ccs-tlv320adc3101evm-k-problem-about-noise

部件号:TLV320ADC3101EVM-K

工具/软件:Code Composer Studio

在 TLV320ADC3101EVM-K中:我不知道如何通过AIC3204 SC设置参数  

扬声器中可以听到来自麦克风的声音输入。

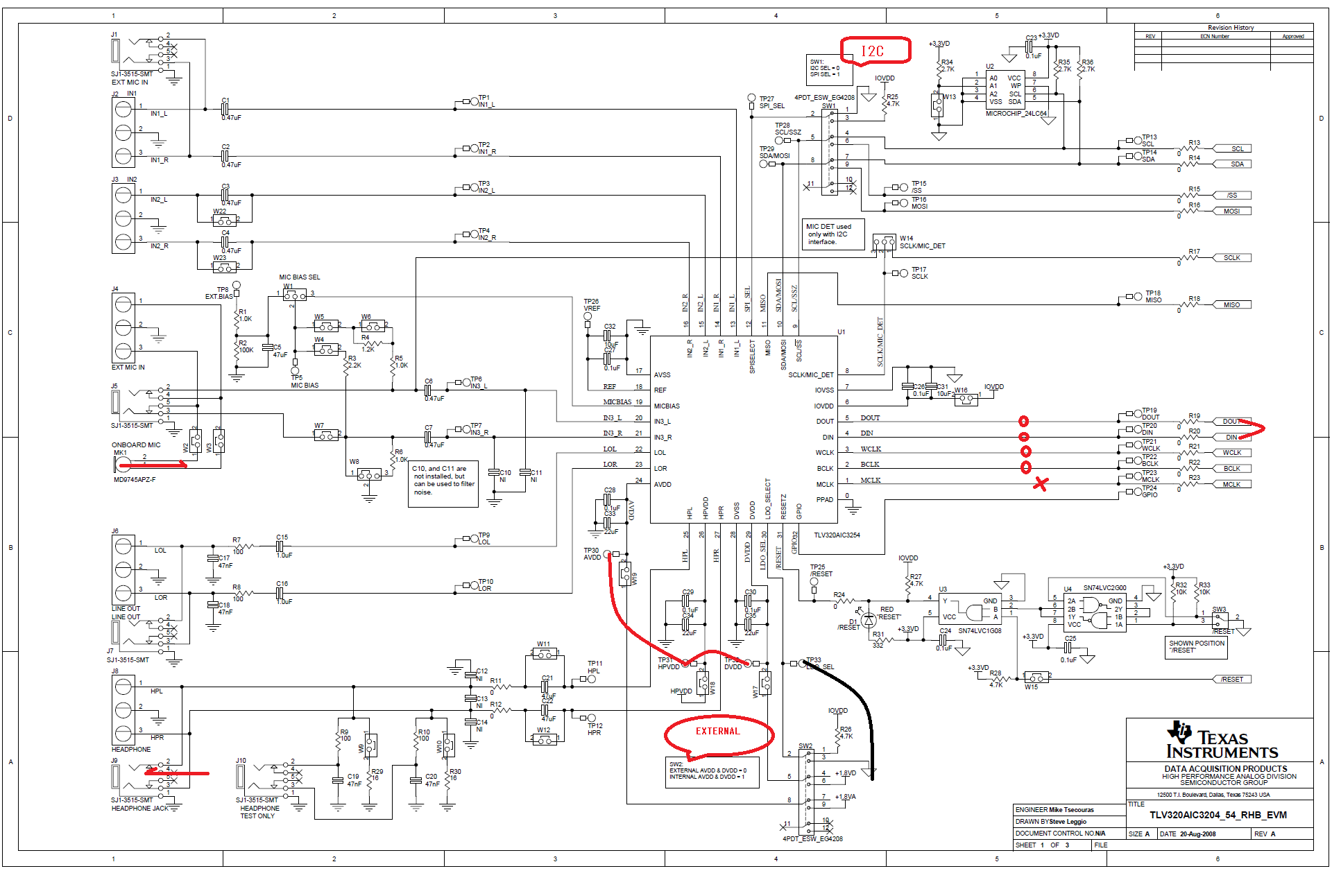
为了简化电路,我修改 了EVM板,如电路图。

1.use只有一个3.3V电压电平

2.use BCLK和PLL不是MCLK

我将 AIC3254-Recording_Playback.cfg 更改为 我所附的recording_playback33v.cfg,它运行良好。

但当我切断DIN和WCLK并更改我自己的inptut circut (当使用SW2=1且AVDD,DVDD和HPDD不短路时,它工作正常),

扬声器发出很大噪音。

如何消除这些噪音?

此致

邹晓红

e2e.ti.com/.../recording_5F00_playback33v.cfg

  • 请注意,本文内容源自机器翻译,可能存在语法或其它翻译错误,仅供参考。如需获取准确内容,请参阅链接中的英语原文或自行翻译。

    您好,Zou,

    您的描述中有几个问题。 e2e标题声称POST与'ADC3101 EVM相关,但问题是与'AIC3204 EVM有关。 请在主题中选择正确的部件号以进行后续发布。

    我注意到您对主板进行了修改,并将HPVDD与AVDD和DVDD短路,不建议这样做,AVDD和DVDD可以在1.8V (最大2.2V)的额定电源电压下工作,在3.3V的情况下操作这些电源引脚会导致设备故障。 请遵循数据表中的指示(请参阅表8.1 了解最大额定值,请参阅表8.3 了解推荐条件)。

    假设  使用了正确的耗材,您应该能够提供系统时钟并使设备正常工作。我注意到的一件事是,您提到只提供WCLK和DIN, 这不正确,因为您应提供所有I²S时钟作为设备的I²S总线的一部分。 实际上,通过将主板的SW2 DIP开关上的位4和位5配置为“关闭”,您可以通过接头J14从使用USB-MODEVM主板的外部源提供I²S Ω 时钟。 这将绕过主板上的USB时钟。 有关详细信息,请参阅EVM的用户指南。

    此致,

     -Diego Mel é ndez López ñ a
      音频应用工程师