This thread has been locked.

If you have a related question, please click the "Ask a related question" button in the top right corner. The newly created question will be automatically linked to this question.

[参考译文] TPA3111D1:5W而不是10W输出功率

Guru**** 2544050 points
Other Parts Discussed in Thread: TPA3111D1

请注意,本文内容源自机器翻译,可能存在语法或其它翻译错误,仅供参考。如需获取准确内容,请参阅链接中的英语原文或自行翻译。

https://e2e.ti.com/support/audio-group/audio/f/audio-forum/663061/tpa3111d1-5w-instead-of-10w-output-power

部件号:TPA3111D1

你好

 n´t使用TPA3111D1,但输出功率不是10瓦。 尽管如此,数据表显示"从12V电源到10 % THD+N的8 Ω 负载为10 W "

我们获得的最大功率为5瓦。

在输入中,我们有一个1kHz / 680mVrms的正弦信号

如果我们提高输入处的信号电平,则输出信号会变形。

我们已将增益设置为20dB,并且我们正在使用8Ω Ω 电阻作为负载。

电源为12V直流。

我们将PLIMIT输入连接到GVDD输出,以避免功率限制。

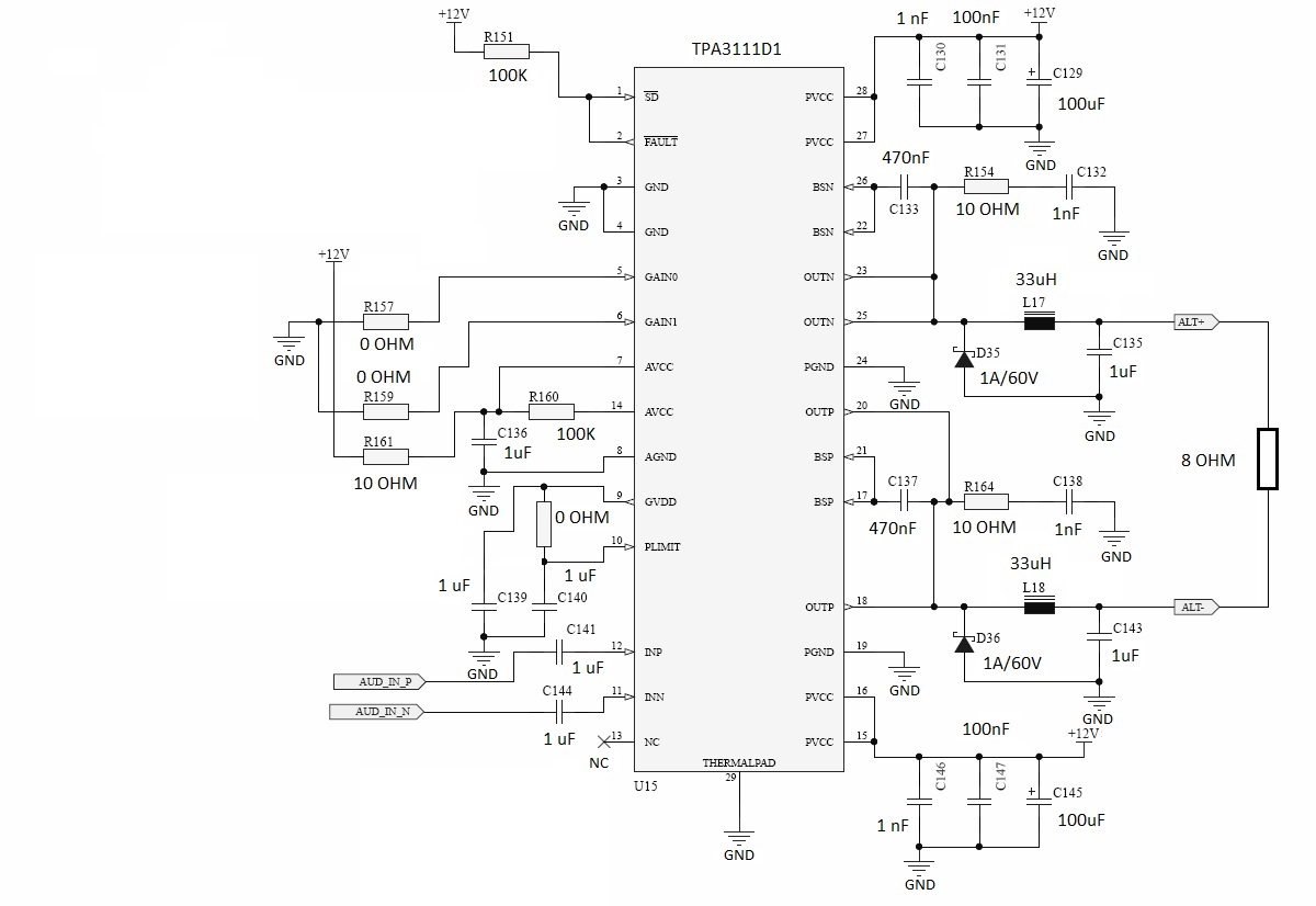
您可以在下面看到我们的示意图

 

谢谢

Antonio

 

  • 请注意,本文内容源自机器翻译,可能存在语法或其它翻译错误,仅供参考。如需获取准确内容,请参阅链接中的英语原文或自行翻译。
    Antonio,

    您能描述一下D35和D36的原因吗?

    您能否向我们展示变形输出?

    您的电源额定电流是否足以为系统提供足够的电流?

    此致,

    -Adam
  • 请注意,本文内容源自机器翻译,可能存在语法或其它翻译错误,仅供参考。如需获取准确内容,请参阅链接中的英语原文或自行翻译。
    您好,Antonio:
    我在SCH中没有发现明显的问题。 如Adam所述,能否向我们展示解冻的波形? 如果PVCC=12C/Load=8欧姆/输出=10W,THD低于10 %。 因此,在这种情况下,输出应被裁剪(但THD小于10 %)。 请参阅图4,THD在图中12伏电源下,8欧姆负载上输出10瓦功率时达到约7~8 %。 如图所示,您可以看到由于PVCC剪辑,THD开始从8W~9W左右的输出功率上升。 因此,如果您想要更高的未剪切输出功率,请使用更高的PVCC电压。
    此致,
    郑少文
  • 请注意,本文内容源自机器翻译,可能存在语法或其它翻译错误,仅供参考。如需获取准确内容,请参阅链接中的英语原文或自行翻译。
    或低电阻扬声器。
  • 请注意,本文内容源自机器翻译,可能存在语法或其它翻译错误,仅供参考。如需获取准确内容,请参阅链接中的英语原文或自行翻译。

    你好

    D35和D36保护芯片,防止与连接至8欧姆负载(扬声器)的电缆耦合的过压(浪涌)。 我们尝试删除,但操作相同。

    我们使用限为3A的实验室PSU。 然而,电流始终低于0.4A。

    谢谢

    Antonio

  • 请注意,本文内容源自机器翻译,可能存在语法或其它翻译错误,仅供参考。如需获取准确内容,请参阅链接中的英语原文或自行翻译。
    您好,Antonio:
    您能否向我们展示具有10W输出功率的扬声器上的输出波形?
  • 请注意,本文内容源自机器翻译,可能存在语法或其它翻译错误,仅供参考。如需获取准确内容,请参阅链接中的英语原文或自行翻译。

     

    文件1:

    电源:12V直流

    增益:20dB

    VIN:1kHz / 680mV有效值

     

    M à 通道1–通道2

    通道1 à OUTN

    通道2 à OUTP

     

      

    文件2:

    电源:12V直流

    增益:20dB

    VIN:1kHz / 800mV有效值

    M à 通道1–通道2

    通道1 à OUTN

    通道2 à OUTP

     

    文件3:

    电源:12V直流

    增益:20dB

    VIN:1kHz / 1Vrms

    M à 通道1–通道2

    通道4 à 输入电压

  • 请注意,本文内容源自机器翻译,可能存在语法或其它翻译错误,仅供参考。如需获取准确内容,请参阅链接中的英语原文或自行翻译。
    您好,Antonio:
    我认为您的测量值是意料之中的。 扣具是由低电源电压而不是设备本身所导致的。
    您可以使用较高的PVCC电压电源或较低的电阻负载来获得较高的未扣合输出功率。
    此致,
    郑少文
  • 请注意,本文内容源自机器翻译,可能存在语法或其它翻译错误,仅供参考。如需获取准确内容,请参阅链接中的英语原文或自行翻译。

    你好

    附加3个文件:

    文件1:

    电源:12V直流

    增益:20dB

    VIN:1kHz / 680mV有效值

    M 通道1–通道2

    频道1 --> OUTN

    通道2 --> OUTP

    文件2:

    电源:12V直流

    增益:20dB

    VIN:1kHz / 800mV有效值

    m -->信道1–信道2

    频道1 --> OUTN

    通道2 -->OUTP

    文件3:

    电源:12V直流

    增益:20dB

    VIN:1kHz / 1Vrms

    m -->信道1–信道2

    信道4 --->输入电压

    输入信号在675mVrms以上没有失真,但您可以看到相当变形的输出数字。

    Antonio

  • 请注意,本文内容源自机器翻译,可能存在语法或其它翻译错误,仅供参考。如需获取准确内容,请参阅链接中的英语原文或自行翻译。
    您好,Antonio:
    您是否尝试过使用较高电压的电源(例如 18V或24V)? 或者您尝试使用4欧姆扬声器吗? 如果输出功率(10W)相同,输出上应该没有夹子。
    此致,
    郑少文
  • 请注意,本文内容源自机器翻译,可能存在语法或其它翻译错误,仅供参考。如需获取准确内容,请参阅链接中的英语原文或自行翻译。

    肖恩您好

    谢谢

    根据数据表和我们正在测试的条件,我们应该获得10W (无失真),而不是5W。 为什么TI在数据表中宣称此器件输出的功率为10W而不是5W?

    Antonio

  • 请注意,本文内容源自机器翻译,可能存在语法或其它翻译错误,仅供参考。如需获取准确内容,请参阅链接中的英语原文或自行翻译。

    您好,Antonio:

    我认为数据表中没有任何问题。 正如我之前提到的,当设备在8欧姆负载和12V PVCC上输出10W时,THD在大约,但低于10 %。 输出信号的夹紧实际上是由低电源和高负载电阻引起的,而不是由设备本身引起的。 请注意,THD与10 % 有关。在这种情况下,您可以在数据表中找到此信息。

    此致,

    郑少文