This thread has been locked.

If you have a related question, please click the "Ask a related question" button in the top right corner. The newly created question will be automatically linked to this question.

[参考译文] TAS2557:使用MCU通过IIC命令启动TAS2557的最快方法?

Guru**** 2459810 points
Other Parts Discussed in Thread: TAS2557, PCM1808, TAS2557EVM

请注意,本文内容源自机器翻译,可能存在语法或其它翻译错误,仅供参考。如需获取准确内容,请参阅链接中的英语原文或自行翻译。

https://e2e.ti.com/support/audio-group/audio/f/audio-forum/750704/tas2557-the-quickest-way-to-use-mcu-to-bring-up-tas2557-with-iic-command

部件号:TAS2557
主题中讨论的其他部件: PCM1808

大家好,

我想找到使用MCU通过IIC命令启动TAS2557的最快方法,我该怎么办?  我只希望它可以工作和播放音乐。

我使用PPC3工具,所有用户都使用默认设置,不做任何更改,并按如下所示转储xx.h文件:

是否应   通过IIC命令将xx.h文件中的所有cfg_reg寄存器[]设置写入TAS2557?

 设备开机和取消静音顺序与xx.h文件之间的关系是什么?

谢谢!

  • 请注意,本文内容源自机器翻译,可能存在语法或其它翻译错误,仅供参考。如需获取准确内容,请参阅链接中的英语原文或自行翻译。

    您好,

    欢迎使用e2e。
    为了通过I2C命令初始化TAS2557,应按以下顺序写入从寄存器转储中获取的脚本:
    - Sotware_Reset (已附加)
    - program_0**
    - PLL_0**
    - configuration_0**
    -取消静音(已连接)

    此致,
    Ivan Salazar
    应用工程师-低功率音频和执行器

    e2e.ti.com/.../Scripts.zip

  • 请注意,本文内容源自机器翻译,可能存在语法或其它翻译错误,仅供参考。如需获取准确内容,请参阅链接中的英语原文或自行翻译。

    您好,  

    我按照您 的指导将所有IIC命令写入TAS2557,如下所示:

    Sotware_Reset (作为您的附件)

    program_0_rom模式1.h

    pll_0_ROMMode1_48KHz.h

    configuration_0_ROMMode1_48KHz_DEV_A_PRE.h

    取消静音(作为附件)

    但是它仍然不起作用,我用 BCLK 3.072MHz对tas2557进行了一个440Hz方波输入,但是没有音频输出。

    ROM模式1是否可以输出音频?

    在终端系统集成中 ,我应该使用什么MCLK (MCLK 12.288Mhz或 BCLK 3.072Mhz)?

    谢谢!

    e2e.ti.com/.../my_5F00_headers.zip

  • 请注意,本文内容源自机器翻译,可能存在语法或其它翻译错误,仅供参考。如需获取准确内容,请参阅链接中的英语原文或自行翻译。
    您好,

    我将在明天查看您的页眉文件并为您提供一些反馈。
    ROM模式1可以播放音频。
    您的I2S来源是什么? 您应根据您的系统选择MCLK或BCLK。

    此致,
    Ivan Salazar
    应用工程师-低功率音频和执行器
  • 请注意,本文内容源自机器翻译,可能存在语法或其它翻译错误,仅供参考。如需获取准确内容,请参阅链接中的英语原文或自行翻译。

    您好,

    感谢您的回复。

    这是我的tas2557示意图,  

    IIS源代码是ADC (PCM1808),作为主控代码,  

    此外,还有一个12.288MHz OSC输入,即MCLK至tas2557。

    顺便说一下,您提供的取消静音脚本与数据表中的设备开机和取消静音顺序中列出的脚本稍有不同。

    您提供:

    #取消静音
    D 02  #2毫秒延迟
    W 98 00 00 #Page 0
    W 98 7f 00  #Book 0
    W 98 07 00 #取消模拟块静音
    W 98 7f 64  #切换到书籍100
    w 98 07 00 #音频播放的软步进取消静音
    D 02  #2毫秒延迟

    数据表:

    ############### 通道通电######################################
    W 98 05 A3 #加电模拟块
    W 98 04 B8 #加电DSP和时钟分频器
    W 98 07 00 #取消模拟块静音
    w 98 7f 64 #切换到book100
    w 98 07 00 #软步进取消音频播放的静音
    #############################################################################################################################################################################################################################################

  • 请注意,本文内容源自机器翻译,可能存在语法或其它翻译错误,仅供参考。如需获取准确内容,请参阅链接中的英语原文或自行翻译。
    您好,

    请您以cfg格式共享您的标题,以便我可以在自己的一侧尝试。

    此致,
    Ivan Salazar
    应用工程师-低功率音频和执行器
  • 请注意,本文内容源自机器翻译,可能存在语法或其它翻译错误,仅供参考。如需获取准确内容,请参阅链接中的英语原文或自行翻译。

    当然,请参阅已连接的文件  

    一个是使用BCLK,另一个是MCLK,

    请尝试一下。谢谢。

    e2e.ti.com/.../default_5F00_ROM1_5F00_BCLK_5F00_3072.zipe2e.ti.com/.../default_5F00_ROM1_5F00_MCLK_5F00_12288.zip</s>1.2288万

  • 请注意,本文内容源自机器翻译,可能存在语法或其它翻译错误,仅供参考。如需获取准确内容,请参阅链接中的英语原文或自行翻译。
    您好,

    您应该只使用"Combined_configuration..."文件。 请确保完全打开设备电源并提供数字输入信号。 上述步骤用于分步初始化。

    此致,
    Ivan Salazar
    应用工程师-低功率音频和执行器
  • 请注意,本文内容源自机器翻译,可能存在语法或其它翻译错误,仅供参考。如需获取准确内容,请参阅链接中的英语原文或自行翻译。

    您好,

    我刚刚在文件"Combined_configuration_0_ROMMode1_48kHz.cfg"中写入了所有IIC cmds列表,

    (我看到cfg文件 是从文件中组合的,

    "PLL_0_ROMMode1_48kHz.h"

    "程序_0_ROM模式1.h"

    "configuration_0_ROMMode1_48kHz_dev_a_pre.h",

    并添加一些其他cmds)

    但仍然没有音频输出。

    我还确认tas2557有电源,

    我可以重新读取TAS2557的设备ID 0x12,  

    我可以读回其它寄存器值, 该值与我所写的值相同。

     DIN1_GPI1中也有数字输入信号,

    但SPK_M和SPK_P上没有音频输出

     "Combined_configuration_0_ROMMode1_48kHz.cfg" 文件在您这边是否可以正常工作?  

    为tas2557供电后,我是否只需要写入"musted_configuration_0_ROMMode1_48kHz.cfg"文件中列出的所有cmds,tas2557是否可以输出aduio?

    "xxx.bin"文件怎么样?  我是否需要使用它?

    顺便说一下,在我的系统中,tas2557是从属设备,而bck (3.072MHz),LRCK (48kHz)来自ADC (PCM1808),

    在PPC3工具中,将tas2557配置为主控制器或从控制器的位置在哪里?  我只是找不到它。

    e2e.ti.com/.../combined_5F00_configuration_5F00_0_5F00_ROMMode1_5F00_48KHz.cfg

  • 请注意,本文内容源自机器翻译,可能存在语法或其它翻译错误,仅供参考。如需获取准确内容,请参阅链接中的英语原文或自行翻译。
    在我这边使用组合配置文件。 实际上,我使用了您之前上传的脚本中的此文件。
    是的,您应该提供TAS2557EVM,然后使用I2C工具写入组合配置文件。
    TAS2557默认为从属设备。

    此致,
    Ivan Salazar
    应用工程师-低功率音频和执行器
  • 请注意,本文内容源自机器翻译,可能存在语法或其它翻译错误,仅供参考。如需获取准确内容,请参阅链接中的英语原文或自行翻译。

    大家好,这很奇怪,我肯定已经下载了"Combined_configuration_0_ROMMode1_48kHz.cfg"中的所有cmds列表,

    但仍然没有音频输出。

    是否有任何寄存器可供我回读以检测TAS2557是否正常工作?

    顺便说一下,我回读的这个突发命令与我实际写的命令有点不同。

    在#程序 部件中

    写入:

    W 98 20 1D
    > 99  
    > 99
    > 99
    > 20
    > cc
    > cc
    > cc
    24岁
    > 00
    > 00
    > 00
    27岁
    33岁
    33岁
    33岁
    大于2a
    > 66
    > 66
    > 66
    > 2D
    > 99
    > 99
    > 99
    > 30
    > cc
    > cc
    > cc
    34岁
    > 00        当我回读时更改为0xae。
    > 00        回读时更改为0x14。
    > 00

    正常吗?自动更改?

     

    e2e.ti.com/.../4251.combined_5F00_configuration_5F00_0_5F00_ROMMode1_5F00_48KHz.cfg

  • 请注意,本文内容源自机器翻译,可能存在语法或其它翻译错误,仅供参考。如需获取准确内容,请参阅链接中的英语原文或自行翻译。
    读取这些寄存器时,我得到的值与写入的值相同:
    # read command at line 4: r 98 20 20.
    一维99 99 99 20 cc cc cc cc
    24 00 00 00 27 33 33 33 33
    2A 66 66 66 2D 99 99 99
    30 cc cc cc cc 34 00 00 00

    这些寄存器包含DSP系数,我想知道为什么在您的测试中对这些系数进行了修改。 这些寄存器总是更改为相同的值?

    此致,
    Ivan Salazar
    应用工程师-低功率音频和执行器
  • 请注意,本文内容源自机器翻译,可能存在语法或其它翻译错误,仅供参考。如需获取准确内容,请参阅链接中的英语原文或自行翻译。

    是的,它们始终更改为相同的值。

    # read command at line 4: r 98 20 20.
    一维99 99 99 20 cc cc cc cc
    24 00 00 00 27 33 33 33 33
    2A 66 66 66 2D 99 99 99
    30 cc cc cc cc 34 ae 1400

    下面的厘米也会更改

    W 98 10 73.
    33岁
    33岁
    33岁
     回读时> 6b更改为6e
      回读时> 85更改为14
      回读时> 1e更改为7a
      回读时> B8更改为00

    是否可以通过硬件自动配置更改它们?

  • 请注意,本文内容源自机器翻译,可能存在语法或其它翻译错误,仅供参考。如需获取准确内容,请参阅链接中的英语原文或自行翻译。
    您是否正在使用EVM进行最后的测试?
    如果不使用EVM,您的时钟频率是多少? 我想将其与寄存器设置进行比较。 这可能与上述寄存器值的更改无关,但我想至少确定您一侧没有音频的原因。

    此致,
    Ivan Salazar
    应用工程师-低功率音频和执行器
  • 请注意,本文内容源自机器翻译,可能存在语法或其它翻译错误,仅供参考。如需获取准确内容,请参阅链接中的英语原文或自行翻译。

    您好,  

    我不使用EVM (从结构上讲,我没有EVM),

    我正在使用自己的板。

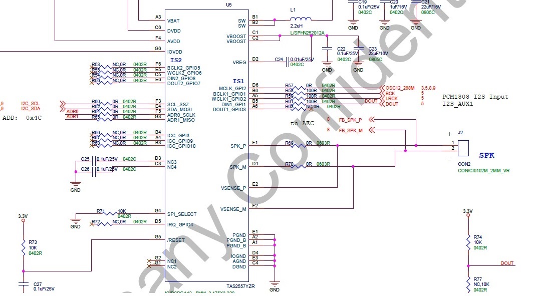
    下面是我的主板的sch

    在PCM1808部件中,只有VINR有音频输入(音调,此处为440Hz 方波),VINL没有音频输入。

    时钟频率:

    BCK为3.072MHz

    LRCK为48kHz

    MCLK为12.288MHz

  • 请注意,本文内容源自机器翻译,可能存在语法或其它翻译错误,仅供参考。如需获取准确内容,请参阅链接中的英语原文或自行翻译。
    您是否可以通过阅读Book 0 Page 0 Registers 0x64,0x65和0x68来确认TAS2557没有触发任何保护?
    从原理图中,FB_SPK_P和FB_SPK_M连接到什么?
    另一方面,您是否验证了PCM1808的工作情况,并将方波作为输入? 音频设备通常不能与方波或PWM信号一起使用,除非有滤波器。

    我已确认cfg在具有相同输入信号的EVM上工作正常:Bck为3.072MHz / LRCK为48kHz / MCLK为12.288MHz
    您是否尝试过使用与PCM1808不同的I2S源?

    此致,
    Ivan Salazar
    应用工程师-低功率音频和执行器
  • 请注意,本文内容源自机器翻译,可能存在语法或其它翻译错误,仅供参考。如需获取准确内容,请参阅链接中的英语原文或自行翻译。

    您好,  

     FB_SPK_P和FB_SPK_M连接到另一台PCM1808,并输出到另一台设备以供反馈使用。

    PCM1808具有LPF和HPF,它是否支持 方波作为输入?

    我现在还没有测试另一个IIS源。

    我回读的regs是:

    已读取注册号:0x64,数据:0xf0

    读取Reg:0x65,Data:0x00

    读取Reg:0x68,Data:0x02

    读取Reg:0x6c,Data:0x00

    (我还在EVM板上试用过,EVM板上的值相同)

     我现在就要了一个EVM板,我已经尝试使用"Combined_configuration_0_ROMMode1_48kHz.cfg"通过I2C监视器初始化TAS2557 EVM板,

    并且它可以正常工作并输出音频,因此cfg文件正常。  

    顺便提一下,

    "xxx.bin"的用途是什么? 它是否用于Android系统 ,在我的MCU系统中,我不需要使用它? 不需要将其刻录到TAS2557上?

  • 请注意,本文内容源自机器翻译,可能存在语法或其它翻译错误,仅供参考。如需获取准确内容,请参阅链接中的英语原文或自行翻译。

    嗨,好消息。

    我终于把它弄出来了,  

    原因由PPC3工具生成的"xxx.h"文件存在问题,CFG_META_STREGATE中的长度不包含reg本身(与Documnet引入的内容不同!!!)

    所以长度应该是+1,

    现在,我已将MCU连接到TAS2557 EVM板上,我可以在EVM板上显示TAS2557并正常输出音频,音频源来自我的计算机。  

    在我自己的主板上,TAS2557也可以启动,也可以 正常输出PWM 440Hz方波音频。

    非常感谢!