当我使用tlv320aic3268从 麦克风录制语音并播放它时,我会发现白噪声。 白噪声影响语音质量。其频率分布为0到FS/2。 因此,使用FIR滤波器后,我也能听到高噪音。
采样和量化时ADC中是否产生白噪声?
如何在miniDSP GDE中配置3268以减少白噪声?
我应该如何使声音清晰?
谢谢!
This thread has been locked.
If you have a related question, please click the "Ask a related question" button in the top right corner. The newly created question will be automatically linked to this question.
当我使用tlv320aic3268从 麦克风录制语音并播放它时,我会发现白噪声。 白噪声影响语音质量。其频率分布为0到FS/2。 因此,使用FIR滤波器后,我也能听到高噪音。
采样和量化时ADC中是否产生白噪声?
如何在miniDSP GDE中配置3268以减少白噪声?
我应该如何使声音清晰?
谢谢!
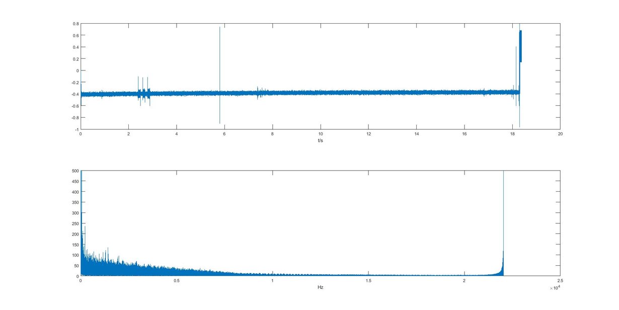
我有一个录制文件,如图所示。 我发现它的频率是从0到MATLAB中的FS/2(Hz)。
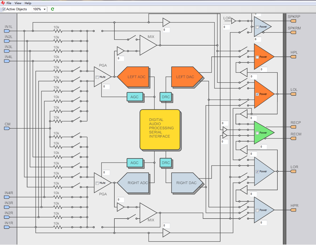
如图所示配置编解码器。
当我使用FIR滤波器时,它也能清楚地听到噪音。
//控件位置
typedef结构{
u8 control_page; //系数页面位置
u8 control_base; //系数基本地址在页面内
u8 control_mute_flag; //非零表示需要静音
u8 control_string_index;//字符串表索引
}控件;
静态控制MUX_controls[]={
};
静态字符串MUX_control_names []={
};
静态控制volume_controls[]={
};
静态字符串volume_control_names []={
};
//说明和
结构系数f pedet {
U8 REG_OFF;
u8 reg_val;
} reg_value;
静态字符串REG_Section_Names []={
"miniDSP_A_REG_VALUES",
"miniDSP_D_REG_VALUES",
};
REG_VALUE REG_Section_program[]={
{0,0x0},
{ 0x7F,0x00},
// #设置AutoINC.
{121,0x01},
// # reg[0][0][1]= 0x01 ; REG(0)(1)(0x00 => 0) S/W重置
{ 1,0x01},
// # reg[0][0][4]= 0x33 ; ADC_CLKIN = MCLK,DAC_CLKIN = MCLK
{ 4,0x33},
// # reg[0][0][5]= 0x00 ; PLL_CLKIN = MCLK1
{ 5,0x00},
// # reg[0][0][6]= 0x91 ; P=1,R=1
{ 6,0x91},
// # reg[0][0][7]= 0x08 ;P=1,R=1,J=8;DOSR = 128 (MSB);DOSR = 128 (LSB);NADC断电NADC = 2;mAdc Powerup mAdc = 16;AOSR = 64;P=1,R=1,J=8; DOSR = 192 (MSB);DOSR = 192 (LSB);NADC断电NADC = 2;mAdc通电mAdc = 16;AOSR = 96;P=1,R=1,J=8; DOSR = 256 (MSB);DOSR = 256 (LSB);NADC断电NADC = 2;mAdc通电mAdc = 16;AOSR = 128;P=1,R=1,J=24; DOSR = 384 (MSB);DOSR = 384 (LSB);NADC断电NADC = 2;mAdc通电mAdc = 16;AOSR = 192;P=1,R=1,J=16; DOSR = 512 (MSB);DOSR = 512 (LSB);NADC断电NADC = 2;mAdc通电mAdc = 16;AOSR = 256;P=1,R=1,J=24; DOSR = 768 (MSB);DOSR = 768 (LSB);NADC断电NADC = 2;mAdc通电mAdc = 24;AOSR = 256;P=1,R=1,J=8
{ 7,0x08},
// # reg[0][0][13]= 0x00 ;DOSR = 128 (MSB)
{13,0x00},
// # reg[0][0][14]= 0x80 ; DOSR =128 (LSB)
{14,0x80},
// # reg[0][0][18]= 0x02 ;NADC断电NADC = 2
{18,0x02},
// # reg[0][0][19]= 0x88 ; NADC加电mAdc =8
{19,0x88},
// # reg[0][0][20]= 0x80 ;AOSR =128
{20,0x80},
// # reg[0][0][11]= 0x82 ;P=1,R=1,J=24;DOSR =768 (MSB);DOSR =768 (LSB);NADC断电NADC =2;NADC断电mAdc =48;AOSR =128;NDAC =2,分配器断电;NDAC =2, 分禾器已关闭
{11,0x82},
// # reg[0][0][8]= 0x00 ; D=0000 (MSB)
{8,0x00},
// # reg[0][0][9]= 0x00 ; D=0000 (LSB)
{9,0x00},
// # reg[0][0][12]= 0x88 ; reg(0)(0)(0x0c => 12) DAC加电MDAC =8
{12,0x88},
{ 0x7F,0x78},
// # reg[120][0][50]= 0x82 ;插值比率为2,FIFO =启用
{50,0x82},
{ 0x7F,0x64},
// # reg[100][0][50]= 0xa1. ;小数比为1,CIC AutoNorm =已启用,FIFO =已启用
{50,0xA1},
{ 0x7F,0x00},
// # reg[0][0][60]= 0x00 ; reg(0)(0)(0)(0x3c => 60) DAC程序模式,DAC和ADC过滤器引擎一起通电 ; reg(0)(0)(0)(0x3c => 60) DAC程序模式,DAC和ADC滤波器引擎未同时通电
{ 60,0x00},
// # reg[0][0][61]= 0x00 ; REG(0)(0)(0)(0x3D => 61) ADC程序模式
{61,0x00},
// # reg[0][0][83]= 0x0 ; ADC vol控制= 0dB
{83,0x00},
// # reg[0][0][84]= 0x0 ; ADC vol控制= 0dB
{84,0x00},
{ 0,0x01},
// # reg[0][1][1]= 0x00 ; REG(0)(1)(0x01 => 0) AVDD原油不可用
{ 1,0x00},
// # reg[0][1][3]= 0x00 ; REG(0)(1)(0x03 =>3) LDAC FIR
{ 3,0x00},
// # reg[0][1][4]= 0x00 ; REG(0)(1)(0x04 => 4) RDAC FIR
{ 4,0x00},
// # reg[0][1][31]= 0x80 ; reg(0)(1)(0x1F =>31) HP处于地面中心模式;HPL增益0 dB
{ 31,0x80},
// # reg[0][1][32]= 0x00 ; reg(0)(1)(0x20 =>32) HPR独立增益0 dB
{ 32,0x00},
// # reg[0][1][33]= 0x28 ; reg(0)(1)(0x21 =>33) 供油泵在OSC / 4上运行
{33,0x28},
// # reg[0][1][34]= 0x33 ; reg(0)(1)(0x22=>34) 设置CP模式
{34,0x33},
// # reg[0][1][35]= 0x10 ; reg(0)(1)(0x23 =>35) 使用HP启动CP
{35,0x10},
// # reg[0][1][52]= 0x40 ; REG(0)(1)(0x34 => 52) 为左侧P
//{ 52,0x40}
,// # reg[0][1][52]=0x54选择ADC IN1_L ; REG(0)(1)(0x34 => 52) 为左P选择ADC IN1_L in2_L in3_L
{52,0x54},
// # reg[0][1][53]= 0x20 ; REG(0)(1)(0x35 => 53) 为左P选择ADC IN4_L
{53,0x20},
// # reg[0][1][56]= 0x20 ; REG(0)(1)(0x38=>56) 为右侧P选择ADC IN4_R
{56,0x20},
// # reg[0][1][54]= 0x40 ; REG(0)(1)(0x36 => 54) 选择ADC CM1作为左M
{ 54,0x40},
// # reg[0][1][55]= 0x40 ; REG(0)(1)(0x37 => 55) 为右侧P
//{ 55,0x40},
// # reg[0][1][55]=0x54选择ADC IN1_R ; REG(0)(1)(0x37 => 55) 为右侧P选择ADC IN1_R in2_R in3_R
{55,0x54},
// # reg[0][1][57]= 0x40 ; reg(0)(1)(0x39 => 57) 为右侧M选择ADC CM1
{57,0x40},
// # reg[0][1][121]= 0x33 ; REG(0)(1)(0x79 => 121)麦克风输入的快速充电时间
{121,0x33},
// # reg[0][1][122]= 0x01 ;REG(0)(1)(0x7A => 122)参考电压充电时间-40毫秒。
{122,0x01},
{0,0x0},
{ 0x7F,0x78},
// # reg[120][0][24]=0x80
{ 24,0x80},
{255,0x00}, //跳转至miniDSPA
{255,0x01}, //跳转至miniDSPD
{0,0x0},
{ 0x7F,0x28},
// # reg[40][0][1]= 0x04 ; ADC的自适应模式
{1,0x04},
{ 0x7F,0x50},
// # reg[80][0][1]= 0x04 ; DAC自适应模式
{1,0x04},
{ 0x7F,0x64},
// # reg[100][0][48]= 1;IDAC = 256 ; MDAC*DOSR;IMDAC=256 ; mAdc*AOSR;IDAC =512 ; MDAC*DOSR;IMDAC=512 ; mAdc*AOSR;IDAC =1024 ; MDAC*DOSR; IACD=1024 ; mAdc*AOSR;IDAC =1536 ; MDAC*DOSR;IAC=1536 ; mAdc*AOSR;IDAC =2048 ; MDAC*DOSR;MDAC=2048 ; MDAC*4096; AAC*AAC*; MDAC*AAC*; MDAC*; MDAC*4096; MDAC*AAC*AAC*; MDAC*AMOSR*; MDAC*; MDAC*5; MDAC*AAC*; MDAC*; AAC*AAC*144; AAC*AAC*AAC*; MDAC*; MDAC*; MDAC
{48,0x01},
// # reg[100][0][49]= 0
{49,0x00},
{0x7F,0x78},
// # reg[120][0][48]= 1
{48,0x01},
// # reg[120][0][49]= 0
{49,0x00},
{ 0x7F,0x00},
// # reg[0][0][63]= 0xC2 ; reg(0)(0)(0)(0x3f => 63) DAC L&R DAC加电Ldata-LDAC RDATA-RDAC (软步进禁用)
{63,0xC2},
// # reg[0][0][64]= 0x00 ; reg(0)(0)(0)(0x40 => 64) DAC左右DAC取消静音,但不会显示音量控制
{64,0x00},
// # reg[0][0][65]= 0x30 ; REG(0)(0)(0)(0x41 => 65) DAC左音量控制设置
{65,0x30},
// # reg[0][0][81]= 0xC2 ; reg(0)(0)(0)(0x51 => d6) ADC加电数字模式下的左右通道(软步进禁用);REG(0)(0)(0)(0x51 => 81) ADC加电ADC左右通道(软步进禁用)
{81,0xC2},
// # reg[0][0][82]= 0x00 ; REG(0)(0)(0)(0x52 => 82) ADC取消静音ADC左右通道,左,右精细增益=0dB
{82,0x00},
{0,0x01},
// # reg[0][1][27]= 0x33 ; REG(0)(1)(0x1B =>27) LDAC -> HPL,RDAC -> HPR;打开HPL + HPR
//{27,0x33},
// # reg[0][1][22]= 0xC3 ; REG(0)(1)(0x16 =>22) LDAC -> LOL,RDAC -> Lor;Power On LOL + Lor
{ 22,0xC3},
// # reg[0][1][59]= 0x00 ; reg(0)(1)(0x3b => 59) 使用0 dB增益取消ADC左麦克风PGA的静音
{59,0x00},
// # reg[0][1][60]= 0x00 ; reg(0)(1)(0x3c =>60) 使用0 dB增益取消ADC右麦克风PGA的静音
{60,0x00},
{0,0x04},
// # reg[0][4][1]= 0 ; ASI1音频接口= I2S
{1,0x00},
// # reg[0][4][10]=0 ; ASI1音频接口WCLK和BCLK
{ 10,0x00},
// # reg[0][4][8]= 0x50 ; ASI1左DAC数据路径=左数据,ASI1右DAC数据路径=右数据
{ 8,0x50},
// # reg[0][4][23]= 0x05;ASI2_IN_CH<L1,R1>= miniDSP_A_OUT _ch<L2,R2>
{23,0x05},
// # reg[0][4][24]= 0x50;ASI2_OUT CH<L1>=通道<L1>;ASI2_OUT CH<R1>=通道<R1>
{ 24,0x50},
// # reg[0][4][39]= 0x06;ASI3_IN_CH<L1,R1>= miniDSP_A_OUT _ch<L3,R3>
{ 39,0x06},
// # reg[0][4][40]= 0x50;ASI3_OUT _CH<L1>=通道<L1>;ASI3_OUT _CH<R1>=通道<R1>
{40,0x50},
{0,0x0},
{ 0x7F,0x64},
// # reg[100][0][20]= 0x80;禁用ADC双缓冲模式;禁用DAC双缓冲模式;启用ADC双缓冲模式
{ 20,0x80},
{ 0x7F,0x78},
// # reg[120][0][20]= 0x80;启用DAC双缓冲模式
{ 20,0x80},
{ 0x7F,0x00},
// # reg[0][0][82]= 0
{82,0x00},
// # reg[0][0][83]= 0
{83,0x00},
// # reg[0][0][86]= 32
{86,0x20},
// # reg[0][0][87]= 254
{87,0xFE},
// # reg[0][0][88]= 0
{88,0x00},
// # reg[0][0][89]= 104
{89,0x68},
// # reg[0][0][90]= 168
{90,0xA8},
// # reg[0][0][91]= 6
{91,0x06},
// # reg[0][0][92]= 0
{92,0x00},
// # reg[0][0][84]= 0
{84,0x00},
// # reg[0][0][94]= 32
{94,0x20},
// # reg[0][0][95]= 254
{95,0xFE},
// # reg[0][0][96]= 0
{96,0x00},
// # reg[0][0][97]= 104
{97,0x68},
// # reg[0][0][98]=168
{98,0xA8},
// # reg[0][0][99]=6
{99,0x06},
// # reg[0][0][100]=0
{100,0x00},
};
REG_VALUE miniDSP_A_REG_VALUES[]={
{0,0x0},
{ 0x7F,0x28},
{0,0x01},
{8,0x00},
{9,0xB7},
{ 10,0x98},
{11,0x00},
{ 12,0x7E},
{ 13,0x90},
{14,0xD0},
{15,0x00},
{16,0x7F},
{17,0xFF},
{18,0xFF},
{19,0x00},
{20,0x00},
{21,0x00},
{22,0x00},
{23,0x00},
{24,0x00},
{25,0x00},
{26,0x00},
{27,0x00},
{28,0xFF},
{ 290xFF},
{ 30,0xFF},
{31,0x00},
{ 32,0x80 },
{33,0x00},
{34,0x00},
{35,0x00},
{ 36,0x7F},
{37,0xFF},
{ 380xFF},
{39,0x00},
{40,0x40},
{41,0x00},
{ 42,0x00},
{43,0x00},
{44,0x00},
{45,0x00},
{46,0x00},
{47,0x00},
{48,0xFF},
{ 49,0xB7},
{50,0x00},
{51,0x00},
{ 52,0xFF},
{53,0xF2},
{ 54,0x00},
{55,0x00},
{ 56,0xF9},
{570xBA},
{58,0x00},
{59,0x00},
{ 60,0xF9},
{61,0x00},
{62,0x00},
{63,0x00},
{ 64,0xFF},
{65,0x68},
{66,0x00},
{670x00},
{ 68,0xFE },
{69,0x2C},
{70,0x00},
{71,0x00},
{ 72,0xEB},
{73,0x8D},
{74,0x00},
{75,0x00},
{76,0x03},
{ 77,0x83},
{78,0x00},
{79,0x00},
{ 80,0x01},
{81,0xC3},
{82,0x00},
{83,0x00},
{84,0x00},
{85,0xD3},
{86,0x00},
{87,0x00},
{88,0x00},
{89,0x33},
{90,0x00},
{91,0x00},
{92,0x00},
{93,0x02},
{94,0x00},
{95,0x00},
{96,0x32},
{ 97,0x08},
{98,0x00},
{99,0x00},
{100,0x0A},
{101,0xFA},
{102,0x00},
{103,0x00},
{104,0x54},
{105,0x7B},
{106,0x00},
{107,0x00},
{0,0x09},
{72,0x00},
{73,0xB7},
{74,0x98},
{75,0x00},
{76,0x7E},
{ 77,0x90},
{780xD0},
{79,0x00},
{ 80,0x7F},
{81,0xFF},
{82,0xFF},
{83,0x00},
{84,0x00},
{85,0x00},
{86,0x00},
{87,0x00},
{88,0x00},
{89,0x00},
{90,0x00},
{91,0x00},
{92,0xFF},
{93,0xFF},
{94,0xFF},
{95,0x00},
{96,0x80},
{97,0x00},
{98,0x00},
{99,0x00},
{100,0x7F},
{101,0xFF},
{102,0xFF},
{103,0x00},
{104,0x40},
{105,0x00},
{106,0x00},
{107,0x00},
{108,0x00},
{109,0x00},
{110,0x00},
{111,0x00},
{112,0xFF},
{113,0xB7},
{114,0x00},
{115,0x00},
{116,0xFF},
{117,0xF2},
{118,0x00},
{119,0x00},
{120,0xF9},
{121,0xBA},
{122,0x00},
{123,0x00},
{124,0xF9},
{125,0x00},
{126,0x00},
{127,0x00},
{0,0x0A},
{ 8,0xFF},
{9,0x68},
{10,0x00},
{11,0x00},
{12,0xFE},
{13,0x2C},
{14,0x00},
{15,0x00},
{16,0xEB},
{17,0x8D},
{18,0x00},
{19,0x00},
{20,0x03},
{21,0x83},
{22,0x00},
{23,0x00},
{24,0x01},
{ 25,0xC3},
{26,0x00},
{27,0x00},
{28,0x00},
{ 290xD3 },
{ 30,0x00},
{31,0x00},
{32,0x00},
{33,0x33},
{34,0x00},
{35,0x00},
{36,0x00},
{37,0x02},
{380x00},
{39,0x00},
{40,0x32},
{41,0x08},
{ 42,0x00},
{43,0x00},
{ 44,0x0A},
{ 45,0xFA },
{46,0x00},
{47,0x00},
{48,0x54},
{49,0x7B},
{50,0x00},
{51,0x00},
{0,0x0},
{ 0x7F,0x14},
{0,0x01},
{8,0xC0},
{9,0x00},
{10,0x00},
{11,0x00},
{ 12,0xC0},
{13,0x00},
{14,0x00},
{15,0x00},
{0,0x0},
{ 0x7F,0x64},
{0,0x01},
{ 8,0x08},
{9,0x00},
{10,0x00},
{11,0x4D},
{12,0x08},
{13,0x00},
{14,0x20},
{15,0x4F},
{16,0x48},
{17,0x05},
{18,0x00},
{19,0x00},
{ 20,0x58},
{21,0x60},
{ 22,0x08},
{23,0x00},
{ 24,0x60},
{25,0x60},
{26,0x00},
{27,0x00},
{28,0x48},
{ 290x02},
{ 30,0x20},
{31,0x00},
{32,0x00},
{33,0x00},
{34,0x00},
{35,0x00},
{ 36,0x44},
{37,0x00},
{ 380xC0},
{39,0x03},
{40,0x00},
{41,0x00},
{ 42,0x00},
{43,0x00},
{44,0x00},
{45,0x00},
{46,0x00},
{47,0x00},
{48,0x44},
{49,0x00},
{50,0x00},
{51,0x03},
{ 52,0x21},
{53,0x00},
{ 54,0x00},
{55,0x00},
{ 56,0x03},
{57,0x00},
{58,0x00},
{59,0x20},
{60,0x00},
{61,0x00},
{62,0x00},
{63,0x00},
{64,0x45},
{65,0x02},
{ 66,0xA0},
{670x00},
{680x00},
{69,0x00},
{70,0x00},
{71,0x00},
{72,0x01},
{ 73,0x00},
{ 74,0xE0},
{75,0x10},
{76,0x00},
{ 77,0x00},
{78,0x00},
{79,0x00},
{ 80,0x58},
{81,0x60},
{82,0x08},
{83,0x01},
{84,0x60},
{85,0x60},
{86,0x00},
{87,0x00},
{ 88,0x58},
{ 89,0x60},
{90,0x00},
{91,0x09},
{92,0x00},
{93,0x00},
{94,0x00},
{95,0x00},
{96,0x44},
{97,0x00},
{98,0xC0},
{99,0x07},
{100,0x04},
{101,0x00},
{102,0x00},
{103,0x00},
{104,0x04},
{105,0x00},
{106,0x20},
{107,0x25},
{108,0x04},
{109,0x00},
{110,0x00},
{111,0x10},
{112,0x04},
{113,0x00},
{114,0x20},
{115,0x35},
{116,0x00},
{117,0x00},
{118,0x00},
{119,0x00},
{120,0x00},
{121,0x00},
{122,0x00},
{123,0x00},
{124,0x44},
{125,0x00},
{126,0x00},
{127,0x07},
{0,0x02},
{ 8,0x21},
{9,0x00},
{ 10,0x20},
{11,0x00},
{ 12,0x4B},
{13,0x00},
{14,0xC0},
{15,0x00},
{ 16,0x4B},
{17,0x00},
{18,0xE0},
{19,0x00},
{20,0x10},
{21,0x00},
{22,0x00},
{23,0x00},
{24,0x10},
{25,0x00},
{26,0x00},
{27,0x25},
{28,0x10},
{29,0x00},
{ 30,0x00},
{ 31,0x10},
{ 32,0x10 },
{33,0x00},
{34,0x00},
{35,0x35},
{ 36,0x18},
{37,0x03},
{380x00},
{39,0x18},
{40,0x1C},
{41,0x02},
{ 42,0xE0},
{ 43,0x05},
{ 44,0x1C},
{45,0x02},
{46,0xE0},
{47,0X0A},
{ 48,0x1C},
{49,0x02},
{50,0xC0},
{51,0x07},
{ 52,0x1C},
{53,0x02},
{ 54,0xC0},
{55,0x08},
{ 56,0x1C},
{57,0x02},
{58,0xA0},
{59,0x11},
{ 60,0x1C},
{61,0x02},
{ 62,0xA0},
{ 63,0x1F},
{ 64,0x1C},
{65,0x02},
{ 66,0x80},
{67,0x14},
{ 68,0x1C},
{69,0x02},
{ 70,0x80},
{ 71,0x1C},
{ 72,0x1C},
{ 73,0x02},
{74,0x60},
{75,0x01},
{ 76,0x1C },
{ 77,0x02},
{78,0x60},
{79,0XE},
{ 80,0x1C},
{81,0x02},
{82,0x40},
{83,0x16},
{84,0x1C},
{85,0x02},
{86,0x40},
{ 87,0x1A},
{ 88,0x1C},
{89,0x02},
{90,0x20},
{91,0x03},
{92,0x1C},
{93,0x02},
{ 94,0x20 },
{95,0x0C},
{96,0x1C},
{97,0x02},
{98,0x00},
{99,0x06},
{100,0x1C},
{101,0x02},
{102,0x00},
{103,0x09},
{104,0x1C},
{105,0x01},
{106,0xE0},
{107,0x02},
{108,0x1C},
{109,0x01},
{110,0xE0},
{111,0x0D},
{112,0x1C},
{113,0x01},
{114,0xC0},
{115,0x15},
{116,0x1C},
{117,0x01},
{118,0xC0},
{119,0x1B},
{120,0x1C},
{121,0x01},
{122,0xA0},
{123,0x17},
{124,0x1C},
{125,0x01},
{126,0xA0},
{127,0x19},
{0,0x03},
{ 8,0x1C},
{9,0x01},
{ 10,0x80},
{11,0x04},
{ 12,0x1C},
{13,0x01},
{14,0x80},
{15,0x0B},
{16,0x1C},
{17,0x01},
{18,0x60},
{19,0x13},
{ 20,0x1C},
{21,0x01},
{ 22,0x60},
{ 230x1D},
{ 24,0x1C},
{25,0x01},
{ 26,0x40},
{27,0x0F},
{28,0x1C},
{ 290x01},
{ 30,0x40},
{31,0x00},
{ 32,0x18 },
{33,0x01},
{34,0x40},
{35,0x34},
{ 36,0x1C},
{37,0x01},
{ 380x40},
{39,0x25},
{40,0x1C},
{41,0x01},
{ 42,0x60},
{ 43,0x38},
{ 44,0x10},
{45,0x00},
{46,0x00},
{47,0x1F},
{ 48,0x1C},
{49,0x01},
{50,0x60},
{51,0x42},
{ 52,0x1C},
{53,0x01},
{ 54,0x80},
{55,0x29},
{ 56,0x1C},
{57,0x01},
{58,0x80},
{59,0x30},
{ 60,0x1C},
{61,0x01},
{ 62,0xA0},
{63,0x3c},
{ 64,0x1C},
{65,0x01},
{ 66,0xA0},
{ 67,0x3E},
{ 68,0x1C},
{69,0x01},
{ 70,0xC0},
{ 71,0x3A},
{ 72,0x1C},
{ 73,0x01},
{74,0xC0},
{75,0x40},
{ 76,0x1C },
{ 77,0x01},
{ 780xE0},
{79,0x27},
{ 80,0x1C},
{81,0x01},
{82,0xE0},
{83,0x32},
{84,0x1C},
{85,0x02},
{86,0x00},
{87,0x2B},
{ 88,0x1C},
{89,0x02},
{90,0x00},
{91,0x2E},
{92,0x1C},
{93,0x02},
{ 94,0x20 },
{95,0x28},
{96,0x1C},
{97,0x02},
{98,0x20},
{99,0x31},
{100,0x1C},
{101,0x02},
{102,0x40},
{103,0x3B},
{104,0x1C},
{105,0x02},
{106,0x40},
{107,0x3F},
{108,0x1C},
{109,0x02},
{110,0x60},
{111,0x26},
{112,0x1C},
{113,0x02},
{114,0x60},
{115,0x33},
{116,0x1C},
{117,0x02},
{118,0x80},
{119,0x39},
{120,0x1C},
{121,0x02},
{122,0x80},
{123,0x41},
{124,0x1C},
{125,0x02},
{126,0xA0},
{127,0x36},
{0,0x04},
{ 8,0x1C},
{9,0x02},
{ 10,0xA0},
{11,0x44},
{ 12,0x1C},
{13,0x02},
{14,0xC0},
{15,0x2c},
{16,0x1C},
{17,0x02},
{ 18,0xC0},
{19,0x2D},
{ 20,0x1C},
{21,0x02},
{ 22,0xE0},
{ 23,0x2A},
{ 24,0x1C},
{25,0x02},
{ 26,0xE0},
{27,0x2F},
{28,0x1C},
{ 290x03},
{ 30,0x00},
{31,0x3D},
{ 32,0x5C },
{33,0x60},
{34,0x40},
{35,0x1F},
{ 36,0x5C},
{37,0x90},
{ 38,0x80},
{39,0x00},
{40,0x5C},
{41,0x90},
{ 42,0x20},
{43,0x00},
{ 44,0x5C},
{ 45,0x90},
{46,0x60},
{47,0x00},
{48,0x00},
{49,0x00},
{50,0x00},
{51,0x00},
{52,0x00},
{53,0x00},
{ 54,0x00},
{55,0x00},
{ 56,0x10},
{57,0x00},
{58,0x00},
{ 59,0x1F},
{ 60,0x10},
{61,0x00},
{62,0x00},
{63,0x44},
{64,0x18},
{65,0x00},
{ 66,0x60},
{67,0x20},
{ 68,0x1C},
{69,0x00},
{ 70,0x80},
{ 71,0x22},
{ 72,0x1C},
{ 73,0x00},
{74,0x40},
{ 75,0x1F},
{ 76,0x30 },
{ 77,0x00},
{78,0x00},
{79,0x22},
{ 80,0x1C},
{81,0x00},
{82,0x20},
{83,0x23},
{84,0x00},
{85,0x00},
{86,0x00},
{87,0x00},
{88,0x10},
{89,0x30},
{90,0x00},
{91,0x21},
{92,0x34},
{93,0x00},
{94,0x00},
{95,0x21},
{96,0x18},
{97,0x00},
{98,0x60},
{99,0x45},
{100,0x0C},
{101,0x00},
{102,0x40},
{103,0x00},
{104,0x1C},
{105,0x00},
{106,0x80},
{107,0x47},
{108,0x10},
{109,0x30},
{110,0x00},
{111,0x22},
{112,0x1C},
{113,0x00},
{114,0x40},
{115,0x44},
{116,0x30},
{117,0x00},
{118,0x00},
{119,0x47},
{120,0x1C},
{121,0x00},
{122,0x20},
{123,0x48},
{124,0x00},
{125,0x00},
{126,0x00},
{127,0x00},
{0,0x05},
{ 8,0x10},
{9,0x30},
{10,0x00},
{11,0x46},
{ 12,0x34},
{13,0x00},
{14,0x00},
{15,0x46},
{ 16,0x5C},
{17,0x60},
{ 18,0xC0},
{19,0x46},
{ 20,0x0C},
{21,0x00},
{ 22,0x60},
{23,0x00},
{ 24,0x5C},
{25,0x60},
{ 26.0xA0},
{27,0x21},
{28,0x10},
{ 29,0x30 },
{ 30,0x00},
{ 31,0x47},
{ 32,0x10 },
{33,0x13},
{34,0xE0},
{35,0x49},
{36,0x00},
{37,0x00},
{380x00},
{39,0x00},
{40,0x10},
{41,0x13},
{ 42,0xE0},
{ 43,0x24},
{ 44,0x09},
{45,0x00},
{46,0x00},
{47,0x24},
{48,0x09},
{49,0x00},
{ 50,0x20},
{51,0x49},
{ 52,0x05},
{53,0x00},
{ 54,0x00},
{ 55,0x4A},
{ 56,0x05},
{57,0x00},
{58,0x20},
{ 59,0x4B},
{ 60,0x5C},
{ 61,0x60},
{62,0x00},
{ 63,0x4A},
{ 64,0x5C},
{65,0x60},
{66,0x00},
{ 67,0x4B},
{680x00},
{69,0x00},
{70,0x00},
{71,0x00},
{72,0x00},
{ 73,0x00},
{74,0x00},
{75,0x00},
{ 76,0x10},
{ 77,0x00},
{78,0x40},
{ 79,0x4C},
{ 80,0x10},
{81,0x00},
{82,0x40},
{ 83,0x4E},
{84,0x00},
{85,0x00},
{86,0x00},
{87,0x00},
{88,0x00},
{89,0x00},
{90,0x00},
{91,0x00},
{92,0x00},
{93,0x00},
{94,0x00},
{95,0x00},
{96,0x02},
{97,0x00},
{98,0x00},
{99,0x00},
{100,0x00},
{101,0x00},
{102,0x00},
{103,0x00},
};
#define miniDSP_a_reg_values_Coeff_start 0#define
miniDSP_a_reg_values_Coeff_size 216
#define miniDSP_a_reg_values_INST_start 216
#define miniDSP_a_reg_values_INST_size 583
REG_VALUE miniDSP_D_REG_VALUES[]={
{0,0x0},
{ 0x7F,0x50},
{0,0x01},
{8,0x00},
{9,0x16},
{ 10,0xF0},
{11,0x00},
{12,0x00},
{ 13,0x2A},
{14,0x99},
{15,0x00},
{16,0x00},
{17,0x27},
{ 18,0x52},
{19,0x00},
{ 20,0xFF},
{21,0xF9},
{ 22,0x72},
{23,0x00},
{ 24.0xFF},
{ 25,0x8D},
{ 26,0x50},
{27,0x00},
{28,0xFE},
{ 29,0xF0},
{ 30,0x07},
{31,0x00},
{ 32,0xFE },
{33,0x4C},
{34,0x30},
{35,0x00},
{ 36,0xFD},
{37,0xED},
{380x29},
{39,0x00},
{40,0xFE},
{41,0x3b},
{ 42,0xCD},
{43,0x00},
{ 44,0xFF},
{ 45,0x97 },
{46,0x24},
{47,0x00},
{48,0x02},
{49,0x29},
{50,0xC7},
{51,0x00},
{ 52,0x05},
{53,0xD9},
{ 54,0x7F},
{55,0x00},
{ 56,0x0A},
{57,0x3D},
{58,0x71},
{59,0x00},
{60,0x0E},
{61,0x9A},
{ 62,0xD4},
{63,0x00},
{64,0x12},
{65,0x1F},
{ 66,0xF3},
{670x00},
{68,0x14},
{69,0x18},
{ 70,0x93},
{71,0x00},
{72,0x00},
{ 73,0x16},
{ 74,0xF0},
{75,0x00},
{76,0x00},
{ 77,0x2A},
{78,0x99},
{79,0x00},
{ 800x00},
{81,0x27},
{82,0x52},
{83,0x00},
{84,0xFF},
{85,0xF9},
{86,0x72},
{87,0x00},
{88,0xFF},
{89,0x8D},
{90,0x50},
{91,0x00},
{92,0xFE},
{ 93,0xF0},
{94,0x07},
{95,0x00},
{96,0xFE},
{ 97,0x4C},
{98,0x30},
{99,0x00},
{100,0xFD},
{101,0xED},
{102,0x29},
{103,0x00},
{104,0xFE},
{105,0x3B},
{106,0xCD},
{107,0x00},
{108,0xFF},
{109,0x97},
{110,0x24},
{111,0x00},
{112,0x02},
{113,0x29},
{114,0xC7},
{115,0x00},
{116,0x05},
{117,0xD9},
{118,0x7F},
{119,0x00},
{120,0x0A},
{121,0x3D},
{122,0x71},
{123,0x00},
{124,0x0E},
{125,0x9A},
{126,0xD4},
{127,0x00},
{0,0x02},
{ 8,0x12},
{ 9,0x1F},
{ 10,0xF3},
{11,0x00},
{ 12,0x14},
{13,0x18},
{14,0x93},
{15,0x00},
{16,0xFF},
{17,0xFF},
{18,0xFF},
{19,0x00},
{ 20,0x80},
{21,0x00},
{22,0x00},
{23,0x00},
{24,0x7F},
{25,0xF7},
{26,0x00},
{27,0x00},
{28,0x80},
{29,0x09},
{ 30,0x00},
{31,0x00},
{32,0x7F},
{33,0xEF},
{34,0x00},
{35,0x00},
{ 36,0x40},
{37,0x00},
{380x00},
{39,0x00},
{40,0x7F},
{41,0xFF},
{ 42,0xFF},
{43,0x00},
{44,0x00},
{45,0x00},
{46,0x00},
{47,0x00},
{48,0xFF},
{49,0xF8},
{50,0x00},
{51,0x00},
{ 52,0xFF},
{ 53,0xD8 },
{ 54,0x00},
{55,0x00},
{ 56,0xFF},
{570xF6},
{58,0x00},
{59,0x00},
{60,0xFE},
{61,0xBF},
{62,0x00},
{63,0x00},
{ 64,0x3A},
{ 65,0xD8 },
{66,0x00},
{670x00},
{680x00},
{69,0x15},
{70,0x00},
{71,0x00},
{72,0x00},
{ 73,0x06},
{74,0x00},
{75,0x00},
{76,0x00},
{77,0x67},
{78,0x00},
{79,0x00},
{ 800x00},
{81,0x4F},
{82,0x00},
{83,0x00},
{84,0x01},
{85,0xD5},
{86,0x00},
{87,0x00},
{ 88,0x24},
{89,0x89},
{90,0x00},
{91,0x00},
{92,0xFC},
{93,0xAB},
{94,0x00},
{95,0x00},
{96,0xFF},
{97,0x19},
{98,0x00},
{99,0x00},
{100,0xF3},
{101,0xE3},
{102,0x00},
{103,0x00},
{104,0x06},
{105,0x1E},
{106,0x00},
{107,0x00},
{0,0x09},
{72,0x00},
{ 73,0x16},
{ 74,0xF0},
{75,0x00},
{76,0x00},
{ 77,0x2A},
{78,0x99},
{79,0x00},
{ 800x00},
{81,0x27},
{82,0x52},
{83,0x00},
{84,0xFF},
{85,0xF9},
{86,0x72},
{87,0x00},
{88,0xFF},
{89,0x8D},
{90,0x50},
{91,0x00},
{92,0xFE},
{ 93,0xF0},
{94,0x07},
{95,0x00},
{96,0xFE},
{ 97,0x4C},
{98,0x30},
{99,0x00},
{100,0xFD},
{101,0xED},
{102,0x29},
{103,0x00},
{104,0xFE},
{105,0x3B},
{106,0xCD},
{107,0x00},
{108,0xFF},
{109,0x97},
{110,0x24},
{111,0x00},
{112,0x02},
{113,0x29},
{114,0xC7},
{115,0x00},
{116,0x05},
{117,0xD9},
{118,0x7F},
{119,0x00},
{120,0x0A},
{121,0x3D},
{122,0x71},
{123,0x00},
{124,0x0E},
{125,0x9A},
{126,0xD4},
{127,0x00},
{0,0x0A},
{ 8,0x12},
{ 9,0x1F},
{ 10,0xF3},
{11,0x00},
{ 12,0x14},
{13,0x18},
{14,0x93},
{15,0x00},
{16,0x00},
{17,0x16},
{ 18,0xF0},
{19,0x00},
{20,0x00},
{21,0x2A},
{ 22,0x99},
{23,0x00},
{24,0x00},
{25,0x27},
{ 26,0x52},
{27,0x00},
{28,0xFF},
{ 29,0xF9 },
{ 30,0x72},
{31,0x00},
{32,0xFF},
{33,0x8D},
{34,0x50},
{35,0x00},
{ 36,0xFE},
{ 37,0xF0},
{380x07},
{39,0x00},
{40,0xFE},
{ 41,0x4C},
{ 42,0x30},
{43,0x00},
{ 44,0xFD},
{ 45,0xED },
{46,0x29},
{47,0x00},
{48,0xFE},
{49,0x3b},
{ 50,0xCD},
{51,0x00},
{ 52,0xFF},
{ 53,0x97},
{ 54,0x24},
{55,0x00},
{ 56,0x02},
{57,0x29},
{58,0xC7},
{59,0x00},
{60,0x05},
{61,0xD9},
{ 62,0x7F},
{63,0x00},
{ 64,0x0A},
{65,0x3D},
{ 66,0x71},
{670x00},
{68,0XE},
{ 69,0x9A},
{ 70,0xD4},
{71,0x00},
{ 72,0x12},
{ 73,0x1F},
{ 74,0xF3},
{75,0x00},
{ 76,0x14},
{ 77,0x18},
{78,0x93},
{79,0x00},
{ 80,0xFF},
{81,0xFF},
{82,0xFF},
{83,0x00},
{84,0x80},
{85,0x00},
{86,0x00},
{87,0x00},
{88,0x7F},
{89,0xF7},
{90,0x00},
{91,0x00},
{92,0x80},
{93,0x09},
{94,0x00},
{95,0x00},
{96,0x7F},
{97,0xEF},
{98,0x00},
{99,0x00},
{100,0x40},
{101,0x00},
{102,0x00},
{103,0x00},
{104,0x7F},
{105,0xFF},
{106,0xFF},
{107,0x00},
{108,0x00},
{109,0x00},
{110,0x00},
{111,0x00},
{112,0xFF},
{113,0xF8},
{114,0x00},
{115,0x00},
{116,0xFF},
{117,0xD8},
{118,0x00},
{119,0x00},
{120,0xFF},
{121,0xF6},
{122,0x00},
{123,0x00},
{124,0xFE},
{125,0xBF},
{126,0x00},
{127,0x00},
{0,0x0B},
{ 8,0x3A},
{ 9,0xD8 },
{10,0x00},
{11,0x00},
{12,0x00},
{13,0x15},
{14,0x00},
{15,0x00},
{16,0x00},
{17,0x06},
{18,0x00},
{19,0x00},
{20,0x00},
{21,0x67},
{22,0x00},
{23,0x00},
{24,0x00},
{25,0x4F},
{26,0x00},
{27,0x00},
{28,0x01},
{ 29,0xD5},
{ 30,0x00},
{31,0x00},
{ 320x24},
{33,0x89},
{34,0x00},
{35,0x00},
{ 36,0xFC},
{37,0xAB},
{380x00},
{39,0x00},
{40,0xFF},
{41,0x19},
{ 42,0x00},
{43,0x00},
{ 44,0xF3},
{ 45,0xE3 },
{46,0x00},
{47,0x00},
{48,0x06},
{49,0x1E},
{50,0x00},
{51,0x00},
{0,0x0},
{ 0x7F,0x3c},
{0,0x01},
{8,0xC0},
{9,0x00},
{10,0x00},
{11,0x00},
{ 12,0xC0},
{13,0x00},
{14,0x00},
{15,0x00},
{0,0x0},
{ 0x7F,0x78},
{0,0x01},
{ 8,0x04},
{9,0x00},
{10,0x00},
{11,0x26},
{12,0x04},
{13,0x00},
{14,0x20},
{15,0x27},
{16,0x48},
{17,0x05},
{18,0x00},
{19,0x00},
{20,0x01},
{21,0x00},
{ 22,0x60},
{23,0x10},
{24,0x00},
{25,0x00},
{26,0x00},
{27,0x00},
{28,0x58},
{ 29,0x60},
{ 30,0x08},
{31,0x00},
{ 32,0x60 },
{33,0x60},
{34,0x00},
{35,0x00},
{ 36,0x48},
{37,0x02},
{380x00},
{39,0x00},
{ 40,0x48},
{41,0x02},
{ 42,0x20},
{43,0x00},
{ 44,0x44},
{45,0x00},
{46,0xC0},
{47,0x03},
{48,0x00},
{49,0x00},
{50,0x00},
{51,0x00},
{52,0x00},
{53,0x00},
{ 54,0x00},
{55,0x00},
{ 56,0x44},
{57,0x00},
{58,0x00},
{59,0x03},
{60,0x21},
{61,0x00},
{62,0x00},
{63,0x00},
{64,0x03},
{65,0x00},
{66,0x00},
{67,0x10},
{680x00},
{69,0x00},
{70,0x00},
{71,0x00},
{ 72,0x45},
{ 73,0x02},
{ 74,0xA0},
{75,0x00},
{76,0x00},
{ 77,0x00},
{78,0x00},
{79,0x00},
{ 80,0x01},
{81,0x00},
{82,0x40},
{83,0x10},
{84,0x00},
{85,0x00},
{86,0x00},
{87,0x00},
{ 88,0x58},
{ 89,0x60},
{90,0x08},
{91,0x01},
{92,0x60},
{93,0x60},
{94,0x00},
{95,0x00},
{96,0x58},
{ 97,0x60},
{98,0x00},
{99,0x27},
{100,0x00},
{101,0x00},
{102,0x00},
{103,0x00},
{104,0x44},
{105,0x00},
{106,0xC0},
{107,0x0A},
{108,0x08},
{109,0x00},
{110,0x00},
{111,0x3C},
{112,0x08},
{113,0x00},
{114,0x20},
{115,0x51},
{116,0x08},
{117,0x00},
{118,0x00},
{119,0x3B},
{120,0x08},
{121,0x00},
{122,0x20},
{123,0x50},
{124,0x00},
{125,0x00},
{126,0x00},
{127,0x00},
{0,0x02},
{8,0x00},
{9,0x00},
{10,0x00},
{11,0x00},
{12,0x00},
{13,0x00},
{14,0x00},
{15,0x00},
{16,0x00},
{17,0x00},
{18,0x00},
{19,0x00},
{20,0x00},
{21,0x00},
{22,0x00},
{23,0x00},
{ 24,0x44},
{25,0x00},
{26,0x00},
{27,0x06},
{28,0x21},
{29,0x00},
{ 30,0x20},
{31,0x00},
{ 32,0x4B },
{33,0x00},
{34,0xC0},
{35,0x00},
{ 36,0x4B},
{37,0x00},
{ 380xE0},
{39,0x00},
{40,0x00},
{41,0x00},
{ 42,0x40},
{ 43,0x18},
{44,0x0C},
{45,0x00},
{46,0x00},
{47,0x00},
{48,0x0C},
{49,0x00},
{ 50,0x20},
{51,0x00},
{ 52,0x05},
{53,0x00},
{ 54,0x00},
{55,0x00},
{ 56,0x05},
{57,0x00},
{58,0x20},
{59,0x01},
{60,0x18},
{61,0x04},
{ 62,0xA0},
{63,0x00},
{64,0x00},
{65,0x00},
{66,0x00},
{670x00},
{680x00},
{69,0x00},
{70,0x00},
{71,0x00},
{72,0x00},
{ 73,0x00},
{74,0x00},
{75,0x00},
{ 76,0x10},
{ 77,0x00},
{78,0x20},
{79,0x03},
{ 80,0x18},
{81,0x00},
{82,0x00},
{83,0x03},
{84,0x00},
{85,0x00},
{86,0x40},
{87,0x3E},
{ 88,0x1C},
{89,0x00},
{90,0x20},
{91,0x04},
{92,0x1C},
{93,0x01},
{94,0x00},
{95,0x0B},
{96,0x1C},
{97,0x01},
{98,0xE0},
{99,0x12},
{100,0x00},
{101,0x00},
{102,0x00},
{103,0x00},
{104,0x00},
{105,0x00},
{106,0x00},
{107,0x00},
{108,0x00},
{109,0x00},
{110,0x00},
{111,0x00},
{112,0x10},
{113,0x00},
{114,0x00},
{115,0x13},
{116,0x18},
{117,0x04},
{118,0xA0},
{119,0x01},
{120,0x00},
{121,0x00},
{122,0x00},
{123,0x00},
{124,0x00},
{125,0x00},
{126,0x00},
{127,0x00},
{0,0x03},
{8,0x00},
{9,0x00},
{10,0x00},
{11,0x00},
{ 12,0x10},
{13,0x00},
{14,0x20},
{15,0x15},
{16,0x18},
{17,0x02},
{18,0x00},
{19,0x15},
{20,0x00},
{21,0x00},
{ 22,0x40},
{23,0x3E},
{ 24,0x1C},
{25,0x02},
{ 26,0x20},
{27,0x16},
{28,0x1C},
{ 290x03},
{ 30,0x00},
{ 31.0x1D},
{ 32,0x1C },
{33,0x03},
{34,0xE0},
{35,0x24},
{36,0x00},
{37,0x00},
{380x00},
{39,0x00},
{40,0x00},
{41,0x00},
{ 42,0x00},
{43,0x00},
{44,0x00},
{45,0x00},
{46,0x00},
{47,0x00},
{48,0x10},
{49,0x00},
{50,0x00},
{51,0x25},
{52,0x09},
{53,0x00},
{ 54,0x00},
{55,0x13},
{56,0x09},
{57,0x00},
{58,0x20},
{59,0x25},
{60,0x60},
{61,0x64},
{ 62,0xC0},
{63,0x00},
{64,0x48},
{65,0x01},
{ 66,0xA0},
{670x00},
{68,0x45},
{69,0x02},
{ 70,0x20},
{71,0x04},
{72,0x00},
{ 73,0x00},
{74,0x00},
{75,0x00},
{ 76,0x10},
{ 77,0x00},
{78,0x00},
{79,0x26},
{ 80,0x10},
{81,0x00},
{82,0x00},
{83,0x27},
{84,0x44},
{85,0x00},
{86,0x00},
{ 87,0x04},
{88,0x00},
{89,0x00},
{90,0x00},
{91,0x00},
{92,0x00},
{93,0x00},
{94,0x00},
{95,0x00},
{96,0x00},
{97,0x00},
{98,0x00},
{99,0x00},
{100,0x00},
{101,0x00},
{102,0x00},
{103,0x00},
{104,0x18},
{105,0x04},
{106,0xA0},
{107,0x26},
{108,0x18},
{109,0x04},
{110,0xA0},
{111,0x27},
{112,0x18},
{113,0x04},
{114,0x60},
{115,0x3E},
{116,0x1C},
{117,0x04},
{118,0x80},
{119,0x42},
{120,0x10},
{121,0x00},
{122,0x20},
{123,0x28},
{124,0x10},
{125,0x00},
{126,0x20},
{127,0x3D},
{0,0x04},
{ 8,0x1C},
{9,0x04},
{ 10,0x40},
{11,0x3D},
{ 12,0x18},
{13,0x04},
{14,0x60},
{15,0x29},
{16,0x1C},
{17,0x04},
{18,0x80},
{19,0x2D},
{ 20,0x1C},
{21,0x04},
{ 22,0x40},
{ 230x28},
{24,0x10},
{25,0x30},
{26,0x00},
{27,0x41},
{28,0x18},
{ 290x05},
{ 30,0x00},
{31,0x3A},
{ 32,0x1C },
{33,0x05},
{34,0x20},
{35,0x36},
{ 36,0x50},
{37,0x05},
{380x00},
{39,0x2C},
{40,0x1C},
{41,0x05},
{ 42,0x20},
{ 43,0x30},
{ 44,0x1C},
{45,0x05},
{46,0x40},
{47,0x38},
{ 48,0x1C},
{49,0x05},
{ 50,0x40},
{51,0x2E},
{ 52,0x1C},
{53,0x05},
{ 54,0x60},
{55,0x32},
{ 56,0x1C},
{57,0x05},
{58,0x60},
{59,0x34},
{ 60,0x1C},
{61,0x05},
{ 62,0x80},
{63,0x33},
{ 64,0x1C},
{65,0x05},
{ 66,0xA0},
{67,0x39},
{ 68,0x1C},
{69,0x05},
{ 70,0xA0},
{71,0x2D},
{ 72,0x1C},
{ 73,0x05},
{74,0xC0},
{75,0x37},
{ 76,0x1C },
{ 77,0x05},
{78,0xC0},
{ 79,0x2F},
{ 80,0x1C},
{81,0x05},
{82,0xE0},
{83,0x35},
{84,0x1C},
{85,0x05},
{86,0xE0},
{ 87,0x31},
{88,0x00},
{89,0x00},
{90,0x00},
{91,0x00},
{92,0x5C},
{93,0x90},
{ 94,0x40 },
{95,0x01},
{96,0x18},
{97,0x05},
{98,0x00},
{99,0x4F},
{100,0x1C},
{101,0x05},
{102,0x00},
{103,0x41},
{104,0x1C},
{105,0x05},
{106,0x20},
{107,0x4B},
{108,0x10},
{109,0x00},
{110,0x40},
{111,0x3B},
{112,0x1C},
{113,0x05},
{114,0x20},
{115,0x45},
{116,0x1C},
{117,0x05},
{118,0x40},
{119,0x4D},
{120,0x1C},
{121,0x05},
{122,0x40},
{123,0x43},
{124,0x1C},
{125,0x05},
{126,0x60},
{127,0x47},
{0,0x05},
{ 8,0x1C},
{9,0x05},
{ 10,0x60},
{11,0x49},
{ 12,0x1C},
{13,0x05},
{14,0x80},
{15,0x48},
{16,0x1C},
{17,0x05},
{ 18,0xA0},
{ 19,0x4E},
{ 20,0x1C},
{21,0x05},
{ 22,0xA0},
{ 230x42},
{ 24,0x1C},
{25,0x05},
{ 26,0xC0},
{27,0x4C},
{28,0x1C},
{ 290x05},
{ 30,0xC0},
{ 31,0x44},
{ 32,0x1C },
{33,0x05},
{34,0xE0},
{35,0x4A},
{ 36,0x1C},
{37,0x05},
{ 380xE0},
{39,0x46},
{40,0x00},
{41,0x00},
{ 42,0x00},
{43,0x00},
{ 44,0x5C},
{ 45,0x90},
{46,0x60},
{47,0x01},
{48,0x00},
{49,0x00},
{50,0x00},
{51,0x00},
{52,0x00},
{53,0x00},
{ 54,0x00},
{55,0x00},
{56,0x00},
{57,0x00},
{58,0x00},
{59,0x00},
{ 60,0x10},
{61,0x00},
{ 62,0x40},
{63,0x50},
{64,0x18},
{650x06},
{66,0x00},
{67,0x39},
{ 68,0x1C},
{69,0x06},
{70,0x00},
{71,0x2C},
{ 72,0x1C},
{ 73,0x06},
{74,0x20},
{75,0x37},
{ 76,0x1C },
{ 77,0x06},
{78,0x20},
{79,0x2E},
{ 80,0x1C},
{81,0x06},
{82,0x40},
{83,0x33},
{84,0x1C},
{85,0x06},
{86,0x40},
{ 87,0x32},
{ 88,0x1C},
{89,0x06},
{90,0x60},
{91,0x2F},
{92,0x1C},
{93,0x06},
{ 94,0x60 },
{95,0x36},
{96,0x1C},
{97,0x06},
{98,0x80},
{99,0x38},
{100,0x1C},
{101,0x06},
{102,0x80},
{103,0x2D},
{104,0x1C},
{105,0x06},
{106,0xA0},
{107,0x34},
{108,0x1C},
{109,0x06},
{110,0xA0},
{111,0x31},
{112,0x1C},
{113,0x06},
{114,0xC0},
{115,0x35},
{116,0x1C},
{117,0x06},
{118,0xC0},
{119,0x30},
{120,0x00},
{121,0x00},
{122,0x00},
{123,0x00},
{124,0x5C},
{125,0x90},
{126,0x40},
{127,0x01},
{0,0x06},
{ 8,0x18},
{9,0x06},
{10,0x00},
{ 11,0x4E},
{ 12,0x1C},
{13,0x06},
{14,0x00},
{15,0x41},
{16,0x1C},
{17,0x06},
{18,0x20},
{ 19,0x4C},
{20,0x10},
{21,0x00},
{ 22,0x40},
{ 23,0x3A},
{ 24,0x1C},
{25,0x06},
{ 26,0x20},
{27,0x43},
{28,0x1C},
{ 290x06},
{ 30,0x40},
{ 31,0x48},
{ 32,0x1C },
{33,0x06},
{34,0x40},
{35,0x47},
{ 36,0x1C},
{37,0x06},
{ 380x60},
{39,0x44},
{40,0x1C},
{41,0x06},
{ 42,0x60},
{ 43,0x4B},
{ 44,0x1C},
{45,0x06},
{46,0x80},
{47,0x4D},
{ 48,0x1C},
{49,0x06},
{ 50,0x80},
{51,0x42},
{ 52,0x1C},
{53,0x06},
{ 54,0xA0},
{55,0x49},
{ 56,0x1C},
{57,0x06},
{58,0xA0},
{59,0x46},
{ 60,0x1C},
{ 61,0x06},
{ 62,0xC0},
{ 63,0x4A},
{ 64,0x1C},
{650x06},
{66,0xC0},
{67,0x45},
{680x00},
{69,0x00},
{70,0x00},
{71,0x00},
{ 72,0x5C},
{ 73,0x90},
{74,0x60},
{75,0x01},
{76,0x00},
{ 77,0x00},
{78,0x00},
{79,0x00},
{ 800x00},
{81,0x00},
{82,0x00},
{83,0x00},
{84,0x00},
{85,0x00},
{86,0x00},
{87,0x00},
{88,0x10},
{89,0x00},
{90,0x40},
{91,0x4F},
{92,0x00},
{93,0x00},
{94,0x00},
{95,0x00},
{96,0x00},
{97,0x00},
{98,0x00},
{99,0x00},
{100,0x00},
{101,0x00},
{102,0x00},
{103,0x00},
{104,0x02},
{105,0x00},
{106,0x00},
{107,0x00},
{108,0x00},
{109,0x00},
{110,0x00},
{111,0x00},
};
#define miniDSP_D_REG_Values_Coeff_start 0#define
miniDSP_D_REG_Values_Coeff_Size 458
#define miniDSP_D_REG_Values_INST_start 458
#define miniDSP_D_REG_Values_INST_Size 712
您好,
感谢您提供更多信息。 从您分享的PurePath Studio (PPS)的流程流捕获中,我注意到您正在使用Dec2xIn和Int2xOut滤波块,而相同的采样率为44.1kHz,这是不正确的,因此问题可能与滤波器选择有关。
PPS应用程序中的滤波块对应于小数(ADC)和内插(DAC)滤波器,应根据所用的采样率进行选择。 在当前应用程序中 ,配置编解码器时假定使用的采样率为44.1kHz (请参阅属性窗口),对于此应用程序,小数筛选器应为 Dec4xIn,插值筛选器应为 Int8xOut。 请更新您的流程流中的这些组件,并查看是否有改进。 您可以参阅过滤器的帮助文件,了解有关根据 所用采样率选择正确过滤器的更多信息。
此致,
-Diego Mel é ndez López ñ a
音频应用工程师