Other Parts Discussed in Thread: TPA3005D2, PCM2912A, DEM-PCM2912AEVM
https://e2e.ti.com/support/audio-group/audio/f/audio-forum/1116200/pcm2912a-minimum-load-impedance
器件型号:PCM2912A主题中讨论的其他器件:TPA3005D2、、
您好!
我将 PCM2912A 与 TPA3005D2放大器结合使用。 PCM2912A DAC 在 RL > 10k 负载时指定0.6 * Vcca (1.98Vpp)输出。 但是、我仅在放大器的输入端测量0.554Vpp。 PCM2912A DAC 是否存在最小负载阻抗?
注意:使用 PCM 上的最高增益设置进行测量。
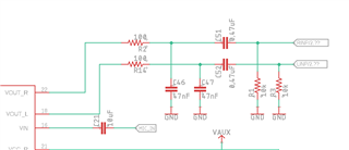
PCM2912A VOUT_R 和 VOUT_L 电路:

TPA3005D2输入电路:


