请注意,本文内容源自机器翻译,可能存在语法或其它翻译错误,仅供参考。如需获取准确内容,请参阅链接中的英语原文或自行翻译。
您好,
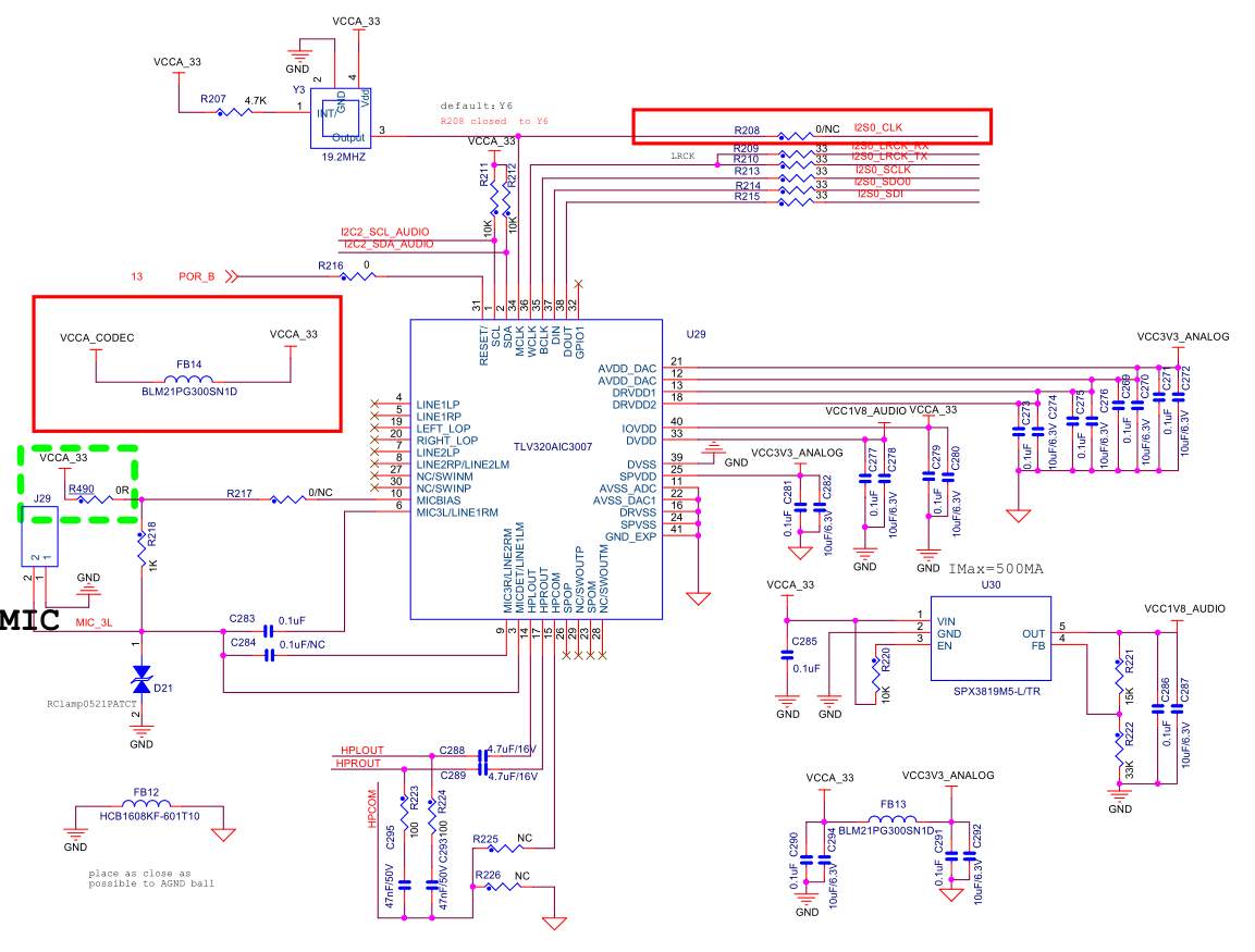
我们为 RK3288设计了具有编解码器芯片(tlv320aic3007)的嵌入式电路板。播放音乐时扬声器的声音特别低。芯片的电源电压正常。音频芯片驱动程序在系统运行时报告错误。 “tlv320aic3x-codec 2-0018:无法初始化 D 类: -6”。请帮助分析导致此问题的原因以及如何解决。 谢谢!

This thread has been locked.
If you have a related question, please click the "Ask a related question" button in the top right corner. The newly created question will be automatically linked to this question.
您好,
我们为 RK3288设计了具有编解码器芯片(tlv320aic3007)的嵌入式电路板。播放音乐时扬声器的声音特别低。芯片的电源电压正常。音频芯片驱动程序在系统运行时报告错误。 “tlv320aic3x-codec 2-0018:无法初始化 D 类: -6”。请帮助分析导致此问题的原因以及如何解决。 谢谢!
