This thread has been locked.

If you have a related question, please click the "Ask a related question" button in the top right corner. The newly created question will be automatically linked to this question.

[参考译文] TAS2563:有关 TAS2563的问题

Guru**** 2481325 points
Other Parts Discussed in Thread: TAS2563

请注意,本文内容源自机器翻译,可能存在语法或其它翻译错误,仅供参考。如需获取准确内容,请参阅链接中的英语原文或自行翻译。

https://e2e.ti.com/support/audio-group/audio/f/audio-forum/830701/tas2563-questions-on-tas2563

器件型号:TAS2563

大家好、

我们希望将 TAS2563用于音频产品、但我们有一些问题需要与您进行澄清。

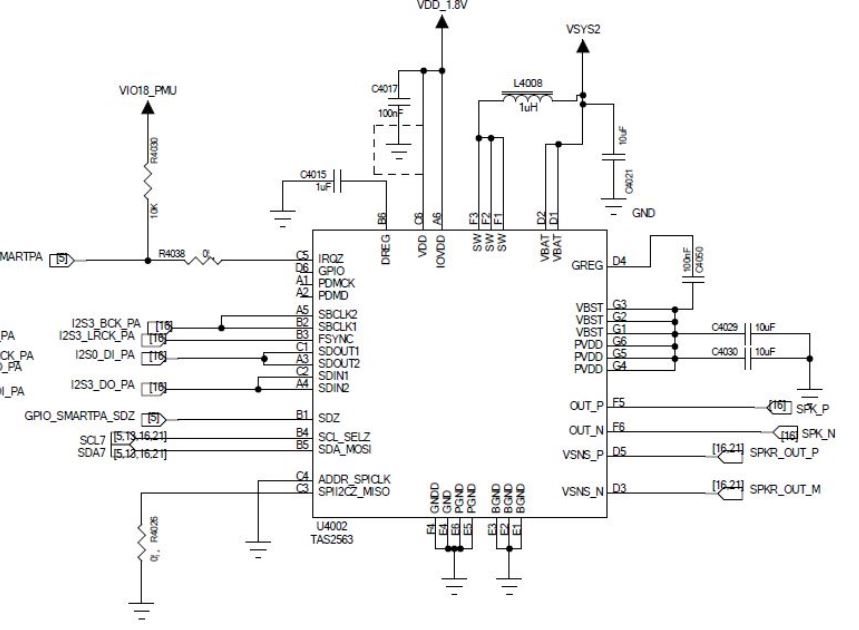
是否有适用于 TAS2563应用的参考原理图? 其数据表中显示的原理图为示例、未清楚显示器件应如何连接到主机 MCU。

2. GPIO 引脚(D6)的用途是什么?  数据表没有提供太多相关信息。 为了使器件正常运行、我们应该将其保持悬空还是将其连接到 Vcc 或 GND?

3.在我们的应用中, 不需要 PDM MIC 功能。 我们应该如何处理引脚 PDMCLK 、PDMD? 我们应该将两个引脚都连接到 GND 还是将其保持悬空?

下面是我们的原理图设计。 TAS2563连接到主机 MCU 并接收 I2S 格式的数据流。 请帮助您查看设计,特别是 I2S 连接,因为我们不确定它们是否正确连接。   

谢谢。 Peter

      

  • 请注意,本文内容源自机器翻译,可能存在语法或其它翻译错误,仅供参考。如需获取准确内容,请参阅链接中的英语原文或自行翻译。

    参考原理图可从以下链接下载:如果未使用 PDM、 则 PDMCLK 、PDMD 可保持悬空

    www.ti.com.cn/.../slau800.pdf

  • 请注意,本文内容源自机器翻译,可能存在语法或其它翻译错误,仅供参考。如需获取准确内容,请参阅链接中的英语原文或自行翻译。

    尊敬的 Peter:

    除了之前的答复外:

    • 您只能使用 ASI1、因此请将 SBCLK1、FSYNC、SDOUT1和 SDIN1连接到主机 I2S 源。 SBCLK2、SDOUT2和 SDIN2可保持悬空。

    此致、
    -Ivan Salazar
    应用工程师-低功耗音频和传动器

  • 请注意,本文内容源自机器翻译,可能存在语法或其它翻译错误,仅供参考。如需获取准确内容,请参阅链接中的英语原文或自行翻译。

    您好、Ivan、

    感谢您的澄清。 另一个问题- TAS2563上 GPIO (D6)的实际用途是什么? 数据表并未对其进行详细阐述。 应该如何使用它? 如果它不适用于设计、我们是否可以将其保持悬空? 谢谢你。

    此致、

    Peter  

  • 请注意,本文内容源自机器翻译,可能存在语法或其它翻译错误,仅供参考。如需获取准确内容,请参阅链接中的英语原文或自行翻译。

    尊敬的 Ivan:

     由于 EVM 原理图中未显示扬声器的输出电容器、我们是否需要在输出端添加电容器? 建议使用多大的电容以及如何连接电容器?

    谢谢!

  • 请注意,本文内容源自机器翻译,可能存在语法或其它翻译错误,仅供参考。如需获取准确内容,请参阅链接中的英语原文或自行翻译。

    尊敬的 Peter:

    GPIO 引脚可用作音频发生器触发器、尽管它们目前不可用(稍后将发布)、但也有其他功能。

    如果您的应用中未使用此引脚、您确实可以将其保持悬空。

    此致、
    -Ivan Salazar
    应用工程师-低功耗音频和传动器

  • 请注意,本文内容源自机器翻译,可能存在语法或其它翻译错误,仅供参考。如需获取准确内容,请参阅链接中的英语原文或自行翻译。

    尊敬的 Andrew:

    TAS2563的输出为 BTL、其调制无滤波器。 因此、它可以在输出端没有滤波器的情况下使用。

    但是、如果由于 EMI 限制或类似因素而需要使用滤波器、则应使用 表152中的参数、连接如 图129所示

    此致、
    -Ivan Salazar
    应用工程师-低功耗音频和传动器