请注意,本文内容源自机器翻译,可能存在语法或其它翻译错误,仅供参考。如需获取准确内容,请参阅链接中的英语原文或自行翻译。
器件型号:PCM1864-Q1 大家好、
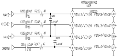
我的客户询问有关 PCM1864-Q1的问题。 它们的平台目前 采用差分输入实现、如下图所示、 但现在必须使用单端。 在差分原理图中使用单端输入时、似乎存在一些噪声。
您能回答以下问题吗?
-。 在这种情况下、是否可以将单端输入 与以下差分原理图结合使用? 否则、它们是否必须将原理图更改为单端输入?
-。 如果应 将原理图更改为 单端输入、则未使用的输入引脚如何处理? 是否应将其连接到 GND?
-。 对于单端差分输入、应更改哪些寄存器?
谢谢、
Sam Lee
