您好!
客户希望从 HPROUT/HPLOUT 输出与 MIC2R 相同的声音用于调试目的、但他们目前无法执行此操作。
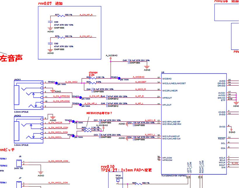
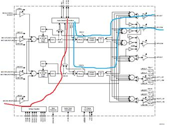
他们希望 TI 建议什么寄存器设置是错误的。 您是否会查看寄存器设置? 路径图像已附加。 红色或蓝色线均可用于调试目的。
下面是寄存器转储信息。
[0] =(0x00)
[1] =(0x00)
[2] =(0x00)
[3] =(0x10)
[4] =(0x04)
[5] =(0x00)
[6] =(0x00)
[7] =(0x0a)
[8] =(0x20)
[9] =(0x00)
[10]=(0x00)
[11]=(0x31)
[12]=(0x00)
[13]=(0x8b)
[14]=(0x80)
[15]=(0x00)
[16]=(0x00)
[17]=(0xf0)
[18]=(0xff)
[19]=(0x7f)
[20]=(0x78)
[21]=(0x78)
[22]=(0x7f)
[23]=(0x78)
[24]=(0x78)
[25]=(0x46)
[26]=(0x00)
[27]=(0xFE)
[28]=(0x00)
[29]=(0x00)
[30]=(0xFE)
[31]=(0x00)
[32]=(0x00)
[33]=(0x00)
[34]=(0x00)
[35]=(0x00)
[36]=(0xcc)
[37]=(0x20)
[38]=(0x06)
[39]=(0x00)
[40]=(0x02)
[41]=(0x00)
[42]=(0x00)
[43]=(0x00)
[44]=(0x00)
[45]=(0x00)
[46]=(0x80)
[47]=(0x00)
[48]=(0x00)
[49]=(0x00)
[50]=(0x00)
[51]=(0x0F)
[52]=(0x00)
[53]=(0x00)
[54]=(0x00)
[55]=(0x00)
[56]=(0x00)
[57]=(0x00)
[58]=(0x04)
[59]=(0x00)
[60]=(0x00)
[61]=(0x00)
[62]=(0x00)
[63]=(0x80)
[64]=(0x00)
[65]=(0x0F)
[66]=(0x00)
[67]=(0x00)
[68]=(0x00)
[69]=(0x00)
[70]=(0x00)
[71]=(0x00)
[72]=(0x06)
[73]=(0x00)
[74]=(0x00)
[75]=(0x00)
[76]=(0x00)
[77]=(0x00)
[78]=(0x00)
[79]=(0x00)
[80]=(0x00)
[81]=(0x00)
[82]=(0x00)
[83]=(0x00)
[84]=(0x00)
[85]=(0x00)
[86]=(0x00)
[87]=(0x00)
[88]=(0x00)
[89]=(0x00)
[90]=(0x00)
[91]=(0x00)
[92]=(0x00)
[93]=(0x00)
[94]=(0x06)
[95]=(0xc4)
[96]=(0xc4)
[97]=(0xc4)
[98]=(0x00)
[99]=(0x00)
[100]=(0x00)
[101]=(0x01)
[102]=(0x02)
[103]=(0x00)
[104]=(0x00)
[105]=(0x00)
[106]=(0x00)
[107]=(0x00)
[108]=(0x00)
[109]=(0x00)
[110]=(0x00)
[111]=(0x00)
[112]=(0x00)
[113]=(0x00)
[114]=(0x00)
[115]=(0x00)
[116]=(0x00)
[117]=(0x00)
[118]=(0x00)
[119]=(0x00)
[120]=(0x00)
[121]=(0x00)
[122]=(0x00)
[123]=(0x00)
[124]=(0x00)
[125]=(0x00)
[126]=(0x00)
此致、
渡边俊弘



