This thread has been locked.

If you have a related question, please click the "Ask a related question" button in the top right corner. The newly created question will be automatically linked to this question.

[参考译文] TLV320DAC3203:TLV320DAC3203IYZK 引脚配置图片与小尺寸图片不匹配

Guru**** 2535150 points


请注意,本文内容源自机器翻译,可能存在语法或其它翻译错误,仅供参考。如需获取准确内容,请参阅链接中的英语原文或自行翻译。

https://e2e.ti.com/support/audio-group/audio/f/audio-forum/802621/tlv320dac3203-tlv320dac3203iyzk-pin-configuration-picture-is-not-match-with-foot-print-picture

器件型号:TLV320DAC3203

大家好、

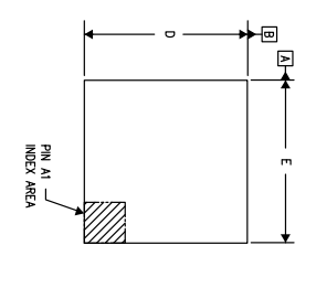
请帮助确认此 d/s 问题、应该有一张图片是错误的。

谢谢

  • 请注意,本文内容源自机器翻译,可能存在语法或其它翻译错误,仅供参考。如需获取准确内容,请参阅链接中的英语原文或自行翻译。

    Daniel、您好!

    感谢您指出这些图片。

    这种情况可能会引起混淆。 实际上、所有数字都在顶视图中。 但是、第二张图片(不显示球栅的图片)应以另一种方式显示、以避免混淆。 如果此图片按如下所示旋转、则所有图片将处于相同的状态。

    这有道理吗? 如果您有其他问题或意见、请告诉我。

    此致、
    Luis Fernando Rodríguez S.