This thread has been locked.

If you have a related question, please click the "Ask a related question" button in the top right corner. The newly created question will be automatically linked to this question.

[参考译文] TLV320AIC1110:输出音调失真

Guru**** 2456480 points
Other Parts Discussed in Thread: TLV320AIC1110, AIC111, TLV320AIC3254, TLV320AIC3262

请注意,本文内容源自机器翻译,可能存在语法或其它翻译错误,仅供参考。如需获取准确内容,请参阅链接中的英语原文或自行翻译。

https://e2e.ti.com/support/audio-group/audio/f/audio-forum/747330/tlv320aic1110-output-tone-distortion

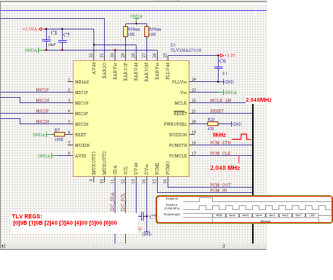
器件型号:TLV320AIC1110
主题中讨论的其他器件: AIC111TLV320AIC3254TLV320AIC3262

大家好、

我想将此芯片用于语音应用、因此我需要数字化和播放频率300.3400 Hz。 数据表显示芯片适用于接收和传输该频率。

我想测试它的工作原理:ADC (麦克风输入)和 DAC (耳机输出)。

只需将第二次执行测试(DAC)置于 PCM 接口数据(300至3400Hz 的一个数字音调)并观察输出。

参见心肌病。

例如、我在 PCM_IN (PCM_CLK 2048000Hz、PCM_SYN 8000Hz)上生成了简单数据(数字正弦信号3000Hz)、并在 TLV 引脚 EAR2O 和 EAR1OP/N 上看到了信号输出

如您所见、没有理想的正弦值。

在 EAR 输出上有指数函数或充电/中断容量的阶跃

如您所见、高语音频率上存在失真。

寄存器为:

[0]9B [1]0B [2]40 [3]A0 [4]00 [5]00 [6]00 (MIC1选择、EAR1选择、线性模式、滤波器-关闭)

或 Reg [00]=0x99以选择 ARE2_OUT。

那是什么?

它是否正常?

我们之前使用的编解码器是上 个世纪生产的 TP3070、没有信号失真。

  • 请注意,本文内容源自机器翻译,可能存在语法或其它翻译错误,仅供参考。如需获取准确内容,请参阅链接中的英语原文或自行翻译。

     DAC" 步长"的另一个刻度

  • 请注意,本文内容源自机器翻译,可能存在语法或其它翻译错误,仅供参考。如需获取准确内容,请参阅链接中的英语原文或自行翻译。
    Vlad、

    您提到过您测试此编解码器的2种方法、1:MIC in 到 DAC out (我假设这是 PCM 环回?) 和2. 数据传输至 PCMIN -> DAC。

    这两种情况下都出现了问题吗?

    此致、
    -Steve Wilson
  • 请注意,本文内容源自机器翻译,可能存在语法或其它翻译错误,仅供参考。如需获取准确内容,请参阅链接中的英语原文或自行翻译。

     您好、Steve、

    否、第1次测试通过正常。

    用两个字表示:

    [正弦信号约10-20mV] -> [ MIC1 (或在寄存器中选择的 MIC2)] -> [数字数据 PCM_OUT ]

    此时、我测试了2种方法:

    1、寄存器中的回送位置位、因此输出 EAR2O 时、我看到正弦信号失真、如上图所示。

    2.[PCM_OUT]-=TDM bus= -> [OLD CODEC TP3070]->因此我在其输出端看到了良好的正弦信号。

  • 请注意,本文内容源自机器翻译,可能存在语法或其它翻译错误,仅供参考。如需获取准确内容,请参阅链接中的英语原文或自行翻译。

    步长约为25us、因此 F=~ 40kHz。
    在 PDF 文档"TI、SLAA_193 Feb2004"中、该频率是采样率(40kHz)。 但本文档适用于芯片 AIC111、而不适用于 TLV320aic1110。
    在此文档中,建议将模拟输出 LP-FILTER (三阶 LC+RC)放置。
    为什么在 TLV320aic1110的数据表中没有提到40kHz?

    这些步骤看起来是输出端的低质量(低频率)内插滤波器。

    为什么没有人注意到或回答?

  • 请注意,本文内容源自机器翻译,可能存在语法或其它翻译错误,仅供参考。如需获取准确内容,请参阅链接中的英语原文或自行翻译。
    Vlad、

    您能否向我发送您正在使用的测试提示音文件?

    此致、
    -Steve Wilson
  • 请注意,本文内容源自机器翻译,可能存在语法或其它翻译错误,仅供参考。如需获取准确内容,请参阅链接中的英语原文或自行翻译。
    您有此芯片吗? 在回送模式下将正弦波发生器(任意值>2500Hz)连接到输入端,然后查看输出。 然后在这里发布 oscillogram 图片。
  • 请注意,本文内容源自机器翻译,可能存在语法或其它翻译错误,仅供参考。如需获取准确内容,请参阅链接中的英语原文或自行翻译。
    Vlad、

    我订购了 EVM、收到 EVM 后将对其进行测试。

    此致、
    -Steve Wilson
  • 请注意,本文内容源自机器翻译,可能存在语法或其它翻译错误,仅供参考。如需获取准确内容,请参阅链接中的英语原文或自行翻译。

    好的、我要等待。  可能是其他人会回答的问题

  • 请注意,本文内容源自机器翻译,可能存在语法或其它翻译错误,仅供参考。如需获取准确内容,请参阅链接中的英语原文或自行翻译。
    Vlad、

    是的。 我可以在 EVM 上重现此情况。 我已经要求我们的设计团队对此进行评论、但我想清楚的是、该器件非常旧、而且原始设计团队已不复存在。 此器件的文件已存档、我们支持此器件的能力有限。

    我们确实拥有较新的器件、但成本更低、并且不会出现此问题。 您能告诉我您的要求是什么、或许我可以简单地建议更适合您吗?

    此致、
    -Steve Wilson
  • 请注意,本文内容源自机器翻译,可能存在语法或其它翻译错误,仅供参考。如需获取准确内容,请参阅链接中的英语原文或自行翻译。

    您好、Steve Wilson、thx 表示快速响应。

    在选择芯片期间,我查看了网站上的状态:它是“活动”(但 数据表的日期 是2001年12月)

    (不是很旧。 正如我提到过的、最后一个芯片 tp3070的数据表日期为1994年)

    关于 要求:我需要具有模拟输入输出(-17dBm 至+5dBm)的编解码器、 支持线性和 G.711数据模式、配置端口为 SPI/i2c/UART、小型 QFP 封装。

  • 请注意,本文内容源自机器翻译,可能存在语法或其它翻译错误,仅供参考。如需获取准确内容,请参阅链接中的英语原文或自行翻译。
    Vlad、

    除了仅采用 BGA 封装外、LM49352将是您的理想选择。

    TLV320AIC3254或 TLV320AIC3262将起作用。 Mini DSP 具有 ulaw/ALAW 编码器/解码器块。 您可以创建一个有助于实现该功能的流程。 这两款器件均采用 QFN 封装、于2010年后发布、我们仍提供设计/系统支持。

    此致、
    -Steve Wilson