请注意,本文内容源自机器翻译,可能存在语法或其它翻译错误,仅供参考。如需获取准确内容,请参阅链接中的英语原文或自行翻译。
器件型号:TLV320AIC3254-Q1 主题中讨论的其他器件:TAS6424-Q1
你好
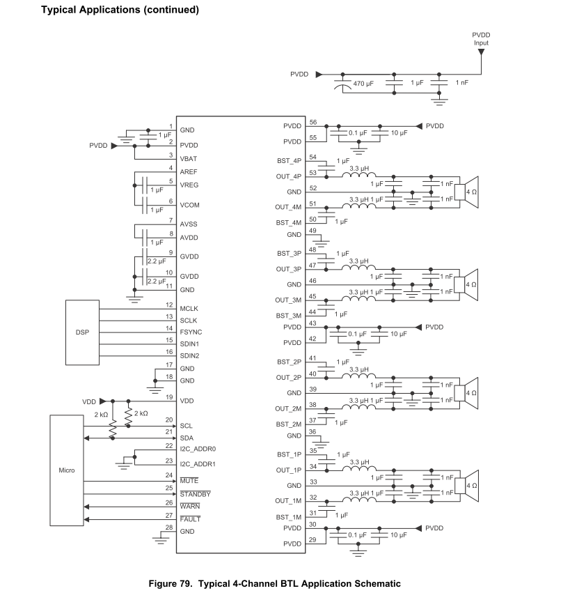
如果使用 TAS6424-Q1驱动四个扬声器、AIC3254是否可以通过一个 I2S 输出驱动具有 TAS6424-Q1的四个扬声器? 谢谢你。
BR
Patrick
This thread has been locked.
If you have a related question, please click the "Ask a related question" button in the top right corner. The newly created question will be automatically linked to this question.
你好
如果使用 TAS6424-Q1驱动四个扬声器、AIC3254是否可以通过一个 I2S 输出驱动具有 TAS6424-Q1的四个扬声器? 谢谢你。
BR
Patrick
您好、Patrick、
'AIC3254是一款立体声音频编解码器、能够在 μ I²S 总线上发送多达两个通道、不支持四通道数字输出。
使用单个'AIC3254驱动'6424上的四个通道的唯一方法是将编解码器的数字输出连接到两个数字输入、这样放大器将驱动四个扬声器、但将在通道1/3和2/4之间共享相同的立体声竞争。
此致、
Diego Melendez López í a
音频应用工程师