请注意,本文内容源自机器翻译,可能存在语法或其它翻译错误,仅供参考。如需获取准确内容,请参阅链接中的英语原文或自行翻译。
https://e2e.ti.com/support/audio-group/audio/f/audio-forum/699731/tpa3110d2-1khz-test
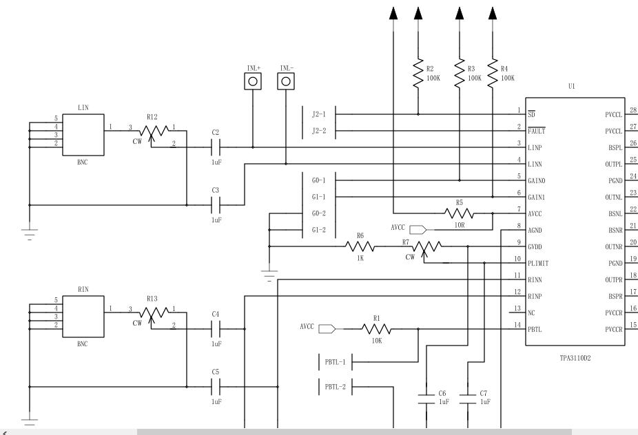
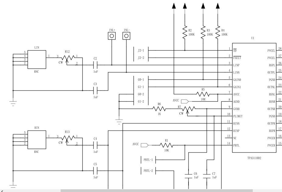
器件型号:TPA3110D2This thread has been locked.
If you have a related question, please click the "Ask a related question" button in the top right corner. The newly created question will be automatically linked to this question.
https://e2e.ti.com/support/audio-group/audio/f/audio-forum/699731/tpa3110d2-1khz-test
器件型号:TPA3110D2