This thread has been locked.

If you have a related question, please click the "Ask a related question" button in the top right corner. The newly created question will be automatically linked to this question.

[参考译文] TPA3113D2:加电后的故障模式

Guru**** 2533750 points
Other Parts Discussed in Thread: TPA3113D2

请注意,本文内容源自机器翻译,可能存在语法或其它翻译错误,仅供参考。如需获取准确内容,请参阅链接中的英语原文或自行翻译。

https://e2e.ti.com/support/audio-group/audio/f/audio-forum/678359/tpa3113d2-fault-mode-after-power-up

器件型号:TPA3113D2

您好!

 

我为 TPA3113D2放大器构建测试板。

遗憾的是、功率放大器进入故障模式(当短接至 SD 引脚时、未观察到自动恢复)。

加电后观察到 PWM 突发短路、之后无 PWM、引脚25 (18) VDC= 2V

测试条件:

VCC = 12V

VIN_DISCONNECTED。

增益:20dB。

PLIMIT:5V 或短接至 GVDD。

GVDD = 7V。

 

谢谢你

标记

  • 请注意,本文内容源自机器翻译,可能存在语法或其它翻译错误,仅供参考。如需获取准确内容,请参阅链接中的英语原文或自行翻译。
    Mark、

    Shawn 很快就会回复您。

    此致、

    -Adam
  • 请注意,本文内容源自机器翻译,可能存在语法或其它翻译错误,仅供参考。如需获取准确内容,请参阅链接中的英语原文或自行翻译。
    Mark、您好!
    该故障在没有输入信号的情况下触发、对吧? 我看到您使用10uF 电容器作为 APA 输入、您是否可以尝试使用较低的电容器(例如0.47uF)?
  • 请注意,本文内容源自机器翻译,可能存在语法或其它翻译错误,仅供参考。如需获取准确内容,请参阅链接中的英语原文或自行翻译。
    您好、Shawn、
    我断开了输入电容器并连接了外部电源。
    仍然具有故障模式。
    谢谢、
    标记。
  • 请注意,本文内容源自机器翻译,可能存在语法或其它翻译错误,仅供参考。如需获取准确内容,请参阅链接中的英语原文或自行翻译。
    Mark、您好!
    请尝试通过1uF 电容器将输入引脚连接到 GND 吗? 问题是否仍然存在?
  • 请注意,本文内容源自机器翻译,可能存在语法或其它翻译错误,仅供参考。如需获取准确内容,请参阅链接中的英语原文或自行翻译。
    您好、Shawn、
    完成、
    结果相同。
  • 请注意,本文内容源自机器翻译,可能存在语法或其它翻译错误,仅供参考。如需获取准确内容,请参阅链接中的英语原文或自行翻译。
    Mark、您好!
    这很奇怪、在 SCH 中没有明显的 Isse。 这可能是焊接问题吗? 您能否检查自举电容器? 电路板上是否有任何故障组件? 您是如何尝试的?
  • 请注意,本文内容源自机器翻译,可能存在语法或其它翻译错误,仅供参考。如需获取准确内容,请参阅链接中的英语原文或自行翻译。
    您好、Shawn、
    我有5块板、它们都以相同的方式工作。
    I 隔离式功率放大器与电路板的其余部分(独立电源和具有和不具有连接负载的输入源)-无差异。
  • 请注意,本文内容源自机器翻译,可能存在语法或其它翻译错误,仅供参考。如需获取准确内容,请参阅链接中的英语原文或自行翻译。

     肖恩、

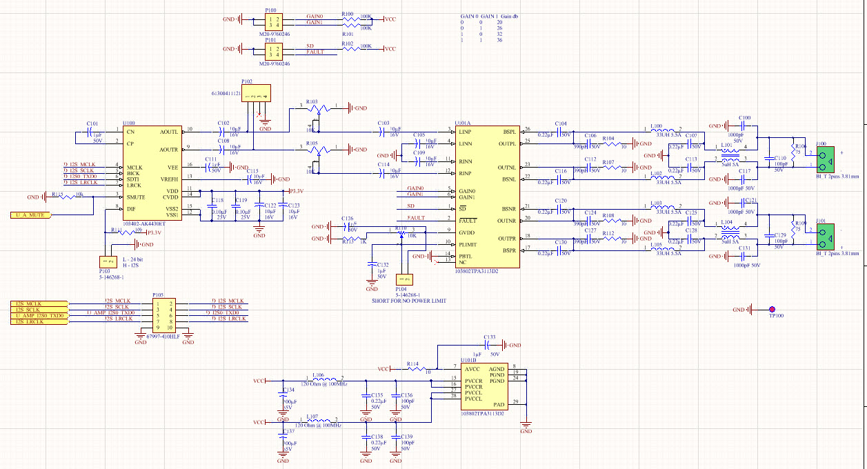
    此外、如果它能为您提供任何想法、您可以在附件中找到功率放大器 PCB 部分。

    谢谢

    标记

  • 请注意,本文内容源自机器翻译,可能存在语法或其它翻译错误,仅供参考。如需获取准确内容,请参阅链接中的英语原文或自行翻译。
    Mark、您好!
    感谢您的更新。 请帮助您进行以下实验:
    将 C103、C105、C109、C114电容器更改为0.47uF。 将电容 C103、C114的左端连接到 GND。
    2.卸下输出上的 tansformer L101和 L104。
    3.断开 SDZ 和 FAULT 的连接,并为 PVCC 加电。 测量 FAULT 引脚上的电压。
    4.测量 OUT 引脚上的波形。
    查看器件是否可以正常工作。
  • 请注意,本文内容源自机器翻译,可能存在语法或其它翻译错误,仅供参考。如需获取准确内容,请参阅链接中的英语原文或自行翻译。

    您好、Shawn、

     

    我认为问题出在 C105和 C109电容器泄漏方面。

    将它们替换为陶瓷1uF 电容器后、我观察到启动稳定。

    我认为、最好将最大输入泄漏电流添加到数据表规格中、而不是仅提及直流检测故障差分电压。 在放大器关断期间很难测量直流电压。

                   感谢您给我一个如何解决此问题的想法。

    标记。

  • 请注意,本文内容源自机器翻译,可能存在语法或其它翻译错误,仅供参考。如需获取准确内容,请参阅链接中的英语原文或自行翻译。

    Mark、您好!

    数据表的第8.2.1.2.5节中提到了这个泄漏电流问题。 输入电容器应使用低漏电钽陶瓷。 建议使用1µ Ω 电容器、而不是10µ Ω 电容器。 :-)

    Kai