尊敬的 TI 技术支持:
使用 TI EVM 作为参考、我已经设计了自己的 PBTL 放大器(随附文件)。
遗憾的是、当为器件供电(使用24Vdc)时、放大器将保持故障低电平、我无法使器件正常工作。
切换/RESET 不会清除/FAULT 状态。
以下是目前的配置:
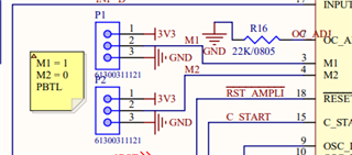
频率可调: 10K 欧姆
OSC IOM 和 OSC OIP 保持打开
Cstart:47nF
输入信号:
PVDD = 23.1V
GVDD_AB = GVDD_CD = VDD = 12V
INC = IND = GND
M1:GND
M2:3V3
/OTW = 3V3
/FAULT = 0V
因此、看看器件为什么保持在 FAULT=0V 的可能值、我在数据表中找到:
方案1: 引脚对引脚短路保护(PPSC)。
由于 PWM_A = PWM_B = OUT_A = OUT_B = 7、9V、并且 PVDD 上没有电阻负载、所以放大器输出不短接至 GND 或 PVDD。
似乎器件仍被阻止在 PPSC 检测中。
选项2: 欠压保护(UVP)和上电复位(POR)
无法实现、因为所有电源电压都在电气特性表(请参阅上文)中报告的规定值范围内。
选项3:由于 OSC_IO 输入信号频率降至最小频率以下、卡在故障处。
OSC_IO 保持开路、其电压为1.6V。
就是这样! 如果您对器件的反应类似有任何建议、我很乐意知道。
感谢您的观看、
此致、











