This thread has been locked.

If you have a related question, please click the "Ask a related question" button in the top right corner. The newly created question will be automatically linked to this question.

[参考译文] TLV320AIC3204:提供例程代码

Guru**** 2535750 points


请注意,本文内容源自机器翻译,可能存在语法或其它翻译错误,仅供参考。如需获取准确内容,请参阅链接中的英语原文或自行翻译。

https://e2e.ti.com/support/audio-group/audio/f/audio-forum/1330386/tlv320aic3204-routine-code-provided

器件型号:TLV320AIC3204

您好!

使用 GUI 界面的客户反馈与指导文档不匹配。

心音和肺音是否有任何常规参考?

谢谢!

  • 请注意,本文内容源自机器翻译,可能存在语法或其它翻译错误,仅供参考。如需获取准确内容,请参阅链接中的英语原文或自行翻译。

    尊敬的 Rhea:

    GUI 的哪个部分与文档不匹配?

    我们没有肺和心音的参考代码。 客户想要实现什么?

    谢谢!
    J·麦克弗森

  • 请注意,本文内容源自机器翻译,可能存在语法或其它翻译错误,仅供参考。如需获取准确内容,请参阅链接中的英语原文或自行翻译。

    您好,Jeff G ö,

    这是从官方网站下载的 CS 软件的主要界面:

    这是手册中的主屏幕:

    某些设置软件和手册不对应。

    谢谢~

  • 请注意,本文内容源自机器翻译,可能存在语法或其它翻译错误,仅供参考。如需获取准确内容,请参阅链接中的英语原文或自行翻译。

    尊敬的 Rhea:

    之所以存在差异、是因为 Windows 操作系统有所不同。 虽然进行了一些小改动以适应升级、但用户指南中的建议仍然适用。 如果 GUI 有任何混淆、请告诉我、我可以帮助澄清。

    此致、
    J·麦克弗森

  • 请注意,本文内容源自机器翻译,可能存在语法或其它翻译错误,仅供参考。如需获取准确内容,请参阅链接中的英语原文或自行翻译。

    尊敬的 Jeff:

    1.  

    我们没有心脏和肺音的参考代码。 客户想要实现什么?

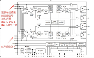
    客户现在只想从 IN1输入并通过 HPL 和 HPR 输出实现完整的音频、但当前调试没有声音。 请帮助建议该问题的解决方案。

    2. 另一个调试问题,客户希望确认:

    客户发现评估板电路是直接单端输入信号、而未处理另一个通道。 另一个通道是否需要暂停?

    谢谢~

  • 请注意,本文内容源自机器翻译,可能存在语法或其它翻译错误,仅供参考。如需获取准确内容,请参阅链接中的英语原文或自行翻译。

    尊敬的 Rhea:

    1) 1)要在 HPL 和 HPR 上播放 IN1、客户必须打开"Digital Settings"-> Clocks/Interface -> Audio Interface ->并启用数字环回(p0 R29位4)。 这会将 ADC 数据循环到 DAC 的输入中、

    2)我认为我不理解这个问题。 此输入可被设定为单端或差分模式。 此外、该 EVM 使用所有输入。 如果客户未使用任何输入、则应使用 Analog Settings -> Audio Inputs -> Input Routing 菜单断开输入与 PGA 的连接。

    此致、
    J·麦克弗森