https://e2e.ti.com/support/audio-group/audio/f/audio-forum/1351977/tpa3118d2-q1-noise-issue
器件型号:TPA3118D2-Q1您好!
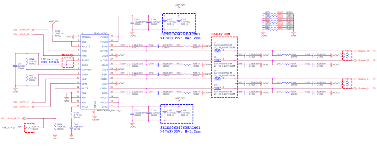
我们发现 TPA3118D2-Q1在某些频率下的噪声可能无法通过 EMI 测试。
是否有任何可以调整的方法来避免这种噪声或降低噪声? 谢谢!


谢谢!
This thread has been locked.
If you have a related question, please click the "Ask a related question" button in the top right corner. The newly created question will be automatically linked to this question.
https://e2e.ti.com/support/audio-group/audio/f/audio-forum/1351977/tpa3118d2-q1-noise-issue
器件型号:TPA3118D2-Q1您好!
我们发现 TPA3118D2-Q1在某些频率下的噪声可能无法通过 EMI 测试。
是否有任何可以调整的方法来避免这种噪声或降低噪声? 谢谢!


谢谢!