This thread has been locked.

If you have a related question, please click the "Ask a related question" button in the top right corner. The newly created question will be automatically linked to this question.

[参考译文] TAS6584-Q1:TAS6584-Q1无法通过 EMI 传导发射测试。

Guru**** 2446480 points
Other Parts Discussed in Thread: TAS6584-Q1

请注意,本文内容源自机器翻译,可能存在语法或其它翻译错误,仅供参考。如需获取准确内容,请参阅链接中的英语原文或自行翻译。

https://e2e.ti.com/support/audio-group/audio/f/audio-forum/1364999/tas6584-q1-tas6584-q1-failing-in-emi-conducted-emission-test

器件型号:TAS6584-Q1

尊敬的 TI:

我们在其中一个航空电子设备设计中使用了 TAS6584-Q1、而且我们会看到由于该音频放大器而产生的 EMI -传导发射问题。 我们要求您向我们提供包含滤波技术和任何寄存器设置的解决方案、这些设置可以修改以获得更好的结果。

根据当前设计、TAS6584-Q1的工作频率为480KHz、我们尝试使用不同开关频率的 TAS6584-Q1、即1.024MHz、但我们可以获得更好的结果、但在1.024MHz 下工作会导致热问题、单元消耗的电流也更多。 我们还尝试了启用随机展频并将展频设置为+/-25.83%、但 RSS 启用也没有在480KHz 和1024KHz 方面带来任何差异。

请求您为我们提供改进 EMI_CE 测试的解决方案。

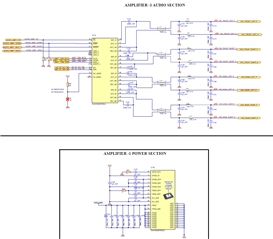
特此附上原理图和传导发射峰值、供您参考。

注:请您将此视为一项高度优先的任务     ,并尽早向我们提供解决方案。    

谢谢你。

此致

Amarnath G

  • 请注意,本文内容源自机器翻译,可能存在语法或其它翻译错误,仅供参考。如需获取准确内容,请参阅链接中的英语原文或自行翻译。

    您好,Amarnath

    该噪声频率可能有两种路径、我们可以提供一些建议并让客户进一步确认。

    第一个是导电路径。 这个需要使用更强的 LC 滤波器。  可以考虑使用10uH+2.2uF+3.3uH+1uF。

    另一种是直接从电感器到 PCB 连接器的磁场辐射。 我们可以让客户检查其电感器和 PCB 连接器之间的距离是多少、建议至少为35mm。 然后尝试使用更好的屏蔽式电感器、同样在 PCB 连接器侧、也应具有屏蔽层。