请注意,本文内容源自机器翻译,可能存在语法或其它翻译错误,仅供参考。如需获取准确内容,请参阅链接中的英语原文或自行翻译。
https://e2e.ti.com/support/audio-group/audio/f/audio-forum/1477268/pcm3140-q1-package-detail
器件型号:PCM3140-Q1工具与软件:
嗨、团队:
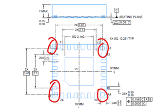
我在常规封装视图中看不到这四个焊盘。 但我可以在引脚映射和封装轮廓中看到它们。
我们应该参考引脚映射和封装轮廓、对吧?



此致、
Peter