主题中讨论的其他器件:TAS6424、 TAS6424MS、 TAS6424-Q1、TAS6424M-Q1 、TAS6424L-Q1、 TAS6424MS-Q1、TAS6422E-Q1 、TAS6424E
工具与软件:
您好!
我想在 PBTL 中使用 TAS6424评估板。
我按照数据表中的图表进行操作。 我没有成功,而放大器加热了很多。
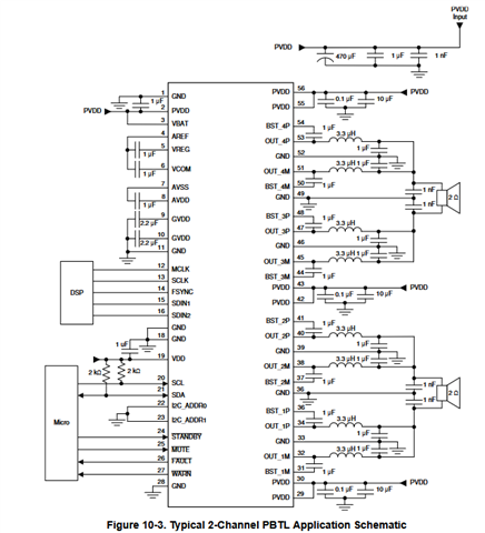
通过此图:

查看评估板手册、可以发现输出接线是不同的并且看起来是一致的:
"TAS6424MS 支持并联桥接式负载。 通道1和2可以是一个 PBTL 通道和通道3
4可以是另一个。 在将一组通道设为 PBTL 模式之前、请将(+)端子连接为 PBTL
通道(+)和(-)端子作为 PBTL 通道(-)。 然后将扬声器(+)连接至 PBTL 通道(+)
并将扬声器(-)连接至 PBTL 通道(-)。"
该接线可以正常工作、允许您获取数据表中在 PBTL 模式下公布的功率。
我认为 PBTL 图中有一个误差(每个放大器的输出都短路)。
这与以下数据表有关:
- TAS6424-Q1
- TAS6424M-Q1
- TAS6424L-Q1
- TAS6424MS-Q1
- TAS6424E-Q1
- TAS6422E-Q1
请确认错误。
此致
Loïc μ A